Hier finden Sie alle verfügbaren Teile und Zeichnungen der 'Hikoki TBC-230'. Von hier aus können Sie alle gewünschten Teile direkt bestellen. Viele Teile müssen je nach Marke beim Hersteller bestellt werden, dies dauert ein bis vier Wochen. Alle Informationen, die wir haben, befinden sich auf unserer Website. Wir können Sie nicht beraten, was Sie benötigen. Dazu müssen Sie die Maschine zur Reparatur zurücksenden. Bitte beachten Sie bei der Bestellung Folgendes:
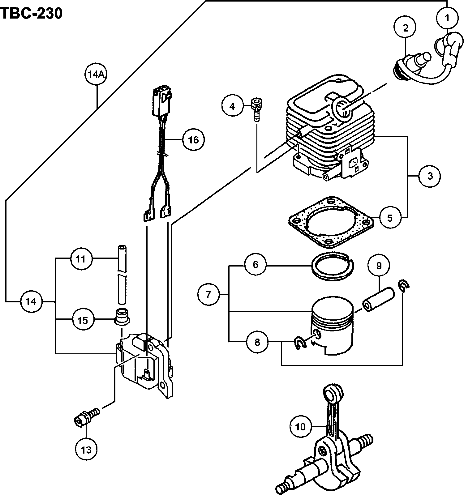
Zeichnungen der Hikoki TBC-230
Teileliste der Hikoki TBC-230
| Pos. | Beschreibung | Preis ohne MwSt | Preis inkl. MwSt | |
| Die angegebenen Preise enthalten die Mehrwertsteuer | ||||
| Zündkerzenkappe kpl. alte Art.nr. 157-01570-90 Ti | ||||
| 1 | 6687468 | 2.31 | 2.75 | |
| Zündkerzenbaugruppe (alt 6685085) | ||||
| 2 | 6699317 | 6.76 | 8.05 | |
| Zündkerze Rcj8y | ||||
| 2 | 6699328 | 3.30 | 3.93 | |
| Zylinder-set | ||||
| 3 | 6685489 | 34.19 | 40.68 | |
| Sechskantbolzen Cg24ekb | ||||
| 4 | 6684586 | 2.15 | 2.56 | |
| Zylinderdichtung alte Art.nr. 017-00980-20 | ||||
| 5 | 6685709 | 1.15 | 1.37 | |
| Kolbenring | ||||
| 6 | 6686118 | 4.45 | 5.30 | |
| Kolbenset alte Art.nr. 030-00070-90 | ||||
| 7 | 6685869 | 15.58 | 18.53 | |
| Kolbenstift Cg24ekb | ||||
| 8 | 6684590 | 2.15 | 2.56 | |
| Kolbenstift | ||||
| 9 | 6696944 | 3.33 | 3.96 | |
| Kurbelwelle kpl. | ||||
| 10 | 6686217 | 42.20 | 50.22 | |
| Hochspannungskabel 140l Till G165840 | ||||
| 11 | 6687888 | 2.31 | 2.75 | |
| Sechskantbolzen Cg24ekb alte Art.nr. 994-63040-15 | ||||
| 13 | 6684682 | 2.15 | 2.56 | |
| Zündspule Ass'y (alt 6687665/6699774) | ||||
| 14 | 6699772 | 17.85 | 21.24 | |
| Keine Informationen verfügbar, nicht bestellbar | ||||
| 14A | 6697638 | |||
| Gummikappe Cg24ekb Till G165840 | ||||
| 15 | 6684602 | 2.15 | 2.56 | |
| Bleidrahtbaugruppe | ||||
| 16 | 6697836 | 5.45 | 6.49 | |
| Getriebewelle Cg24ekb | ||||
| 31 | 6684604 | 2.15 | 2.56 | |
| Getriebewelle Cg24ekb | ||||
| 31 | 6684605 | 2.15 | 2.56 | |
| Ausgleich f. Getriebewelle 0.10 | ||||
| 31 | 6689177 | 1.15 | 1.37 | |
| Ausgleich f. Getriebewelle 0.15 | ||||
| 31 | 6689178 | 1.15 | 1.37 | |
| Kurbelbehälter alte Art.nr. 072-07120-01 Till A02 | ||||
| 32 | 6695806 | 38.26 | 45.53 | |
| Kurbelgehäuse kpl. | ||||
| 32A | 6686585 | 36.15 | 43.02 | |
| Öldichtung Cg24ekb | ||||
| 33 | 6684607 | 4.29 | 5.10 | |
| Kugellager Cg24ekb | ||||
| 34 | 6684608 | 3.80 | 4.52 | |
| Dichtung f. Kurbelgehäuse alte Art.nr. 090-06410- | ||||
| 35 | 6686719 | 1.15 | 1.37 | |
| Sechskantbolzen Cg24ekb | ||||
| 36 | 6684586 | 2.15 | 2.56 | |
| Magnetzünder Rotor kpl alte Art.nr. 155-20550-81 | ||||
| 37 | 6687376 | 15.88 | 18.89 | |
| Magneto-Rotor-Komp. | ||||
| 37A | 6601171 | 22.99 | 27.36 | |
| Keine Informationen verfügbar, nicht bestellbar | ||||
| 37B | 6696928 | |||
| Unterlegscheibe Cg24ekb Neue Art.nr. 6684611 | ||||
| 38 | 6684611 | 2.15 | 2.56 | |
| Sechskantmutter Cg24ekb | ||||
| 39 | 6684612 | 2.15 | 2.56 | |
| Ansaugkrümmerdichtung | ||||
| 51 | 6689890 | 1.15 | 1.37 | |
| Vergaser Isolator Set | ||||
| 52 | 6689914 | 5.94 | 7.07 | |
| Vergaserdichtung (ALT 402-0602K-21/6689836) | ||||
| 53 | 6684615 | 2.15 | 2.56 | |
| Sechskantbolzen 5x22/ws alte Art.nr. 994-64050-22 | ||||
| 54 | 6695514 | 1.15 | 1.37 | |
| Schraube 5x60/s alte Art.nr. 994-14050-601 | ||||
| 55 | 6695354 | 1.15 | 1.37 | |
| Ring | ||||
| 56 | 6684661 | 2.15 | 2.56 | |
| Röhrenschutz | ||||
| 57 | 6688174 | 2.31 | 2.75 | |
| Clipd6new | ||||
| 58 | 6685198 | 1.15 | 1.37 | |
| Keine Informationen verfügbar, nicht bestellbar | ||||
| 59 | 6684620 | |||
| Tank weiss alte Art.nr.591-07120-21 | ||||
| 60 | 6691592 | 9.58 | 11.39 | |
| Keine Informationen verfügbar, nicht bestellbar | ||||
| 61 | 6685049 | |||
| Manschette 5.8 alte Art.nr.659-00801-20 Till G103 | ||||
| 62 | 6692244 | 1.15 | 1.37 | |
| Vergaser Set Wyl182 Since B023801 | ||||
| 63 | 6690512 | 66.40 | 79.02 | |
| Spannschlosskappe Since C026901 | ||||
| 64 | 6691337 | 1.15 | 1.37 | |
| Sechskantbolzen 5x16/ps alte Art.nr. 994-63050-16 | ||||
| 65 | 6695504 | 1.15 | 1.37 | |
| Bolzen (mit Flansch) | ||||
| 65A | 6696574 | 1.05 | 1.25 | |
| Schraube 5x20ws alte Art.nr. 994-65050-205 Till G | ||||
| 66 | 6695516 | 1.15 | 1.37 | |
| Bolzen L17.8 | ||||
| 66A | 6698511 | 1.05 | 1.25 | |
| Keine Informationen verfügbar, nicht bestellbar | ||||
| 67 | 6684625 | |||
| Nicht mehr lieferbar, kein Ersatz | ||||
| 68 | 6684880 | |||
| Rückkehr Dichtung (alt 6684627) | ||||
| 69 | 6697846 | 1.04 | 1.23 | |
| Schalldämpferschutz alte Art.-nr.738-06541-22 Til | ||||
| 91 | 6692798 | 5.94 | 7.07 | |
| Schalldämpferschutz schwarz alte Art.-nr.738-0716 | ||||
| 91A | 6692809 | 5.11 | 6.08 | |
| Schraube 4x15ps alte Art.nr. 994-15040-151 | ||||
| 92 | 6695373 | 1.15 | 1.37 | |
| Blechschraube Cg24ekb | ||||
| 94 | 6684637 | 2.15 | 2.56 | |
| Sechskantbolzen | ||||
| 95 | 6685114 | 1.15 | 1.37 | |
| Unterlegscheibe Rb24e | ||||
| 96 | 6684918 | 2.15 | 2.56 | |
| Schalldämpfer Set alte Art.-nr.704-07001-90 | ||||
| 98 | 6692487 | 11.88 | 14.13 | |
| Schalldämpferdichtung alte Art.-nr.737-07000-20 | ||||
| 100 | 6692745 | 1.15 | 1.37 | |
| Hitzeschutz 133-06540-20 | ||||
| 101 | 6687253 | 2.31 | 2.75 | |
| Abdeckung f. Zündkerze, schwarz Till C026900 | ||||
| 102 | 6688350 | 3.30 | 3.93 | |
| Keine Informationen verfügbar, nicht bestellbar | ||||
| 103 | 6697619 | |||
| Kupplungsschuh T-16 Till F113110 | ||||
| 104 | 6688616 | 7.59 | 9.03 | |
| KUPPLUNGSARM COMP 54 NEU | ||||
| 104A | 6697161 | 6.90 | 8.21 | |
| Kupplungsfeder Till F113110 | ||||
| 105 | 6689430 | 2.31 | 2.75 | |
| Keine Informationen verfügbar, nicht bestellbar | ||||
| 105A | 6697618 | |||
| Kupplungsscheibe A | ||||
| 106 | 6689528 | 1.15 | 1.37 | |
| Stufen Bolzen Till F113110 | ||||
| 107 | 6689627 | 1.15 | 1.37 | |
| Stufenbolzen Cg24ekb alte Art.nr. 357-0075t-20 | ||||
| 107A | 6684646 | 2.15 | 2.56 | |
| Ring | ||||
| 108 | 6684648 | 2.15 | 2.56 | |
| Keine Informationen verfügbar, nicht bestellbar | ||||
| 109 | 6696932 | |||
| Sechskantbolzen Cg24ekb alte Art.nr. 994-64050-18 | ||||
| 110 | 6684647 | 2.15 | 2.56 | |
| Schneidschraube Till C026900 | ||||
| 111 | 6685191 | 1.15 | 1.37 | |
| Sechskantbolzen Cg24eks, Dv14dvf, Cg18dl | ||||
| 112 | 6684973 | 2.15 | 2.56 | |
| Kabelklemme kpl. | ||||
| 113 | 6688011 | 1.15 | 1.37 | |
| Gummidichtung Till C026900 | ||||
| 114 | 6688040 | 1.15 | 1.37 | |
| Seilzugstartergehäuse Rb24e Includ.183-190 Till E | ||||
| 151 | 6684938 | 23.45 | 27.91 | |
| Seilzugstarter Gehäuse Rb24e Since En90001(till 1 | ||||
| 152 | 6684944 | 17.24 | 20.51 | |
| Starter f. Seilhaspel Rb24e Since En90001(till 10 | ||||
| 153 | 6684941 | 6.44 | 7.66 | |
| Rückholfeder Rb24e Till Eo99999 | ||||
| 154 | 6684942 | 9.40 | 11.19 | |
| Schwenkhebel Rb24e Till Eo99999 | ||||
| 155 | 6684940 | 2.15 | 2.56 | |
| Einstellschraube (alte 839-03045-20) | ||||
| 156 | 6684679 | 2.15 | 2.56 | |
| Seilzug Strebe Rb24e Till Eo99999 | ||||
| 157 | 6684939 | 2.15 | 2.56 | |
| Seil Till Eo99999 | ||||
| 158 | 6684943 | 4.29 | 5.10 | |
| Startergriff Cg24ekb alte Art.nr. 785-03045-20 Fo | ||||
| 159 | 6684680 | 2.15 | 2.56 | |
| Nicht mehr lieferbar, kein Ersatz | ||||
| 160 | 6685000 | |||
| Starterscheibe Rb24e Till Eo99999 | ||||
| 161 | 6684937 | 6.44 | 7.66 | |
| Sechskantbolzen Cg24ekb alte Art.nr. 994-63040-15 | ||||
| 162 | 6684682 | 2.15 | 2.56 | |
| Filter kpl. | ||||
| 201 | 6690048 | 9.58 | 11.39 | |
| Filterabdeckung | ||||
| 202 | 6690391 | 4.45 | 5.30 | |
| Filter Element | ||||
| 203 | 6684654 | 2.15 | 2.56 | |
| Spezialschraube | ||||
| 204 | 6689737 | 1.15 | 1.37 | |
| Filtergehäuse Cg24ekb | ||||
| 205 | 6684656 | 8.58 | 10.20 | |
| Drosselventil Cg24ekb alte Art.nr. 528-07143-81 | ||||
| 206 | 6684657 | 4.29 | 5.10 | |
| Keine Informationen verfügbar, nicht bestellbar | ||||
| 207 | 6684658 | |||
| Hülse Cg24ekb alte Art.nr. 657-3252a-20 | ||||
| 208 | 6684659 | 2.15 | 2.56 | |
| Pumpengehäuse Rb24e | ||||
| 221 | 6684879 | 62.16 | 73.97 | |
| Entlüftungspumpe Cg24ekb alte Art.nr. 442-25151-8 | ||||
| 222 | 6684687 | 16.34 | 19.44 | |
| Membranabdeckung Cg24ekd alte Art.nr. 476-25151-2 | ||||
| 223 | 6684688 | 8.58 | 10.20 | |
| Grundgehäuse Cg24ekb alte Art.nr. 447-25108-20 | ||||
| 224 | 6684689 | 6.44 | 7.66 | |
| Dosiermembrane alte Art.nr.474-25241-80 | ||||
| 225 | 6690830 | 11.88 | 14.13 | |
| Membrandichtung Cg24ekb alte Art.nr.475-25153-20 | ||||
| 226 | 6684691 | 8.58 | 10.20 | |
| Membranabdeckung Cg24ekb alte Art.nr.576-25100-20 | ||||
| 227 | 6684693 | 8.58 | 10.20 | |
| Pumpendichtung alte Art.nr.577-25100-20 | ||||
| 228 | 6691457 | 7.10 | 8.45 | |
| Hauptdüse alte Art.nr.599-2000w-38 Since B023801 | ||||
| 229 | 6691844 | 4.45 | 5.30 | |
| O-RING (ALT 550-25100-20) | ||||
| 230 | 6684695 | 4.29 | 5.10 | |
| Anschlagring Cg24ekb alte Art.nr. 489-25100-20 | ||||
| 231 | 6684696 | 2.15 | 2.56 | |
| Spannschloss Cg24ekb alte Art.nr. 539-25120-20 | ||||
| 232 | 6684697 | 6.44 | 7.66 | |
| Drosselschrauben Set Cg24ekb alte Art.nr. 548-251 | ||||
| 233 | 6684698 | 4.29 | 5.10 | |
| Stellschraube Cg24ekb alte Art.nr. 548-25151-20 | ||||
| 234 | 6684699 | 2.15 | 2.56 | |
| Schutzsieb Cg24ekb | ||||
| 235 | 6684700 | 4.29 | 5.10 | |
| Kupplungsglocke alte Art.nr. 289-07061-80 | ||||
| 251 | 6695969 | 15.73 | 18.71 | |
| Anschlagring C außen Cg24eks alte Art.nr. 289-522 | ||||
| 252 | 6684664 | 2.15 | 2.56 | |
| Anti Vibrationsgummi | ||||
| 253 | 6691839 | 3.30 | 3.93 | |
| Sechskantbolzen 5x16 alte Art.nr. 990-51050-163 | ||||
| 254 | 6695046 | 1.15 | 1.37 | |
| Sechskantbolzen Cg24ekd, Cg18dal, Cg18dl | ||||
| 255 | 6684709 | 2.15 | 2.56 | |
| Lüftergehäuse | ||||
| 256 | 6687029 | 15.13 | 18.00 | |
| Leitungshalter Tpe | ||||
| 257 | 6689651 | 5.94 | 7.07 | |
| Unterlegscheibe Rb24e | ||||
| 258 | 6684918 | 2.15 | 2.56 | |
| Ring | ||||
| 259 | 6689159 | 1.15 | 1.37 | |
| Metallfitting | ||||
| 260 | 6689664 | 3.30 | 3.93 | |
| Getriebewelle 1480l alte Art.nr. 343-38379-20 | ||||
| 281 | 6696009 | 13.53 | 16.09 | |
| Getriebewelle Röhre | ||||
| 282 | 6689410 | 24.20 | 28.80 | |
| Keine Informationen verfügbar, nicht bestellbar | ||||
| 283 | 6684831 | |||
| Sechskantmutter Cg24ekd alte Art.nr. 991-01060-01 | ||||
| 284 | 6684835 | 2.15 | 2.56 | |
| HANDLE (OLD 500-37300-20) | ||||
| 285 | 6684836 | 14.58 | 17.35 | |
| Abdeckung schwarz Cg24ekd, Cg18dal, Cg18dl For Eu | ||||
| 286 | 6684837 | 9.40 | 11.19 | |
| Bolzen Cg24ekd, Cg18dal, Cg18dl | ||||
| 287 | 6684838 | 2.15 | 2.56 | |
| Hängermanschette For Usa | ||||
| 288 | 6689260 | 1.15 | 1.37 | |
| Hänger For Europe,aus,irl | ||||
| 289 | 6689281 | 12.88 | 15.32 | |
| Hänger Haltegabel For Usa | ||||
| 290 | 6689294 | 1.15 | 1.37 | |
| Nicht mehr lieferbar, kein Ersatz | ||||
| 291 | 6696988 | |||
| Gashebel alte Art.nr. 870-38449-90 | ||||
| 292 | 6693769 | 36.15 | 43.02 | |
| Drosselklappen-seil alte Art.nr.885-38449-80 | ||||
| 293 | 6693982 | 19.96 | 23.76 | |
| Drosselklappen Draht alte Art.nr. 887-38449-80 | ||||
| 294 | 6694025 | 8.41 | 10.01 | |
| Stoppknopf kpl. alte Art.nr. 156-37821-80 | ||||
| 295 | 6687452 | 13.91 | 16.56 | |
| Schutzrohr 7x145l alte Art.nr. 164-070014-50 | ||||
| 296 | 6687523 | 1.05 | 1.25 | |
| Nicht mehr lieferbar, kein Ersatz | ||||
| 297 | 6684721 | |||
| Rückholfeder Cg24ekb | ||||
| 298 | 6684722 | 2.15 | 2.56 | |
| Blind Stopfen Cg24ekb | ||||
| 299 | 6684724 | 2.15 | 2.56 | |
| Schraube Cg24ekb | ||||
| 300 | 6684803 | 2.15 | 2.56 | |
| Keine Informationen verfügbar, nicht bestellbar | ||||
| 301 | 6684727 | |||
| Schraube Cg24ekb | ||||
| 302 | 6684725 | 2.15 | 2.56 | |
| Drosselklappenhebel Cg24ekb | ||||
| 303 | 6684804 | 8.58 | 10.20 | |
| Getriebegehaeuse | ||||
| 321 | 6688817 | 66.40 | 79.02 | |
| Sechskantbolzen Cg24ekd, Cg18dal, Cg18dl | ||||
| 322 | 6684709 | 2.15 | 2.56 | |
| Stop Ring Cg24ekd, Cg18dal, Cg18dl | ||||
| 323 | 6684732 | 2.15 | 2.56 | |
| Anschlagring außen C-9 alte Art.nr. 993-50009-002 | ||||
| 324 | 6695281 | 1.15 | 1.37 | |
| Kugellager Cg24ekd | ||||
| 325 | 6684735 | 8.58 | 10.20 | |
| Getriebegehäuse 24 Dia | ||||
| 326 | 6688815 | 12.38 | 14.73 | |
| Schraube 5x12ws alte Art.nr. 994-16050-121 | ||||
| 327 | 6695414 | 1.15 | 1.37 | |
| Ölschraube | ||||
| 328 | 6689109 | 1.15 | 1.37 | |
| Kugellager 626 | ||||
| 329 | 6695567 | 4.45 | 5.30 | |
| Getriebewelle alte Art.nr. 304-38360-20 For Europ | ||||
| 330 | 6688948 | 9.74 | 11.59 | |
| Kugellager 6000d | ||||
| 331 | 6695527 | 6.60 | 7.85 | |
| STOPFENRING C-26, innen (ALT 993-51026-002) | ||||
| 332 | 6695294 | 1.15 | 1.37 | |
| Messerhalterung alte Art.nr.310-38360-20 | ||||
| 333 | 6689033 | 6.44 | 7.66 | |
| Kappe f. Messerhalterung alte Art.nr. 311-38360-2 | ||||
| 334 | 6689056 | 3.30 | 3.93 | |
| Schutzabdeckung alte Art.nr. 308-38360-20 For Eur | ||||
| 335 | 6688996 | 3.30 | 3.93 | |
| Messer Feststellmutter Linksgewinde alte Art.nr. | ||||
| 336 | 6689075 | 1.15 | 1.37 | |
| Getriebeabdeckung alte Art.nr.303-38360-20 | ||||
| 337 | 6688917 | 2.31 | 2.75 | |
| Schraube 5x12ws alte Art.nr. 994-16050-121 | ||||
| 338 | 6695414 | 1.15 | 1.37 | |
| Zahnrad/ritzel Set alte Art.nr. 301-38360-00 | ||||
| 339 | 6688883 | 13.91 | 16.56 | |
| HEX. LOCHKNOPFSCHRAUBE 6X25S (ALT 994-81060-254) | ||||
| 340 | 6684714 | 2.15 | 2.56 | |
| Halterung f. Abdeckung 24 Till D240050 For Europe | ||||
| 341 | 6690317 | 3.30 | 3.93 | |
| Halterung f. Abdeckung Since D240051 For Europe,a | ||||
| 341A | 6690318 | 5.11 | 6.08 | |
| Blattschutz 26 Ce Till D168500 For Europe | ||||
| 342 | 6690242 | 16.64 | 19.80 | |
| Blattschutz Cg24ekd Since D240051 For Europe,aus, | ||||
| 342A | 6684747 | 30.70 | 36.53 | |
| Sicherheitsabdeckung Cg24ekd, Cg18dal, Cg18dl | ||||
| 343 | 6684748 | 4.29 | 5.10 | |
| Nicht mehr lieferbar, kein Ersatz | ||||
| 344 | 6690372 | |||
| Sicherheitsabdeckung Cg24ekd Since D240051 For Eu | ||||
| 344A | 6684749 | 14.98 | 17.82 | |
| Messer Till D068890 Except For Usa | ||||
| 345 | 6693386 | 4.45 | 5.30 | |
| Messer Cg24ekd For Irl | ||||
| 345A | 6684750 | 4.29 | 5.10 | |
| Schraube 5x12/s alte Art.nr. 994-14050-121 Till D | ||||
| 346 | 6695334 | 1.15 | 1.37 | |
| Schneidschraube Cg24ekd | ||||
| 346A | 6684751 | 2.15 | 2.56 | |
| Sechskantmutter 5 | ||||
| 347 | 6684965 | 1.04 | 1.23 | |
| Abstandshalter Till D240050 For Europe,aus,irl | ||||
| 348 | 6690332 | 1.15 | 1.37 | |
| Schneidschraube Cg24ekb, Cg18dal, Cg18dl For Aus | ||||
| 349 | 6684753 | 2.15 | 2.56 | |
| Messer Cg24ekb, Cg18dal, Cg18dl Till H130080 Exce | ||||
| 350 | 6684754 | 8.58 | 10.20 | |
| Keine Informationen verfügbar, nicht bestellbar | ||||
| 501 | 6684813 | |||
| Ringschlüssel Kombi alte Art.nr.829-29005-2h | ||||
| 502 | 6693588 | 3.30 | 3.93 | |
| Keine Informationen verfügbar, nicht bestellbar | ||||
| 504A | 875769 | |||
| Keine Informationen verfügbar, nicht bestellbar | ||||
| 507 | 6695795 | |||
| Keine Informationen verfügbar, nicht bestellbar | ||||
| 521 | 6695783 | |||
| Schneidegehäuse For Europe (till C133700 For Aus) | ||||
| 522 | 6693273 | 17.55 | 20.88 | |
| Spezialmutter For Europe (till C133700 For Aus) | ||||
| 523 | 6689103 | 9.74 | 11.59 | |
| Rollfeder alte Art.nr. 793-38454-20 Since Tl06052 | ||||
| 524 | 6693380 | 3.30 | 3.93 | |
| Kabelschuh Cg24ekb Since Tl060521 | ||||
| 525 | 6684810 | 2.15 | 2.56 | |
| Spule For Europe (till C133700 For Aus) | ||||
| 526 | 6693294 | 11.05 | 13.15 | |
| Nicht mehr lieferbar, kein Ersatz | ||||
| 527 | 6693340 | |||
| Keine Informationen verfügbar, nicht bestellbar | ||||
| 528 | 6697932 | |||
| Typenschild alte Art.nr.906-07134-20 | ||||
| 601 | 6694220 | 1.15 | 1.37 | |
| Symbolmarkierung alte Art.nr. 929-07137-20 | ||||
| 602 | 6694639 | 1.15 | 1.37 | |
| Keine Informationen verfügbar, nicht bestellbar | ||||
| 603 | 6697851 | |||