Hier finden Sie alle verfügbaren Teile und Zeichnungen der 'Hikoki TBC-430PF'. Von hier aus können Sie alle gewünschten Teile direkt bestellen. Viele Teile müssen je nach Marke beim Hersteller bestellt werden, dies dauert ein bis vier Wochen. Alle Informationen, die wir haben, befinden sich auf unserer Website. Wir können Sie nicht beraten, was Sie benötigen. Dazu müssen Sie die Maschine zur Reparatur zurücksenden. Bitte beachten Sie bei der Bestellung Folgendes:
Zeichnungen der Hikoki TBC-430PF
Teileliste der Hikoki TBC-430PF
| Pos. | Beschreibung | Preis ohne MwSt | Preis inkl. MwSt | |
| Die angegebenen Preise enthalten die Mehrwertsteuer | ||||
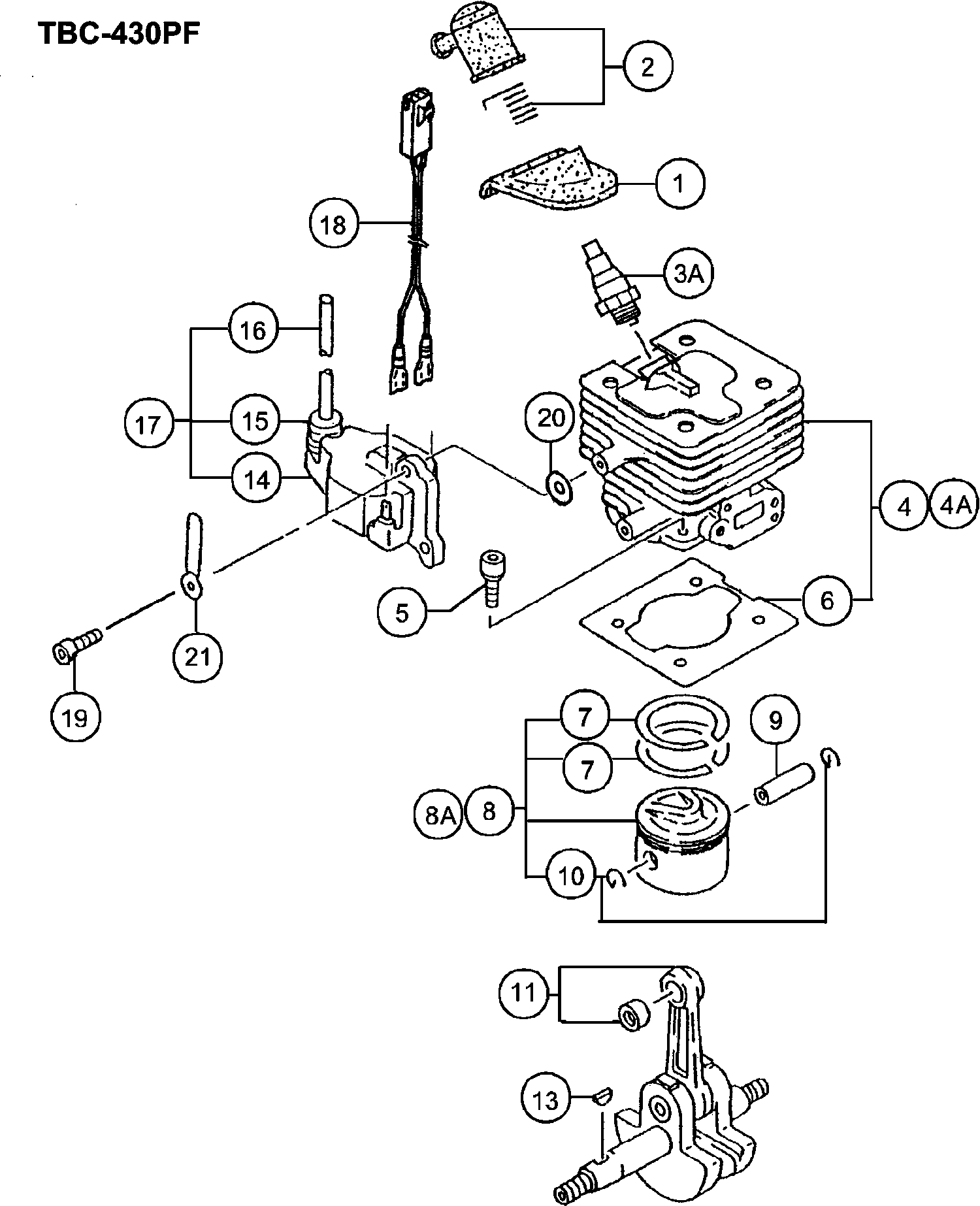
| Gummiabdeckung f. Zündkerze Till J032440 | ||||
| 1 | 6688336 | 3.30 | 3.93 | |
| Zündkerzenkappe kpl. alte Art.nr .157-11666-90 | ||||
| 2 | 6687479 | 2.31 | 2.75 | |
| Zündkerzenbaugruppe (alt 6685085) | ||||
| 3A | 6699317 | 6.76 | 8.05 | |
| Keine Informationen verfügbar, nicht bestellbar | ||||
| 4 | 6685476 | |||
| CYLINDER SET PN (OLD 001-04413-90) | ||||
| 4A | 6685477 | 48.02 | 57.14 | |
| Keine Informationen verfügbar, nicht bestellbar | ||||
| 5 | 6684668 | |||
| Zylinderdichtung alte Art.nr. 017-04400-20 | ||||
| 6 | 6685741 | 2.31 | 2.75 | |
| Kolbenring alte Art.nr. 041-04050-20 | ||||
| 7 | 6686123 | 4.45 | 5.30 | |
| Keine Informationen verfügbar, nicht bestellbar | ||||
| 8 | 6685889 | |||
| Kolben Set alte Art.nr. 030-0423z-90 | ||||
| 8A | 6685888 | 26.16 | 31.13 | |
| Kolbenbolzen 10x30 alte Art.nr. 037-01000-20 | ||||
| 9 | 6686007 | 2.31 | 2.75 | |
| Sicherungsring f. Kolbenbolzen alte Art.nr. 039-0 | ||||
| 10 | 6686032 | 1.15 | 1.37 | |
| Kurbelwelle kpl. alte Art.nr. 046-04400-80 | ||||
| 11 | 6686192 | 84.40 | 100.44 | |
| Scheibenfeder 3x13x5 alte Art.nr. 068-02000-20 | ||||
| 13 | 6686457 | 1.15 | 1.37 | |
| Zündspule kpl. alte Art.nr. 167-20543-80 | ||||
| 14 | 6687655 | 36.15 | 43.02 | |
| Gummikappe Cg24ekb Till G165840 | ||||
| 15 | 6684602 | 2.15 | 2.56 | |
| Hochspannungskabel | ||||
| 16 | 6687885 | 1.15 | 1.37 | |
| Zündspule | ||||
| 17 | 6687657 | 30.25 | 36.00 | |
| Hauptkabel kpl. | ||||
| 18 | 6687970 | 4.45 | 5.30 | |
| Schraube 4x18/ws alte Art.nr. 994-16040-183 | ||||
| 19 | 6695406 | 1.15 | 1.37 | |
| Unterlegscheibe Cg24ekb | ||||
| 20 | 6684600 | 2.15 | 2.56 | |
| Kabelklemme kpl. | ||||
| 21 | 6688011 | 1.15 | 1.37 | |
| Störschutz | ||||
| 41 | 6688348 | 4.45 | 5.30 | |
| Sechskantbolzen Cg24ekb | ||||
| 42 | 6684634 | 2.15 | 2.56 | |
| Kurbelgehäuse kpl. alte Art.nr. 072-04400-91 | ||||
| 43 | 6686559 | 50.21 | 59.75 | |
| Dichtung f. Kurbelgehäuse alte Art.nr. 090-04400- | ||||
| 45 | 6686715 | 1.15 | 1.37 | |
| Öldichtung Ud15257 alte Art.nr. 999-66152-564 | ||||
| 46 | 6695637 | 3.30 | 3.93 | |
| Keine Informationen verfügbar, nicht bestellbar | ||||
| 47 | 6695557 | |||
| Zwischenlegering 0.10 f. Kurbelwelle | ||||
| 48 | 6686470 | 1.15 | 1.37 | |
| Zwischenlegering 0.20 f. Kurbelwelle alte Art.nr. | ||||
| 48 | 6686472 | 1.15 | 1.37 | |
| Zwischenlegering 0.30 f. Kurbelwelle alte Art.nr. | ||||
| 48 | 6686473 | 1.15 | 1.37 | |
| Sechskantbolzen Cg24ekb | ||||
| 49 | 6684786 | 2.15 | 2.56 | |
| Magnetzünder Rotor kpl alte Art.nr. 155-20538-80 | ||||
| 50 | 6687372 | 19.96 | 23.76 | |
| Ring | ||||
| 51 | 6695198 | 1.15 | 1.37 | |
| Keine Informationen verfügbar, nicht bestellbar | ||||
| 52 | 6695138 | |||
| Lüftergehäuse | ||||
| 53 | 6686982 | 22.24 | 26.46 | |
| Keine Informationen verfügbar, nicht bestellbar | ||||
| 54 | 6684668 | |||
| Primäre Kabel-gummidichtung | ||||
| 55 | 6688057 | 1.15 | 1.37 | |
| Ring | ||||
| 56 | 6685226 | 1.15 | 1.37 | |
| kleine Mutter 10 alte Art.nr. 991-11100-013 | ||||
| 57 | 6695139 | 1.05 | 1.25 | |
| Ansaugkrümmerdichtung | ||||
| 81 | 6689885 | 2.31 | 2.75 | |
| VERGASER-ISOLATOR-SET, ERSATZ (ALT 404-04300-90) | ||||
| 82 | 6689955 | 8.91 | 10.61 | |
| Vergaserdichtung | ||||
| 83 | 6689833 | 1.15 | 1.37 | |
| Manschette | ||||
| 85 | 6690802 | 2.31 | 2.75 | |
| Filtergehäuse kpl. | ||||
| 86 | 6690099 | 5.28 | 6.28 | |
| Drosselventil alte Art.nr. 528-01380-21 | ||||
| 87 | 6691258 | 1.15 | 1.37 | |
| Kontrollschild alte Art.nr.476-01700-20 | ||||
| 88 | 6690843 | 1.15 | 1.37 | |
| Filter Element | ||||
| 89A | 6690352 | 1.15 | 1.37 | |
| Keine Informationen verfügbar, nicht bestellbar | ||||
| 90 | 6684658 | |||
| Filterabdeckung | ||||
| 91 | 6690397 | 3.30 | 3.93 | |
| Spezialschraube | ||||
| 92 | 6689737 | 1.15 | 1.37 | |
| Schraube Cg24ekb nicht mehr lieferbar! alte Art.n | ||||
| 93 | 6684660 | 2.15 | 2.56 | |
| Unterlegscheibe Cg24ekb alte Art.nr. 992-01050-01 | ||||
| 94 | 6684662 | 2.15 | 2.56 | |
| Vergaser Set Pn Since B039001 | ||||
| 95 | 6690476 | 86.36 | 102.77 | |
| Ring | ||||
| 96 | 6693248 | 1.15 | 1.37 | |
| Keine Informationen verfügbar, nicht bestellbar | ||||
| 97 | 6695425 | |||
| Tank Fixiermanschette alte Art.nr.649-01680-20 | ||||
| 98 | 6692182 | 2.31 | 2.75 | |
| Kraftstoffleitung kpl. 3x5x230 neue Art.nr.668461 | ||||
| 99 | 6688166 | 4.29 | 5.10 | |
| SHIELD TUBE ASS'Y | ||||
| 99A | 6697939 | 15.07 | 17.93 | |
| Clipd6new | ||||
| 100A | 6685198 | 1.15 | 1.37 | |
| Keine Informationen verfügbar, nicht bestellbar | ||||
| 101A | 6684620 | |||
| Tank alte Art.nr.591-04413-22 | ||||
| 102 | 6691539 | 11.88 | 14.13 | |
| Tank F T | ||||
| 102A | 6699337 | 23.75 | 28.26 | |
| Hülse Cg24ekb | ||||
| 103 | 6684623 | 2.15 | 2.56 | |
| Sechskantbolzen Cg24ekb | ||||
| 109 | 6684634 | 2.15 | 2.56 | |
| Motorlagerung alte Art.nr. 940-04300-20 | ||||
| 110 | 6694785 | 4.95 | 5.89 | |
| Nicht mehr lieferbar, kein Ersatz | ||||
| 111 | 6684880 | |||
| Nicht mehr lieferbar, kein Ersatz | ||||
| 113 | 6688156 | |||
| Sechskantbolzen Cg24ekb | ||||
| 114 | 6684786 | 2.15 | 2.56 | |
| Unterlegscheibe Rb24e | ||||
| 115 | 6684918 | 2.15 | 2.56 | |
| Pumpenfilter Ass'y | ||||
| 118 | 6601175 | 3.14 | 3.73 | |
| Nicht mehr lieferbar, kein Ersatz | ||||
| 119 | 6691768 | |||
| Entlüftungsventil alte Art.nr.646-06612-90 For Au | ||||
| 122 | 6692171 | 4.95 | 5.89 | |
| Keine Informationen verfügbar, nicht bestellbar | ||||
| 123 | 6697800 | |||
| Lufteinlass alte Art.nr.564-06611-90 Includ.135,1 | ||||
| 124 | 6691389 | 10.23 | 12.17 | |
| Tank alte Art.nr.591-04413-22 | ||||
| 125 | 6691539 | 11.88 | 14.13 | |
| Schalldämpferschutz alte Art.-nr.738-0440a-21 | ||||
| 131 | 6692783 | 12.88 | 15.32 | |
| Sechskantbolzen Cg24ekb alte Art.nr. 994-61050-12 | ||||
| 132 | 6684667 | 2.15 | 2.56 | |
| Sechskantbolzen 6x65 alte Art.nr. 990-51060-653 | ||||
| 134 | 6695067 | 1.15 | 1.37 | |
| Ring | ||||
| 135 | 6684639 | 2.15 | 2.56 | |
| Schalldämpfer Set Pn alte Art.-nr.704-04400-90 Ti | ||||
| 136 | 6692472 | 32.21 | 38.33 | |
| Schalldämpfer Set Pn alte Art.-nr.704-04401-90 Si | ||||
| 136 | 6692473 | 28.14 | 33.48 | |
| Unterlegscheibe Rb24e | ||||
| 137 | 6684918 | 2.15 | 2.56 | |
| Auspuffrohr alte Art.nr.721-04400-20 | ||||
| 138 | 6692652 | 3.30 | 3.93 | |
| Ring | ||||
| 139 | 6685109 | 1.15 | 1.37 | |
| Schalldämpferanschlag alte Art.-nr.732-04400-20 | ||||
| 140 | 6692696 | 2.31 | 2.75 | |
| Schalldämpferdichtung alte Art.-nr.737-04230-20 | ||||
| 141 | 6692741 | 1.15 | 1.37 | |
| Hitzeschutz alte Art.nr. 133-04400-21 | ||||
| 142 | 6687246 | 9.58 | 11.39 | |
| Gummidichtung | ||||
| 144A | 6688050 | 1.15 | 1.37 | |
| Sechskantbolzen Cg24ekd, Cg18dal, Cg18dl | ||||
| 145 | 6684709 | 2.15 | 2.56 | |
| Unterlegscheibe Rb24e | ||||
| 146 | 6684918 | 2.15 | 2.56 | |
| Ring | ||||
| 147 | 6689645 | 1.15 | 1.37 | |
| Kupplungshebel kpl. | ||||
| 148 | 6688614 | 7.93 | 9.43 | |
| Kupplungsfeder | ||||
| 149 | 6689428 | 1.15 | 1.37 | |
| Unterlegscheibe | ||||
| 150 | 6695203 | 1.15 | 1.37 | |
| Kupplungs Stufen Bolzen | ||||
| 151 | 6689632 | 3.30 | 3.93 | |
| Keine Informationen verfügbar, nicht bestellbar | ||||
| 152 | 6699556 | |||
| Kofferaufbau Includ.82-87 | ||||
| 171A | 6697645 | 21.78 | 25.91 | |
| Seilzugstarter Gehäuse alte Art.nr.772-04220-80 T | ||||
| 172 | 6693025 | 14.19 | 16.88 | |
| Recoil Starter Gehäuse Komp. | ||||
| 172A | 6697646 | 11.71 | 13.94 | |
| Starter für Seilhaspel alte Art.nr.769-04220-20 T | ||||
| 173 | 6693007 | 4.95 | 5.89 | |
| Starter Seilrolle | ||||
| 173A | 6697647 | 4.13 | 4.91 | |
| Rückholfeder alte Art.nr. 779-04220-20 Till G1055 | ||||
| 174 | 6693114 | 9.08 | 10.80 | |
| STARTER SPRING | ||||
| 174A | 6697648 | 7.08 | 8.43 | |
| Starterkabel alte Art. Nr. 783-04270-20 Till G105 | ||||
| 175 | 6693165 | 3.30 | 3.93 | |
| STARTER ROPE | ||||
| 175A | 6697649 | 2.64 | 3.14 | |
| Kappe f. Startergriff alte Art.nr.835-04220-20 Ti | ||||
| 176 | 6693607 | 2.31 | 2.75 | |
| Startergriff alte Art.nr. 785-04220-20 Till G1055 | ||||
| 177 | 6693232 | 3.30 | 3.93 | |
| Startergriff Cg24ekb alte Art.nr. 785-03045-20 Fo | ||||
| 177A | 6697650 | 2.80 | 3.33 | |
| Stellschraube alte Art.nr. 839-04220-20 | ||||
| 178 | 6693634 | 1.15 | 1.37 | |
| Startersperre alte Art.nr. 788-0162v-20 Till G105 | ||||
| 179 | 6693302 | 2.31 | 2.75 | |
| Keine Informationen verfügbar, nicht bestellbar | ||||
| 179A | 6697643 | |||
| D4e Sicherungsring (alt 993-55040-001) | ||||
| 180 | 6685101 | 1.15 | 1.37 | |
| Sechskantbolzen Cg24ekb | ||||
| 181 | 6684634 | 2.15 | 2.56 | |
| Feder f. Startersperre alte Art.nr. 790-0162v-20 | ||||
| 182 | 6693345 | 2.31 | 2.75 | |
| Keine Informationen verfügbar, nicht bestellbar | ||||
| 182A | 6697642 | |||
| Starter Riemenscheib alte Art.nr. 798-04220-90 Ti | ||||
| 183 | 6693395 | 11.05 | 13.15 | |
| Starterrolle | ||||
| 183A | 6697644 | 11.05 | 13.15 | |
| Drosselschrauben Set Rb24e | ||||
| 191 | 6684870 | 2.15 | 2.56 | |
| Kabel Justierer Rb24e | ||||
| 192 | 6684873 | 6.44 | 7.66 | |
| Spannschloss Cg24ekb alte Art.nr. 539-25120-20 | ||||
| 193 | 6684697 | 6.44 | 7.66 | |
| Sicherungsscheibe Rb24e | ||||
| 194 | 6684874 | 2.15 | 2.56 | |
| Anschlagring Cg24ekb alte Art.nr. 489-25100-20 | ||||
| 195 | 6684696 | 2.15 | 2.56 | |
| Kabel Justierer Rb24e | ||||
| 196 | 6684871 | 4.29 | 5.10 | |
| O-RING (ALT 550-25100-20) | ||||
| 197 | 6684695 | 4.29 | 5.10 | |
| Hauptdüse #44.5 alte Art.nr. 599-200bw-44 | ||||
| 198 | 6696131 | 6.44 | 7.66 | |
| Verschlussmutter Rb24e | ||||
| 199 | 6684872 | 2.15 | 2.56 | |
| Pumpendichtung alte Art.nr.577-25100-20 | ||||
| 200 | 6691457 | 7.10 | 8.45 | |
| Membranabdeckung Cg24ekb alte Art.nr.576-25100-20 | ||||
| 201 | 6684693 | 8.58 | 10.20 | |
| Schutzsieb Cg24ekb | ||||
| 202 | 6684700 | 4.29 | 5.10 | |
| Pumpengehäuse Rb24e | ||||
| 203 | 6684879 | 62.16 | 73.97 | |
| Membrandichtung Cg24ekb alte Art.nr.475-25153-20 | ||||
| 204 | 6684691 | 8.58 | 10.20 | |
| Nicht mehr lieferbar, kein Ersatz | ||||
| 205 | 6690827 | |||
| Membranabdeckung Cg24ekd alte Art.nr. 476-25151-2 | ||||
| 206 | 6684688 | 8.58 | 10.20 | |
| Stellschraube Cg24ekb alte Art.nr. 548-25151-20 | ||||
| 207 | 6684699 | 2.15 | 2.56 | |
| Filterdichtung Rb24e | ||||
| 208 | 6684875 | 4.29 | 5.10 | |
| Entlüftungspumpe Cg24ekb alte Art.nr. 442-25151-8 | ||||
| 209 | 6684687 | 16.34 | 19.44 | |
| Grundgehäuse Cg24ekb alte Art.nr. 447-25108-20 | ||||
| 210 | 6684689 | 6.44 | 7.66 | |
| Kupplungswelle kpl. | ||||
| 231 | 6688584 | 14.53 | 17.28 | |
| Kugellager #6202z | ||||
| 232 | 6695559 | 6.44 | 7.66 | |
| Anschlagring außen C-15 alte Art.nr. 993-50015-00 | ||||
| 233 | 6695285 | 1.15 | 1.37 | |
| Kupplungsgehäuse | ||||
| 234 | 6689194 | 14.53 | 17.28 | |
| Gummipuffer alte Art.nr.599-04300-20 | ||||
| 236 | 6691829 | 4.45 | 5.30 | |
| Sechskantbolzen 5x16 alte Art.nr. 990-51050-163 | ||||
| 238 | 6695046 | 1.15 | 1.37 | |
| Inbusschraube M6x20 For Usa | ||||
| 239 | 6685064 | 1.15 | 1.37 | |
| Sechskantbolzen 5x25 alte Art.nr. 990-51050-253 | ||||
| 240 | 6695091 | 1.15 | 1.37 | |
| Leitungshalter | ||||
| 242 | 6689655 | 3.30 | 3.93 | |
| Unterlegscheibe Rb24e | ||||
| 243 | 6684918 | 2.15 | 2.56 | |
| Metallfitting | ||||
| 245 | 6689664 | 3.30 | 3.93 | |
| Getriebewelle | ||||
| 261 | 6689471 | 16.64 | 19.80 | |
| Nicht mehr lieferbar, kein Ersatz | ||||
| 262 | 6699277 | |||
| Keine Informationen verfügbar, nicht bestellbar | ||||
| 263 | 6699278 | |||
| Hebemetal, 90 Grad Drehlager (alt 335-37307-20) | ||||
| 264 | 6689274 | 2.31 | 2.75 | |
| Hubmetallmanschette 26 Till J034790 | ||||
| 265 | 6689258 | 2.31 | 2.75 | |
| Sechskantbolzen 5x30.p alte Art.nr. 994-62050-304 | ||||
| 266 | 6695501 | 1.15 | 1.37 | |
| Spezialmutter | ||||
| 267 | 6689100 | 1.15 | 1.37 | |
| Handgriff Cg24eks alte Art.nr. 165,37590-20 | ||||
| 268 | 6684708 | 6.44 | 7.66 | |
| Sechskantbolzen Cg24ekd, Cg18dal, Cg18dl | ||||
| 269 | 6684709 | 2.15 | 2.56 | |
| Griffhalterung Cg24eks | ||||
| 270 | 6684710 | 13.20 | 15.71 | |
| Griffhalter (alt 507-37850-20) Neu | ||||
| 271 | 6691158 | 6.28 | 7.47 | |
| Handgriffhalterung C, 26 Dia. (alt 508-37589-20) N | ||||
| 272 | 6691174 | 3.30 | 3.93 | |
| HEX. LOCHKNOPFSCHRAUBE 6X25S (ALT 994-81060-254) | ||||
| 273 | 6684714 | 2.15 | 2.56 | |
| Keine Informationen verfügbar, nicht bestellbar | ||||
| 274 | 6689291 | |||
| Klammer Cg24eks | ||||
| 275 | 6684715 | 2.15 | 2.56 | |
| linker Ballengriff alte Art.nr. 502-37867-20 | ||||
| 276 | 6696093 | 13.76 | 16.38 | |
| Schutzrohr alte Art.nr. 164-07086-50 | ||||
| 277 | 6687546 | 2.31 | 2.75 | |
| Griff rechts alte Art.nr.501-37867-320 For Europe | ||||
| 278 | 6691080 | 13.53 | 16.09 | |
| Gashebel alte Art.nr. 870-38401-91 | ||||
| 279 | 6693766 | 42.20 | 50.22 | |
| Nicht mehr lieferbar, kein Ersatz | ||||
| 280 | 6684721 | |||
| Rückholfeder Cg24ekb | ||||
| 281 | 6684722 | 2.15 | 2.56 | |
| Drosselklappendraht Cg24eks | ||||
| 282 | 6684723 | 10.23 | 12.17 | |
| Blind Stopfen Cg24ekb | ||||
| 283 | 6684724 | 2.15 | 2.56 | |
| Schraube Cg24ekb | ||||
| 284 | 6684725 | 2.15 | 2.56 | |
| Schraube Cg24eks | ||||
| 285 | 6684726 | 2.15 | 2.56 | |
| Keine Informationen verfügbar, nicht bestellbar | ||||
| 286 | 6684727 | |||
| Stoppschalter alte Art.nr. 156-38401-80 Till C294 | ||||
| 287 | 6687460 | 13.86 | 16.50 | |
| Stoppschalter alte Art.nr. 156-38401-81 Since C29 | ||||
| 287A | 6687461 | 13.86 | 16.50 | |
| Drosselklappen Draht alte Art.nr. 887-38401-80 | ||||
| 288 | 6694023 | 12.54 | 14.92 | |
| Drosselklappen-seil alte Art.nr.885-38401-80 Till | ||||
| 289 | 6693979 | 28.14 | 33.48 | |
| Drosselklappen-seil alte Art.nr.885-38401-80 Sinc | ||||
| 289A | 6693980 | 28.14 | 33.48 | |
| Keine Informationen verfügbar, nicht bestellbar | ||||
| 290 | 6689275 | |||
| Keine Informationen verfügbar, nicht bestellbar | ||||
| 291 | 6689275 | |||
| Getriebegehaeuse | ||||
| 331 | 6688784 | 86.36 | 102.77 | |
| Getriebegehaeuse | ||||
| 331 | 6688813 | 80.31 | 95.57 | |
| Sechskantbolzen Cg24ekd, Cg18dal, Cg18dl | ||||
| 332 | 6684709 | 2.15 | 2.56 | |
| Stop Ring Cg24ekd, Cg18dal, Cg18dl | ||||
| 333 | 6684732 | 2.15 | 2.56 | |
| Anschlagring außen C-9 alte Art.nr. 993-50009-002 | ||||
| 334 | 6695281 | 1.15 | 1.37 | |
| Kugellager Cg24ekd | ||||
| 335 | 6684735 | 8.58 | 10.20 | |
| Kugellager Cg24ekd | ||||
| 336 | 6684734 | 8.58 | 10.20 | |
| Getriebegehäuse silber | ||||
| 337 | 6688685 | 13.86 | 16.50 | |
| Sechskantbolzen 5x10 alte Art.nr. 990-51050-103 | ||||
| 338 | 6695042 | 1.15 | 1.37 | |
| Plus Kopfbolzen 8x10 alte Art.nr. 994-23080-100 | ||||
| 339 | 6695437 | 1.15 | 1.37 | |
| Kugellager 628 St | ||||
| 340 | 6695569 | 4.45 | 5.30 | |
| Getriebewelle alte Art.nr. 304-38331-20 For Europ | ||||
| 341 | 6688947 | 14.55 | 17.31 | |
| Kugellager 6201d | ||||
| 342 | 6695554 | 5.94 | 7.07 | |
| Anschlagring innen C-32 alte Art.nr. 993-51032-00 | ||||
| 343 | 6695295 | 1.15 | 1.37 | |
| Messerhalter 12x10x1 alte Art.nr. 6689017 alte Ar | ||||
| 344 | 6689031 | 11.55 | 13.74 | |
| Kappe f. Messerhalterung 12x10x1 alte Art.nr. 311 | ||||
| 345 | 6689050 | 4.45 | 5.30 | |
| Schutzabdeckung B alte Art.nr. 308-37861-20 | ||||
| 346 | 6688994 | 2.31 | 2.75 | |
| Fixiermutter für Messer L/h | ||||
| 347 | 6689072 | 2.31 | 2.75 | |
| Ring | ||||
| 348 | 6689159 | 1.15 | 1.37 | |
| Ring | ||||
| 349 | 6686453 | 2.31 | 2.75 | |
| HEX. LOCHKNOPFSCHRAUBE 6X25S (ALT 994-81060-254) | ||||
| 350 | 6684714 | 2.15 | 2.56 | |
| Bremsen Till D085850 For Europe | ||||
| 351 | 6690294 | 1.15 | 1.37 | |
| Halterung f. Abdeckung 26 Since D085851 For Europ | ||||
| 351A | 6690315 | 4.45 | 5.30 | |
| Blattschutz 26 Ce Till D168500 For Europe | ||||
| 352 | 6690242 | 16.64 | 19.80 | |
| Blattschutz 26ce Since D168501 For Europe | ||||
| 352A | 6690276 | 17.55 | 20.88 | |
| Sicherheitsabdeckung Cg24ekd, Cg18dal, Cg18dl | ||||
| 353 | 6684748 | 4.29 | 5.10 | |
| Nicht mehr lieferbar, kein Ersatz | ||||
| 354 | 6690372 | |||
| Blattschutz Since D068891 Except For Usa | ||||
| 354A | 6690376 | 9.40 | 11.19 | |
| Messer Till D068890 Except For Usa | ||||
| 355 | 6693386 | 4.45 | 5.30 | |
| Messer Cg24ekd For Irl | ||||
| 355A | 6684750 | 4.29 | 5.10 | |
| Schraube 5x12/s alte Art.nr. 994-14050-121 Till D | ||||
| 356 | 6695334 | 1.15 | 1.37 | |
| Schneidschraube Cg24ekd | ||||
| 356A | 6684751 | 2.15 | 2.56 | |
| Zahnrad/ritzel Teile-set alte Art.nr. 301-37134-0 | ||||
| 357 | 6688868 | 24.20 | 28.80 | |
| Sechskantmutter 5 | ||||
| 358 | 6684965 | 1.04 | 1.23 | |
| Spannstift 10er Pack For Usa | ||||
| 359 | 6689168 | 1.15 | 1.37 | |
| Keine Informationen verfügbar, nicht bestellbar | ||||
| 501 | 6684764 | |||
| Keine Informationen verfügbar, nicht bestellbar | ||||
| 502 | 6684813 | |||
| Messer Abdeckung For (s) | ||||
| 503 | 6684768 | 2.15 | 2.56 | |
| Schneiderdeckel | ||||
| 503A | 6699756 | 1.15 | 1.37 | |
| Keine Informationen verfügbar, nicht bestellbar | ||||
| 504 | 6684765 | |||
| Keine Informationen verfügbar, nicht bestellbar | ||||
| 505 | 6695796 | |||
| Keine Informationen verfügbar, nicht bestellbar | ||||
| 506 | 6693492 | |||
| Keine Informationen verfügbar, nicht bestellbar | ||||
| 511 | 6695784 | |||
| Befestigungsmutter Cg24ekd, Cg18dal, Cg18dl Till | ||||
| 512 | 6684756 | 9.08 | 10.80 | |
| Schneidegehäuse Cg24ekd, Cg18dal, Cg18dl Till Tl0 | ||||
| 513 | 6684757 | 22.69 | 27.00 | |
| Spezial Mutter Cg24ekd, Cg18dal, Cg18dl Till Tl06 | ||||
| 514 | 6684758 | 9.40 | 11.19 | |
| Rollenfeder Cg24ekd, Cg18dal, Cg18dl Till Tl06052 | ||||
| 515 | 6684759 | 4.29 | 5.10 | |
| Spule Cg24ekd, Cg18dal, Cg18dl Till Tl060520 | ||||
| 516 | 6684760 | 15.58 | 18.53 | |
| Schneidegehäuse Cg24eks, Cg18dal, Cg18dl Till Tl0 | ||||
| 517 | 6684761 | 36.15 | 43.02 | |
| Kabelschuh Cg24ekd, Cg18dal, Cg18dl Till Tl060520 | ||||
| 518 | 6684762 | 4.29 | 5.10 | |
| Gewindeschutz Cg24eks alte Art.nr. Cg18dal, Cg18d | ||||
| 519 | 6684763 | 4.29 | 5.10 | |
| Nylonseilschneider | ||||
| 521 | 6601148 | 19.21 | 22.86 | |
| Gehäuse (b) Dh40sr | ||||
| 522 | 6601149 | 10.73 | 12.76 | |
| Mutter (1) | ||||
| 523 | 6601150 | 6.93 | 8.24 | |
| Rollfeder alte Art.nr. 793-38454-20 Since Tl06052 | ||||
| 524 | 6693380 | 3.30 | 3.93 | |
| Leinenhalter | ||||
| 525 | 6601151 | 7.59 | 9.03 | |
| Abdeckung (1) | ||||
| 526 | 6601152 | 7.75 | 9.22 | |
| Kabelschuh Cg24ekb Since Tl060521 | ||||
| 527 | 6684810 | 2.15 | 2.56 | |
| Keine Informationen verfügbar, nicht bestellbar | ||||
| 531 | 6695781 | |||
| Nicht mehr lieferbar, kein Ersatz | ||||
| 532 | 6693271 | |||
| Kabelschuh alte Art.nr.788-33670-21 For Usa | ||||
| 533 | 6693328 | 5.78 | 6.87 | |
| Justier Basis alte Art.nr. 785-33840-20 For Usa | ||||
| 534 | 6693247 | 1.15 | 1.37 | |
| Feder alte Art.nr. 793-33910-20 For Usa | ||||
| 535 | 6693377 | 1.15 | 1.37 | |
| Ring | ||||
| 536 | 6693362 | 1.15 | 1.37 | |
| Kabelrolle Bk For Usa | ||||
| 537 | 6693292 | 13.86 | 16.50 | |
| Stahlkugel alte Art.nr.673-35600-20 | ||||
| 538 | 6692271 | 1.15 | 1.37 | |
| Rollenschieber alte Art.nr.790-33810-20 For Usa | ||||
| 539 | 6693358 | 1.15 | 1.37 | |
| Nicht mehr lieferbar, kein Ersatz | ||||
| 540 | 6693338 | |||
| Befestigungsmutter L-m10x1.25 For Usa | ||||
| 541 | 6689098 | 6.44 | 7.66 | |
| Keine Informationen verfügbar, nicht bestellbar | ||||
| 543 | 6697908 | |||
| Gewindeschutz alte Art.nr. 307-38100-20 For Usa | ||||
| 544 | 6688986 | 3.30 | 3.93 | |
| Symbolmarkierung alte Art.nr 929-04400-20 | ||||
| 601 | 6694625 | 2.10 | 2.50 | |
| Namensschild, Tbc-430pf (alte 906-48101-20) | ||||
| 602 | 6694351 | 1.15 | 1.37 | |
| Symbol Makierung alte Art.nr. 929-38100-20 | ||||
| 603 | 6694741 | 3.30 | 3.93 | |