Hier finden Sie alle verfügbaren Teile und Zeichnungen der 'Hikoki TC-3301'. Von hier aus können Sie alle gewünschten Teile direkt bestellen. Viele Teile müssen je nach Marke beim Hersteller bestellt werden, dies dauert ein bis vier Wochen. Alle Informationen, die wir haben, befinden sich auf unserer Website. Wir können Sie nicht beraten, was Sie benötigen. Dazu müssen Sie die Maschine zur Reparatur zurücksenden. Bitte beachten Sie bei der Bestellung Folgendes:
Zeichnungen der Hikoki TC-3301
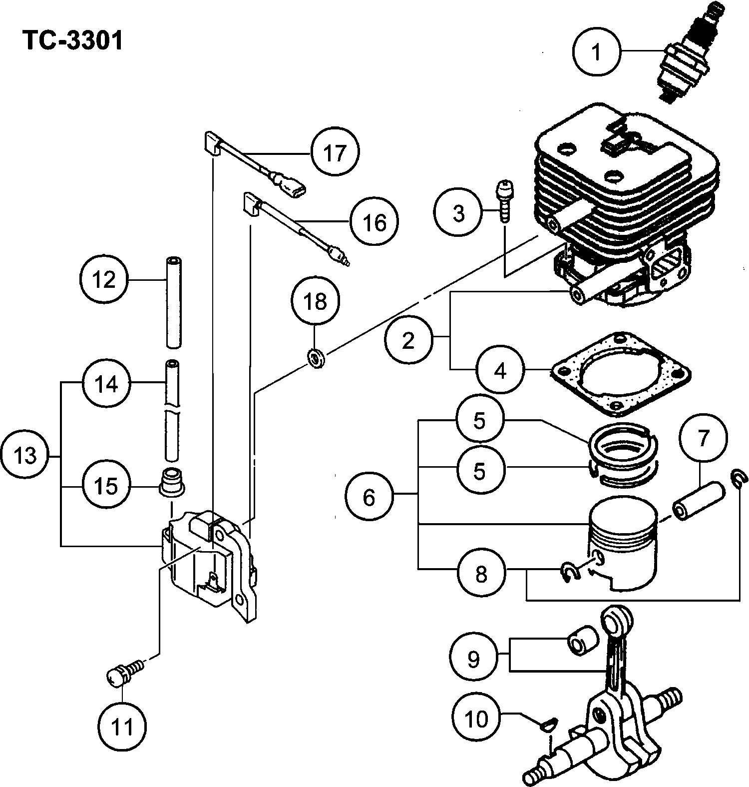
Teileliste der Hikoki TC-3301
| Pos. | Beschreibung | Preis ohne MwSt | Preis inkl. MwSt | |
| Die angegebenen Preise enthalten die Mehrwertsteuer | ||||
| Zündkerze Cj6y (alt 6685772) | ||||
| 1 | 6699323 | 2.48 | 2.95 | |
| Zylinder-set alte Art.nr. 001-07031-91 | ||||
| 2 | 6685487 | 52.34 | 62.28 | |
| Sechskantbolzen Rb24e | ||||
| 3 | 6684903 | 2.15 | 2.56 | |
| Zylinderdichtung alte Art.nr. 017-07020-20 | ||||
| 4 | 6685746 | 1.15 | 1.37 | |
| Kolbenring | ||||
| 5 | 6685331 | 4.05 | 4.82 | |
| Kolben Set alte Art.nr. 030-07030-91 | ||||
| 6 | 6685898 | 24.20 | 28.80 | |
| Kolbenbolzen alte Art.nr. 037-01400-20 | ||||
| 7 | 6686008 | 2.31 | 2.75 | |
| Sicherungsring neue Art.nr. 039-00000-20 | ||||
| 8 | 6685078 | 1.15 | 1.37 | |
| Kurbelwelle alte Art.nr. 046-07221-80 | ||||
| 9 | 6696499 | 67.00 | 79.73 | |
| Scheibenfeder 3x13x4.5 alte Art.nr. 068-10100-20 | ||||
| 10 | 6684899 | 2.15 | 2.56 | |
| Hochspannungsschraube 4x18ws alte Art.nr. 994-160 | ||||
| 11 | 6695407 | 1.15 | 1.37 | |
| Isolierte Röhre 110l | ||||
| 12 | 6688319 | 1.15 | 1.37 | |
| Zündspule Ass'y (alt 6687665/6699774) | ||||
| 13 | 6699772 | 17.85 | 21.24 | |
| Hochspannungskabel 140l Till G165840 | ||||
| 14 | 6687888 | 2.31 | 2.75 | |
| Gummikappe Cg24ekb Till G165840 | ||||
| 15 | 6684602 | 2.15 | 2.56 | |
| Kabel B 200m | ||||
| 16 | 6687934 | 3.00 | 3.57 | |
| Kabel B 200m | ||||
| 17 | 6687872 | 3.00 | 3.57 | |
| Unterlegscheibe Cg24ekb | ||||
| 18 | 6684600 | 2.15 | 2.56 | |
| Kurbelgehäuse kpl. alte Art.nr. 072-07020-90 | ||||
| 21 | 6686580 | 38.26 | 45.53 | |
| Öldichtung Cg24ekb | ||||
| 22 | 6684607 | 4.29 | 5.10 | |
| Kugellager Cg24ekb | ||||
| 23 | 6684608 | 3.80 | 4.52 | |
| Dichtung f. Kurbelgehäuse alte Art.nr. 090-07020- | ||||
| 24 | 6686721 | 1.15 | 1.37 | |
| Getriebewelle Cg24ekb | ||||
| 25 | 6684604 | 2.15 | 2.56 | |
| Getriebewelle Cg24ekb | ||||
| 25 | 6684605 | 2.15 | 2.56 | |
| Magnetzünder Rotor kpl. alte Art.nr. 155-20549-80 | ||||
| 26 | 6687375 | 20.11 | 23.93 | |
| Sechskantmutter Cg24ekb | ||||
| 27 | 6684612 | 2.15 | 2.56 | |
| Ring | ||||
| 28 | 6695184 | 1.15 | 1.37 | |
| Sechskantbolzen Rb24e | ||||
| 29 | 6684903 | 2.15 | 2.56 | |
| Keine Informationen verfügbar, nicht bestellbar | ||||
| 30 | 6695420 | |||
| Lüftergehäuse | ||||
| 31 | 6687022 | 18.75 | 22.31 | |
| Primäre Kabel-gummidichtung | ||||
| 32 | 6688057 | 1.15 | 1.37 | |
| Ansaugkrümmerdichtung | ||||
| 41 | 6689858 | 1.15 | 1.37 | |
| Ansaugkrümmerdichtung | ||||
| 42 | 6689861 | 1.15 | 1.37 | |
| Ansaugkrümmer Set | ||||
| 43 | 6689916 | 5.61 | 6.68 | |
| Ansaugkrümmer | ||||
| 44 | 6689794 | 4.45 | 5.30 | |
| Sechskantbolzen Cg24ekd, Cg18dal, Cg18dl | ||||
| 45 | 6684709 | 2.15 | 2.56 | |
| Pet-absperrhahn alte Art:nr.592-00750-90 | ||||
| 46 | 6691651 | 6.93 | 8.24 | |
| Schalldämpferschutz alte Art.-nr.738-0720f-20 | ||||
| 51 | 6692810 | 7.75 | 9.22 | |
| Keine Informationen verfügbar, nicht bestellbar | ||||
| 52 | 6692497 | |||
| Sechskantbolzen Cg24ekb | ||||
| 53 | 6684638 | 2.15 | 2.56 | |
| Ring | ||||
| 54 | 6684639 | 2.15 | 2.56 | |
| Hitzeschild alte Art.nr. 133-07020-21 | ||||
| 55 | 6687260 | 3.30 | 3.93 | |
| Schalldämpferdichtung alte Art.-nr.737-0165a-20 | ||||
| 56 | 6692732 | 1.15 | 1.37 | |
| Ring | ||||
| 57 | 6689645 | 1.15 | 1.37 | |
| Kupplungshebel kpl. | ||||
| 58 | 6688610 | 7.59 | 9.03 | |
| Unterlegscheibe | ||||
| 59 | 6695203 | 1.15 | 1.37 | |
| Kupplungs Stufen Bolzen | ||||
| 60 | 6689628 | 2.31 | 2.75 | |
| Kupplungsfeder | ||||
| 61 | 6689420 | 2.31 | 2.75 | |
| Sechskantbolzen 4x20ps alte Art.nr. 994-63040-205 | ||||
| 62 | 6695503 | 1.15 | 1.37 | |
| Schraube 4x15ps alte Art.nr. 994-15040-151 | ||||
| 63 | 6695373 | 1.15 | 1.37 | |
| Zündkerzenkappe kpl. alte Art.nr. 157-01570-90 Ti | ||||
| 64 | 6687468 | 2.31 | 2.75 | |
| Starter kpl. alte Art.nr.762-0720f-92 alte Art.nr | ||||
| 81 | 6692991 | 20.11 | 23.93 | |
| Seilzugstarter Gehäuse kpl. Since C237092 | ||||
| 82 | 6693040 | 7.75 | 9.22 | |
| Starterkabel Cg24ekb alte Art.nr. 783-0720f-20 Fo | ||||
| 83 | 6684674 | 4.29 | 5.10 | |
| Rückholfeder Cg24ekb alte Art.nr. 783-0720f-20 Ti | ||||
| 84 | 6684675 | 11.55 | 13.74 | |
| Nicht mehr lieferbar, kein Ersatz | ||||
| 85 | 6693081 | |||
| Dämpfungsfeder Cg24ekb alte Art.nr. 758-0651h-20 | ||||
| 86 | 6684677 | 8.58 | 10.20 | |
| Keine Informationen verfügbar, nicht bestellbar | ||||
| 87 | 6692938 | |||
| Einstellschraube (alte 839-03045-20) | ||||
| 88 | 6684679 | 2.15 | 2.56 | |
| Startergriff Cg24ekb alte Art.nr. 785-03045-20 Fo | ||||
| 89 | 6684680 | 2.15 | 2.56 | |
| Ring | ||||
| 90 | 6689645 | 1.15 | 1.37 | |
| Starterscheibe Cg24ekb alte Art.nr. 798-0651h-90 | ||||
| 91 | 6684681 | 13.20 | 15.71 | |
| Startersperre Cg24ekb alte Art.nr.788-0651h-20 | ||||
| 92 | 6684685 | 4.29 | 5.10 | |
| Feder f. Startersperre Cg24ekb | ||||
| 93 | 6684684 | 4.29 | 5.10 | |
| D4e Sicherungsring (alt 993-55040-001) | ||||
| 94 | 6685101 | 1.15 | 1.37 | |
| Filter kpl. | ||||
| 101 | 6690049 | 9.58 | 11.39 | |
| Filtergehäuse | ||||
| 102 | 6690125 | 4.50 | 5.36 | |
| Filter Element | ||||
| 103 | 6690348 | 1.15 | 1.37 | |
| Filter Befestigungsbasis | ||||
| 104 | 6690194 | 2.31 | 2.75 | |
| Schraube 4x25/ws alte Art.nr. 994-16040-251 | ||||
| 105 | 6695411 | 1.15 | 1.37 | |
| Vergaserdichtung | ||||
| 121 | 6690559 | 70.33 | 83.69 | |
| Kabeljustierer alte Art.nr.597-20110-20 | ||||
| 122 | 6691799 | 2.31 | 2.75 | |
| Gehäusedeckel alte Art.nr.595-21303-20 | ||||
| 123 | 6691777 | 3.00 | 3.57 | |
| Drosselventilfeder alte Art.nr.594-20110-20 | ||||
| 124 | 6691703 | 1.15 | 1.37 | |
| Aufnahme f. Drosselfeder alte Art.nr.619-20110-20 | ||||
| 125 | 6692025 | 1.15 | 1.37 | |
| Nadeldüsen-clip alte Art.nr.593-20400-20 | ||||
| 126 | 6691693 | 1.15 | 1.37 | |
| Nadeldüse alte Art.nr.592-2062t-92 | ||||
| 127 | 6691681 | 5.70 | 6.78 | |
| Drosselventil alte Art.nr.591-2030t-20 | ||||
| 128 | 6691630 | 15.40 | 18.33 | |
| Justierschraube alte Art.nr.622-21655-20 | ||||
| 129 | 6692037 | 4.05 | 4.82 | |
| Justierfeder alte Art.nr.623-21700-20 | ||||
| 130 | 6692044 | 1.15 | 1.37 | |
| Schraube 3x6 alte Art.nr. 990-11030-061 | ||||
| 131 | 6694855 | 1.15 | 1.37 | |
| O Ring A alte Art.nr.551-20703-20 | ||||
| 132 | 6691326 | 2.31 | 2.75 | |
| Gestänge alte Art.nr.628-20112-20 | ||||
| 133 | 6692071 | 4.35 | 5.18 | |
| Stift für Schwimmergestänge neue Art.nr.605-20202 | ||||
| 134 | 6691959 | 1.05 | 1.25 | |
| Düsennadel 2080 alte Art.nr.598-2017t-80 | ||||
| 135 | 6691819 | 10.05 | 11.96 | |
| Hauptdüse alte Art.nr.599-2000t-55 | ||||
| 136 | 6691841 | 4.45 | 5.30 | |
| Schwimmer alte Art.nr.604-21014-20 | ||||
| 137 | 6691950 | 4.79 | 5.70 | |
| Dichtung f. Schwimmerkammer alte Art.nr.607-21655 | ||||
| 138 | 6691989 | 3.00 | 3.57 | |
| Schwimmergehäuse alte Art.nr.606-21655-20 | ||||
| 139 | 6691976 | 15.26 | 18.16 | |
| Schraube 4x16/s alte Art.nr. 994-14040-161 | ||||
| 140 | 6695328 | 1.15 | 1.37 | |
| Einfüllstutzen alte Art-nr.501-21500-20 | ||||
| 141 | 6691061 | 5.85 | 6.96 | |
| Dichtung f. Tanköffnung alte Art.nr.500-21700-20 | ||||
| 142 | 6691026 | 1.15 | 1.37 | |
| Flanschdichtung alte Art.nr.571-20400-20 | ||||
| 143 | 6691411 | 1.15 | 1.37 | |
| Gehäuseband alte Art.nr.561-21655-90 | ||||
| 144 | 6691375 | 7.80 | 9.28 | |
| Keine Informationen verfügbar, nicht bestellbar | ||||
| 145 | 6691338 | |||
| Ablaßschraube alte Art.nr.629-20445-20 | ||||
| 146 | 6692091 | 1.15 | 1.37 | |
| Schraube 4x6 alte Art.nr. 990-11040-061 | ||||
| 147 | 6694860 | 1.15 | 1.37 | |
| Nadelventil alte Art.nr.603-21655-80 | ||||
| 148 | 6691938 | 10.95 | 13.03 | |
| Drosselklappen-seil alte Art.nr.885-0147f-80 | ||||
| 151 | 6693858 | 4.05 | 4.82 | |
| Motor Basis B kpl. | ||||
| 152 | 6688151 | 11.71 | 13.94 | |
| Keine Informationen verfügbar, nicht bestellbar | ||||
| 153 | 6695382 | |||
| Verbindungsgehäuse alte Art.nr. 888-06031-20 | ||||
| 154 | 6694031 | 1.49 | 1.77 | |