Hier finden Sie alle verfügbaren Teile und Zeichnungen der 'Hikoki VTP-16A'. Von hier aus können Sie alle gewünschten Teile direkt bestellen. Viele Teile müssen je nach Marke beim Hersteller bestellt werden, dies dauert ein bis vier Wochen. Alle Informationen, die wir haben, befinden sich auf unserer Website. Wir können Sie nicht beraten, was Sie benötigen. Dazu müssen Sie die Maschine zur Reparatur zurücksenden. Bitte beachten Sie bei der Bestellung Folgendes:
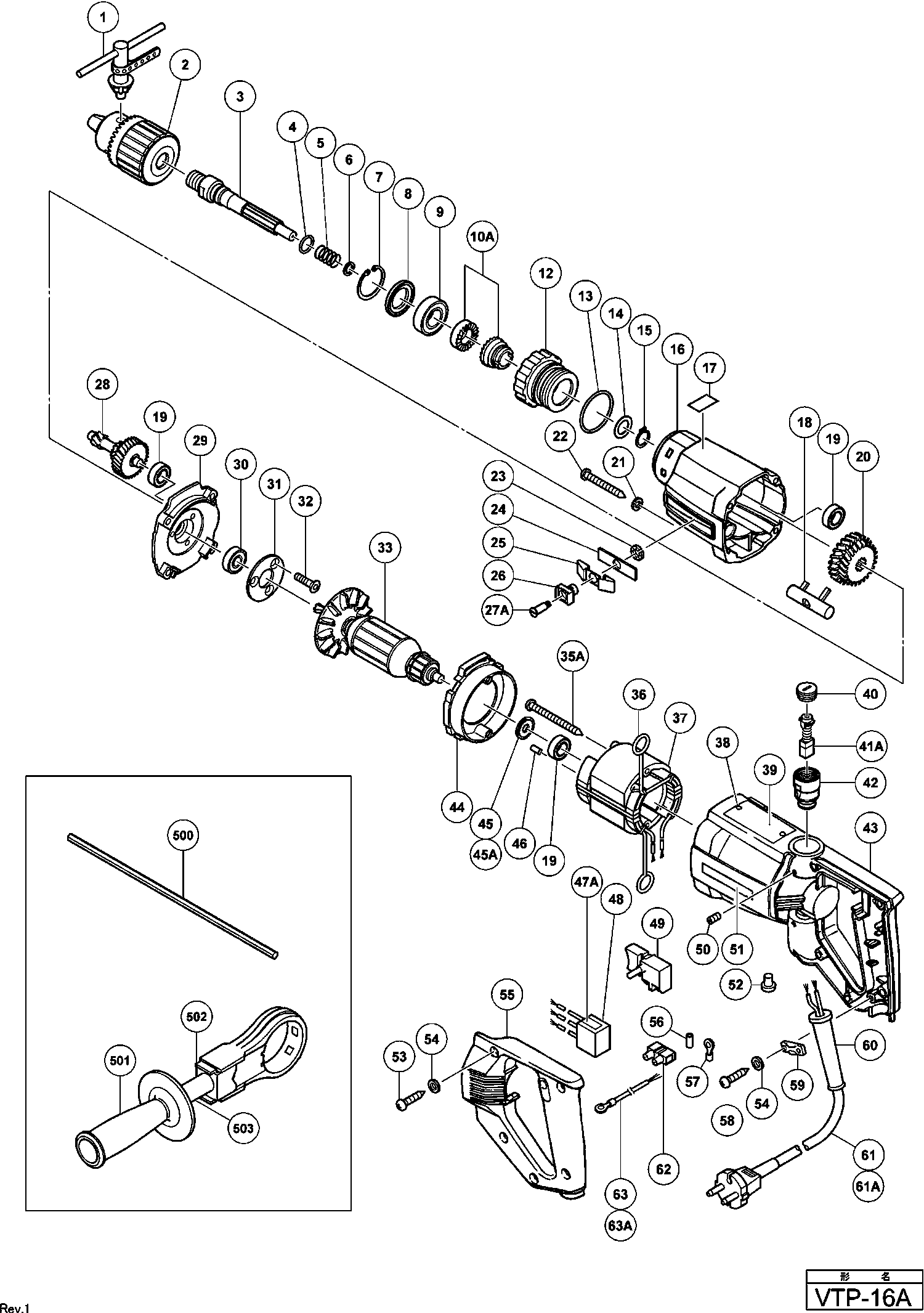
Zeichnungen der Hikoki VTP-16A
Teileliste der Hikoki VTP-16A
| Pos. | Beschreibung | Preis ohne MwSt | Preis inkl. MwSt | |
| Die angegebenen Preise enthalten die Mehrwertsteuer | ||||
| Anker 230v | ||||
| *33 | 981611E | 134.20 | 159.70 | |
| Anker 240V (ALT 981611H) | ||||
| *33 | 981611F | 134.20 | 159.70 | |
| Stator Ass'y 240v Includ.103 | ||||
| *37 | 981610F | 47.44 | 56.45 | |
| Stator Ass'y 240v Includ.103 | ||||
| *37 | 981610H | 46.75 | 55.63 | |
| Feld | ||||
| *37 | 981610E | 46.75 | 55.63 | |
| Schalter | ||||
| *49 | 971667Z | 20.21 | 24.05 | |
| Schalter | ||||
| *49 | 957747 | 14.03 | 16.69 | |
| Kabelknickschutz D10.1 Div.typen, C8fshe, C8fse | ||||
| *60 | 938051 | 1.04 | 1.23 | |
| Keine Informationen verfügbar, nicht bestellbar | ||||
| *61 | 500439Z | |||
| Keine Informationen verfügbar, nicht bestellbar | ||||
| *61A | 500505Z | |||
| Keine Informationen verfügbar, nicht bestellbar | ||||
| 1 | 930733 | |||
| Keine Informationen verfügbar, nicht bestellbar | ||||
| 2 | 950284 | |||
| Gelenkwelle (a) | ||||
| 3 | 981566 | 23.93 | 28.47 | |
| O-ring (s-14) Dh15dv/dh20dv/vtv16 | ||||
| 4 | 876319 | 1.65 | 1.96 | |
| Feder Vtv16 | ||||
| 5 | 981568 | 1.04 | 1.23 | |
| Unterlegscheibe | ||||
| 6 | 971657 | 1.05 | 1.25 | |
| Sicherungsring D35 (innen) 10st | ||||
| 7 | 939556 | 10.20 | 12.14 | |
| Dichtung | ||||
| 8 | 981572 | 3.30 | 3.93 | |
| Kugellager 6003 Vv | ||||
| 9 | 6003VV | 7.65 | 9.10 | |
| Ratsche (a+b) Satz Vtv16 | ||||
| 10A | 981592 | 25.99 | 30.93 | |
| Ring | ||||
| 12 | 981571 | 29.29 | 34.85 | |
| O-ring (s-38) H65sd/h90sc/se H30pv | ||||
| 13 | 980717 | 1.35 | 1.61 | |
| Unterlegscheibe | ||||
| 14 | 971736 | 1.05 | 1.25 | |
| Sicherungsring D14 (10st) | ||||
| 15 | 939543 | 2.55 | 3.03 | |
| Getriebegehaeuse | ||||
| 16 | 981564 | 29.15 | 34.69 | |
| LABEL | ||||
| 17 | 971661 | 1.00 | 1.19 | |
| Schiebestab Vtv16 | ||||
| 18 | 981573 | 9.60 | 11.42 | |
| Kugellager 608 Vvm, C8fshe, Cm5sb, C8fse, H41mb | ||||
| 19 | 608VVM | 5.70 | 6.78 | |
| Zahnrad Vtv16 | ||||
| 20 | 981570 | 40.84 | 48.60 | |
| Federscheibe M5 (10st), C8fshe, C8fse | ||||
| 21 | 949454 | 1.04 | 1.23 | |
| Schneidschraube D5x45 | ||||
| 22 | 955912 | 1.05 | 1.25 | |
| Unterlegscheibe | ||||
| 23 | 942864 | 1.05 | 1.25 | |
| Verschlussplatte Vtv16 | ||||
| 24 | 981574 | 1.05 | 1.25 | |
| Schiebefeder Vtv16 | ||||
| 25 | 981575 | 1.05 | 1.25 | |
| Schiebehebel Vtv16 | ||||
| 26 | 981576 | 2.40 | 2.86 | |
| Schraube | ||||
| 27A | 981577 | 5.25 | 6.25 | |
| Zweites Ritzel Vtv16 | ||||
| 28 | 981569 | 35.06 | 41.72 | |
| Innendeckel Vtv16 Includ.19,30-32 | ||||
| 29 | 981581 | 32.18 | 38.29 | |
| Kugellager 609 Vvm | ||||
| 30 | 609VVM | 6.00 | 7.14 | |
| Lagerhalter Vtv16 | ||||
| 31 | 981585 | 2.70 | 3.21 | |
| Inbus-senkkopfschraube M5x16 (selbstsichernd) | ||||
| 32 | 981588 | 1.04 | 1.23 | |
| Anker 240V (ALT 981611H) | ||||
| 33 | 981611F | 134.20 | 159.70 | |
| Anker 230v | ||||
| 33 | 981611E | 134.20 | 159.70 | |
| Schneidschraube D5x60 | ||||
| 35A | 991007 | 1.35 | 1.61 | |
| Kohlenhalterklemme Dh28y u.a. H30pv/vb16y/dh30pc/ | ||||
| 36 | 930703 | 2.40 | 2.86 | |
| Stator Ass'y 240v Includ.103 | ||||
| 37 | 981610F | 47.44 | 56.45 | |
| Stator Ass'y 240v Includ.103 | ||||
| 37 | 981610H | 46.75 | 55.63 | |
| Feld | ||||
| 37 | 981610E | 46.75 | 55.63 | |
| Kohlenkappe C6u/cr12v u.a.. | ||||
| 40 | 961781 | 2.55 | 3.03 | |
| Kohlebürsten Selbstabsch.(paar) H41mb | ||||
| 41A | 999073 | 14.40 | 17.14 | |
| Kohlekasten Zsb | ||||
| 42 | 981586 | 6.45 | 7.68 | |
| Gehaeuse | ||||
| 43 | 981560 | 43.86 | 52.20 | |
| Luftführung Cr10v/cr12v u.a. | ||||
| 44 | 981562 | 2.55 | 3.03 | |
| Staubdichtung (a) Cm6/cr10v u.a. Till 2.1995 | ||||
| 45 | 956387 | 2.10 | 2.50 | |
| Unterlegscheibe (c) Dh24pb2 | ||||
| 45A | 984367 | 1.05 | 1.25 | |
| GUMMISTIFT (ALT 976441) | ||||
| 46 | 946362 | 1.05 | 1.25 | |
| Kondensator Div.typen | ||||
| 47A | 994273 | 4.29 | 5.10 | |
| Gummi | ||||
| 48 | 930153 | 1.04 | 1.23 | |
| Schalter | ||||
| 49 | 971667Z | 20.21 | 24.05 | |
| Schalter | ||||
| 49 | 957747 | 14.03 | 16.69 | |
| Schlitzschraube (10 Stk) | ||||
| 50 | 949365 | 1.04 | 1.23 | |
| Keine Informationen verfügbar, nicht bestellbar | ||||
| 51 | 957561 | |||
| Verbinder 50091 (10st) Div.typen | ||||
| 52 | 959140 | 3.30 | 3.93 | |
| Schneidschraube D4x20 Cg18dal, Cg18dl | ||||
| 53 | 956384 | 1.05 | 1.25 | |
| Unterlegscheibe M4 (10st) | ||||
| 54 | 949423 | 1.05 | 1.25 | |
| Griffdeckel Vtv16 | ||||
| 55 | 981578 | 16.09 | 19.14 | |
| Kanalhülse für Kabel (d) Div.typen, Cm9uby, G23ss | ||||
| 56 | 981373 | 1.05 | 1.25 | |
| Kabelschuh M5 (o.iso) Div.typen For Noise Suppres | ||||
| 57 | 938108 | 1.20 | 1.43 | |
| Gewindeschraube D4X16 | ||||
| 58 | 954004 | 1.04 | 1.23 | |
| Kabelklemme Div.typen, Cm9uby, G23ss | ||||
| 59 | 960266 | 1.04 | 1.23 | |
| Kabelknickschutz D8.8 Div.typen, Cm5sb | ||||
| 60 | 380090 | 1.04 | 1.24 | |
| Kabelknickschutz D10.1 Div.typen, C8fshe, C8fse | ||||
| 60 | 938051 | 1.04 | 1.23 | |
| Keine Informationen verfügbar, nicht bestellbar | ||||
| 61 | 500439Z | |||
| Keine Informationen verfügbar, nicht bestellbar | ||||
| 61A | 500505Z | |||
| Verbinderkabel | ||||
| 63 | 981500 | 1.04 | 1.23 | |
| Keine Informationen verfügbar, nicht bestellbar | ||||
| 501 | 981579 | |||
| Handgriffplatte Vtv16 | ||||
| 502 | 981580 | 2.40 | 2.86 | |
| Griffstift | ||||
| 503 | 983987 | 7.95 | 9.46 | |
| Keine Informationen verfügbar, nicht bestellbar | ||||
| 608 | 971670 | |||
| Keine Informationen verfügbar, nicht bestellbar | ||||
| 610B | 310905 | |||