Hier finden Sie alle verfügbaren Teile und Zeichnungen der 'Hikoki W6V4'. Von hier aus können Sie alle gewünschten Teile direkt bestellen. Viele Teile müssen je nach Marke beim Hersteller bestellt werden, dies dauert ein bis vier Wochen. Alle Informationen, die wir haben, befinden sich auf unserer Website. Wir können Sie nicht beraten, was Sie benötigen. Dazu müssen Sie die Maschine zur Reparatur zurücksenden. Bitte beachten Sie bei der Bestellung Folgendes:
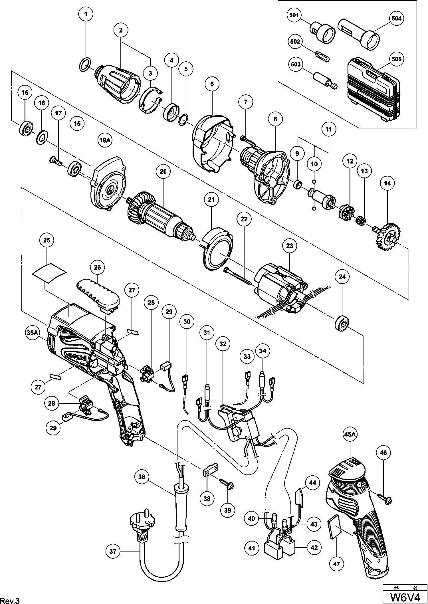
Zeichnungen der Hikoki W6V4
Teileliste der Hikoki W6V4
| Pos. | Beschreibung | Preis ohne MwSt | Preis inkl. MwSt | |
| Die angegebenen Preise enthalten die Mehrwertsteuer | ||||
| Keine Informationen verfügbar, nicht bestellbar | ||||
| *11 | 323491 | |||
| Anker 230v | ||||
| *20 | 360673E | 35.06 | 41.72 | |
| Stator 220-230v W6va4 | ||||
| *23 | 340599E | 19.39 | 23.07 | |
| VELD 110-120 VOLT | ||||
| *23 | 340599C | 18.10 | 21.54 | |
| Gehäuse W6v4 | ||||
| *35C | 326671 | 19.39 | 23.07 | |
| SNOER 2.5M 2 X 1.0 H05VV-F W/PLUG 13A/250V (OLD 50 | ||||
| *37 | 500423Z | 12.87 | 15.32 | |
| Kabel (7,5m) W6v4 (cord Armor D8.8) | ||||
| *37 | 323559 | 5.55 | 6.60 | |
| Keine Informationen verfügbar, nicht bestellbar | ||||
| *503 | 323354 | |||
| O-ring (s-16) Fcj55v | ||||
| 1 | 876031 | 1.65 | 1.96 | |
| Keine Informationen verfügbar, nicht bestellbar | ||||
| 2 | 323487 | |||
| Federblech | ||||
| 3 | 323488 | 1.95 | 2.32 | |
| Staubschutz (a) W6va2 | ||||
| 4 | 971468 | 1.05 | 1.25 | |
| O-ring (f) W6v3/w6va3 | ||||
| 5 | 317662 | 1.65 | 1.96 | |
| Sicherheitsabdeckung W6va4 | ||||
| 6 | 323558 | 3.90 | 4.64 | |
| Sicherheitsabdeckung W6va4 | ||||
| 6A | 323558 | 3.90 | 4.64 | |
| Schraube D4x25 | ||||
| 7 | 321057 | 1.65 | 1.96 | |
| Getriebegehäuse (a) kpl. W6v4 Includ.5 | ||||
| 8 | 323486 | 12.75 | 15.17 | |
| Ring | ||||
| 9 | 872573 | 1.35 | 1.61 | |
| Stahlkugel D3.175 (10st) (alte Art.nr.939270) Wh1 | ||||
| 10 | 959148 | 1.05 | 1.25 | |
| Keine Informationen verfügbar, nicht bestellbar | ||||
| 11 | 323491 | |||
| Kupplungsscheibe W6va4 | ||||
| 12 | 323476 | 3.90 | 4.64 | |
| Feder | ||||
| 13 | 306024 | 1.35 | 1.61 | |
| Getriebe-set W6v4 | ||||
| 14 | 323485 | 22.83 | 27.16 | |
| Kugellager 608 Vvm, C8fshe, Cm5sb, C8fse, H41mb | ||||
| 15 | 608VVM | 5.70 | 6.78 | |
| Ring | ||||
| 16 | 933545 | 1.04 | 1.23 | |
| Schraube M4x8 | ||||
| 17 | 323556 | 1.05 | 1.25 | |
| Innengehäuse (a) W6va4 Includ.15-17 | ||||
| 19A | 323473 | 11.10 | 13.21 | |
| Anker 230v | ||||
| 20 | 360673E | 35.06 | 41.72 | |
| Ventilatorführung W6va4 | ||||
| 21 | 323472 | 1.05 | 1.25 | |
| Sechskantschneidschraube D4x50 | ||||
| 22 | 961672 | 1.04 | 1.23 | |
| Stator 220-230v W6va4 | ||||
| 23 | 340599E | 19.39 | 23.07 | |
| VELD 110-120 VOLT | ||||
| 23 | 340599C | 18.10 | 21.54 | |
| Kugellager 608 Vvm, C8fshe, Cm5sb, C8fse, H41mb | ||||
| 24 | 608VVM | 5.70 | 6.78 | |
| Haken | ||||
| 26 | 323471 | 1.95 | 2.32 | |
| Bürstenhalter (a) W6va4 | ||||
| 28 | 323512 | 3.90 | 4.64 | |
| Kohlebürsten-paar (selbstabschaltend) | ||||
| 29 | 999091 | 14.40 | 17.14 | |
| Keine Informationen verfügbar, nicht bestellbar | ||||
| 30 | 323489 | |||
| Drosselspule (m/Innengewinde) Braun | ||||
| 31 | 323480 | 1.95 | 2.32 | |
| Schalter | ||||
| 32 | 323479 | 14.99 | 17.84 | |
| Keine Informationen verfügbar, nicht bestellbar | ||||
| 33 | 323490 | |||
| Drosselspule (m/Innengewinde) Blau | ||||
| 34 | 323481 | 1.95 | 2.32 | |
| Gehäuse W6v4 | ||||
| 35A | 326671 | 19.39 | 23.07 | |
| Kabelknickschutz D8.8 Div.typen, Cm5sb | ||||
| 36 | 380090 | 1.04 | 1.24 | |
| Kabel 7.5 Meter Für Gbr 230 Volt | ||||
| 37 | 323560 | 15.26 | 18.16 | |
| SNOER 2.5M 2 X 1.0 H05VV-F W/PLUG 13A/250V (OLD 50 | ||||
| 37 | 500423Z | 12.87 | 15.32 | |
| SNOER 7.5 METER FOR GBR 110 VOLT | ||||
| 37 | 323562 | 10.14 | 12.07 | |
| Kabel (7,5m) W6v4 (cord Armor D8.8) | ||||
| 37 | 323559 | 5.55 | 6.60 | |
| Kabelklemme Div.typen, C8fshe, Cm5sb, C8fse | ||||
| 38 | 937631 | 1.04 | 1.23 | |
| Keine Informationen verfügbar, nicht bestellbar | ||||
| 39 | 984750 | |||
| Verbinder 50091 (10st) Div.typen | ||||
| 40 | 959140 | 3.30 | 3.93 | |
| Kondensator C6u-c13u u.a., C 8fshe | ||||
| 41 | 930039 | 1.95 | 2.32 | |
| Kondensator Div.typen | ||||
| 42 | 994273 | 4.29 | 5.10 | |
| Verbinderkabel | ||||
| 43 | 317667 | 1.65 | 1.96 | |
| Erdklemme Dw15y/sv12v u.a. Cl10sa | ||||
| 44 | 992635 | 1.05 | 1.25 | |
| Handgriffabdeckung W6v4/va4/vb3/vm | ||||
| 45A | 326672 | 12.75 | 15.17 | |
| Schneidschraube D4x20 Mit Flansch (schwarz), C8fs | ||||
| 46 | 301653 | 1.04 | 1.23 | |
| Keine Informationen verfügbar, nicht bestellbar | ||||
| 47 | 329770 | |||
| Keine Informationen verfügbar, nicht bestellbar | ||||
| 501 | 323352 | |||
| Keine Informationen verfügbar, nicht bestellbar | ||||
| 502 | 971511Z | |||
| Keine Informationen verfügbar, nicht bestellbar | ||||
| 503 | 982554Z | |||
| Keine Informationen verfügbar, nicht bestellbar | ||||
| 504 | 323351 | |||
| Keine Informationen verfügbar, nicht bestellbar | ||||
| 505 | 310904 | |||
| Keine Informationen verfügbar, nicht bestellbar | ||||
| 601 | 317670 | |||
| Keine Informationen verfügbar, nicht bestellbar | ||||
| 602 | 317671 | |||
| Keine Informationen verfügbar, nicht bestellbar | ||||
| 603 | 317827 | |||
| Keine Informationen verfügbar, nicht bestellbar | ||||
| 604 | 985330 | |||
| Keine Informationen verfügbar, nicht bestellbar | ||||
| 605 | 985321 | |||
| Keine Informationen verfügbar, nicht bestellbar | ||||
| 606 | 985322 | |||
| Keine Informationen verfügbar, nicht bestellbar | ||||
| 607 | 985332 | |||
| Keine Informationen verfügbar, nicht bestellbar | ||||
| 608 | 985326 | |||
| Nicht mehr lieferbar, kein Ersatz | ||||
| 609 | 985329 | |||
| Keine Informationen verfügbar, nicht bestellbar | ||||
| 610 | 985327 | |||
| Keine Informationen verfügbar, nicht bestellbar | ||||
| 611 | 985328 | |||
| Keine Informationen verfügbar, nicht bestellbar | ||||
| 612 | 982563Z | |||
| Keine Informationen verfügbar, nicht bestellbar | ||||
| 613 | 323355 | |||
| Keine Informationen verfügbar, nicht bestellbar | ||||
| 614 | 323356 | |||
| Keine Informationen verfügbar, nicht bestellbar | ||||
| 615 | 985333 | |||
| Keine Informationen verfügbar, nicht bestellbar | ||||
| 616 | 971512Z | |||
| Keine Informationen verfügbar, nicht bestellbar | ||||
| 617 | 985334 | |||
| Keine Informationen verfügbar, nicht bestellbar | ||||
| 618 | 985335 | |||
| Keine Informationen verfügbar, nicht bestellbar | ||||
| 619 | 985336 | |||
| Keine Informationen verfügbar, nicht bestellbar | ||||
| 620 | 985337 | |||
| Keine Informationen verfügbar, nicht bestellbar | ||||
| 621 | 985338 | |||
| Keine Informationen verfügbar, nicht bestellbar | ||||
| 622 | 985339 | |||
| Keine Informationen verfügbar, nicht bestellbar | ||||
| 623 | 985340 | |||
| Keine Informationen verfügbar, nicht bestellbar | ||||
| 624 | 985341 | |||
| Keine Informationen verfügbar, nicht bestellbar | ||||
| 625 | 985342 | |||
| Keine Informationen verfügbar, nicht bestellbar | ||||
| 626 | 985343 | |||
| Keine Informationen verfügbar, nicht bestellbar | ||||
| 627 | 985344 | |||
| Keine Informationen verfügbar, nicht bestellbar | ||||
| 628 | 310904 | |||