Hier finden Sie alle verfügbaren Teile und Zeichnungen der 'Hikoki WF4V'. Von hier aus können Sie alle gewünschten Teile direkt bestellen. Viele Teile müssen je nach Marke beim Hersteller bestellt werden, dies dauert ein bis vier Wochen. Alle Informationen, die wir haben, befinden sich auf unserer Website. Wir können Sie nicht beraten, was Sie benötigen. Dazu müssen Sie die Maschine zur Reparatur zurücksenden. Bitte beachten Sie bei der Bestellung Folgendes:
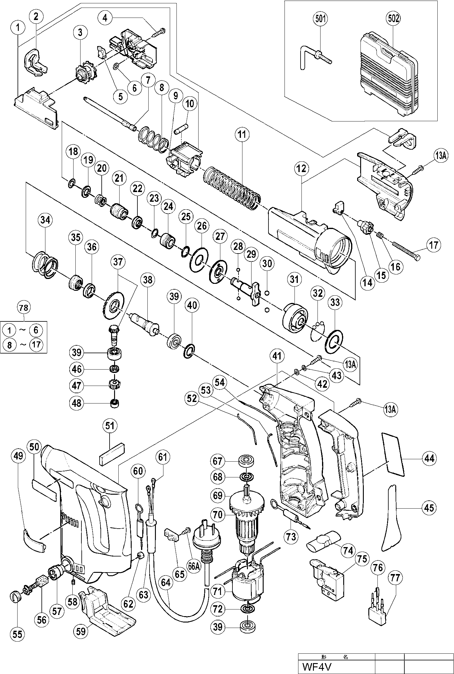
Zeichnungen der Hikoki WF4V
Teileliste der Hikoki WF4V
| Pos. | Beschreibung | Preis ohne MwSt | Preis inkl. MwSt | |
| Die angegebenen Preise enthalten die Mehrwertsteuer | ||||
| Förderer | ||||
| 1 | 313733 | 15.81 | 18.82 | |
| Aufsätze (2 Stück) | ||||
| 2 | 312420 | 8.10 | 9.64 | |
| Zahnrad (alt 310773) | ||||
| 3 | 313758 | 13.50 | 16.06 | |
| Schneidschraube D4x25 Mit Flansch Neue Art.nr. 30 | ||||
| 4 | 304035 | 1.04 | 1.23 | |
| Blockierung | ||||
| 5 | 312421 | 5.55 | 6.60 | |
| Bit-Führer | ||||
| 6 | 312424 | 1.05 | 1.25 | |
| Keine Informationen verfügbar, nicht bestellbar | ||||
| 7 | 313880 | |||
| Feder (b) | ||||
| 8 | 312814 | 1.05 | 1.25 | |
| Verbinder | ||||
| 9 | 312510 | 2.55 | 3.03 | |
| ROLLER 3157-22 | ||||
| 10 | 312418 | 7.35 | 8.75 | |
| Keine Informationen verfügbar, nicht bestellbar | ||||
| 11 | 312417 | |||
| Keine Informationen verfügbar, nicht bestellbar | ||||
| 12 | 312416 | |||
| Schneidschraube D4x20 Mit Flansch (schwarz), C8fs | ||||
| 13A | 301653 | 1.04 | 1.23 | |
| Nicht mehr lieferbar, kein Ersatz | ||||
| 14 | 312419 | |||
| Keine Informationen verfügbar, nicht bestellbar | ||||
| 15 | 312428 | |||
| Feder Wf4dy | ||||
| 16 | 312430 | 2.40 | 2.86 | |
| Bolzen M5x50 | ||||
| 17 | 312429 | 1.05 | 1.25 | |
| Federscheibe | ||||
| 18 | 995933 | 1.05 | 1.25 | |
| Sicherungsscheibe Wf4dy/wh8dc2/ Wh12dc | ||||
| 19 | 307899 | 5.10 | 6.07 | |
| Führungsfeder W4yf/wf4dy u.a. | ||||
| 20 | 995931 | 1.05 | 1.25 | |
| Führungshülse (a) Wf4dy/wh8dc2/ Wh12dc | ||||
| 21 | 307782 | 14.99 | 17.84 | |
| Öldichtung | ||||
| 22 | 314271 | 4.50 | 5.36 | |
| Keine Informationen verfügbar, nicht bestellbar | ||||
| 23 | 314272 | |||
| Metall D20x16 | ||||
| 24 | 314270 | 13.20 | 15.71 | |
| Keine Informationen verfügbar, nicht bestellbar | ||||
| 25 | 314273 | |||
| Gummiring (1) | ||||
| 26 | 302328 | 1.65 | 1.96 | |
| Keine Informationen verfügbar, nicht bestellbar | ||||
| 27 | 302329 | |||
| Stahlkugel D3.175 (10st) (alte Art.nr.939270) Wh1 | ||||
| 28 | 959148 | 1.05 | 1.25 | |
| Keine Informationen verfügbar, nicht bestellbar | ||||
| 29 | 318158 | |||
| Stahlkugel D5.556 (10st) Wh18dbdl, Wh14dbdl,wr18d | ||||
| 30 | 959154 | 1.35 | 1.61 | |
| Keine Informationen verfügbar, nicht bestellbar | ||||
| 31 | 314269 | |||
| Stahlkugeln D3.97 (10st), Nr90aa | ||||
| 32 | 959155 | 1.04 | 1.23 | |
| Keine Informationen verfügbar, nicht bestellbar | ||||
| 33 | 302331 | |||
| Keine Informationen verfügbar, nicht bestellbar | ||||
| 34 | 312413 | |||
| Keine Informationen verfügbar, nicht bestellbar | ||||
| 35 | 314268 | |||
| RING | ||||
| 36 | 941732 | 1.62 | 1.93 | |
| Keine Informationen verfügbar, nicht bestellbar | ||||
| 37 | 314266 | |||
| Keine Informationen verfügbar, nicht bestellbar | ||||
| 38 | 314267 | |||
| Kugellager 608 Vvm, C8fshe, Cm5sb, C8fse, H41mb | ||||
| 39 | 608VVM | 5.70 | 6.78 | |
| SLUITRING | ||||
| 40 | 987641 | 1.00 | 1.19 | |
| Keine Informationen verfügbar, nicht bestellbar | ||||
| 41 | 318155 | |||
| Unterlegschreibe M4 (10st), C8fshe, C8fse | ||||
| 42 | 949429 | 1.05 | 1.25 | |
| Keine Informationen verfügbar, nicht bestellbar | ||||
| 43 | 314279 | |||
| Keine Informationen verfügbar, nicht bestellbar | ||||
| 45 | 312815 | |||
| Keine Informationen verfügbar, nicht bestellbar | ||||
| 46 | 314265 | |||
| Keine Informationen verfügbar, nicht bestellbar | ||||
| 47 | 314264 | |||
| Keine Informationen verfügbar, nicht bestellbar | ||||
| 48 | 314263 | |||
| Keine Informationen verfügbar, nicht bestellbar | ||||
| 49 | 314629 | |||
| Keine Informationen verfügbar, nicht bestellbar | ||||
| 51 | 314284 | |||
| Keine Informationen verfügbar, nicht bestellbar | ||||
| 52 | 314628 | |||
| Keine Informationen verfügbar, nicht bestellbar | ||||
| 53 | 318152 | |||
| Silikonschlauch 95mm | ||||
| 54 | 314627 | 1.05 | 1.25 | |
| Kohlekappe G12sa/g13sb u.a. Cl10sa, C8fshe, C8fse | ||||
| 55 | 931266 | 1.04 | 1.23 | |
| Nicht mehr lieferbar, kein Ersatz | ||||
| 56 | 999021 | |||
| Kohlekasten Zsb | ||||
| 57 | 957571 | 2.40 | 2.86 | |
| Inbusstiftschraube M4x6 Since 3.1986 | ||||
| 58 | 985114 | 1.05 | 1.25 | |
| Keine Informationen verfügbar, nicht bestellbar | ||||
| 59 | 314283 | |||
| Keine Informationen verfügbar, nicht bestellbar | ||||
| 60 | 318156 | |||
| Anschlussklemme | ||||
| 61 | 980063 | 1.04 | 1.23 | |
| Sicherungsmutter M5 (10st) | ||||
| 62 | 949566 | 1.04 | 1.23 | |
| Keine Informationen verfügbar, nicht bestellbar | ||||
| 63 | 953327 | |||
| Keine Informationen verfügbar, nicht bestellbar | ||||
| 64 | 500439Z | |||
| Kabelklemme Div.typen, C8fshe, Cm5sb, C8fse | ||||
| 65 | 937631 | 1.04 | 1.23 | |
| Keine Informationen verfügbar, nicht bestellbar | ||||
| 66A | 984750 | |||
| Kugellager 609 Vvm | ||||
| 67 | 609VVM | 6.00 | 7.14 | |
| Lagerring | ||||
| 68 | 958915 | 1.04 | 1.23 | |
| Keine Informationen verfügbar, nicht bestellbar | ||||
| 69 | 306348 | |||
| Anker 230v | ||||
| 70 | 360365E | 73.01 | 86.88 | |
| Keine Informationen verfügbar, nicht bestellbar | ||||
| 71 | 340453E | |||
| Unterlegscheibe (a) Cr17y/dh20pb H30pv/dh30pc/h45 | ||||
| 72 | 982631 | 1.04 | 1.23 | |
| Keine Informationen verfügbar, nicht bestellbar | ||||
| 73 | 318157 | |||
| Regler (r+l) | ||||
| 74 | 306151 | 1.35 | 1.61 | |
| Keine Informationen verfügbar, nicht bestellbar | ||||
| 75 | 318159 | |||
| Erdungsklemme Dh22vd/dh20pb Cj120v/va | ||||
| 76 | 302488 | 1.04 | 1.23 | |
| Kondensator Div.typen | ||||
| 77 | 994273 | 4.29 | 5.10 | |
| Keine Informationen verfügbar, nicht bestellbar | ||||
| 78 | 319098 | |||
| Keine Informationen verfügbar, nicht bestellbar | ||||
| 501 | 307343 | |||
| Keine Informationen verfügbar, nicht bestellbar | ||||
| 502 | 306854 | |||
| Keine Informationen verfügbar, nicht bestellbar | ||||
| 601 | 321823 | |||
| Keine Informationen verfügbar, nicht bestellbar | ||||
| 602 | 992671 | |||
| Keine Informationen verfügbar, nicht bestellbar | ||||
| 603 | 992672 | |||
| Keine Informationen verfügbar, nicht bestellbar | ||||
| 604 | 996177 | |||
| Nicht mehr lieferbar, kein Ersatz | ||||
| 605 | 985329 | |||
| Keine Informationen verfügbar, nicht bestellbar | ||||
| 606 | 996178 | |||
| Keine Informationen verfügbar, nicht bestellbar | ||||
| 607 | 996179 | |||
| Keine Informationen verfügbar, nicht bestellbar | ||||
| 608 | 996180 | |||
| Keine Informationen verfügbar, nicht bestellbar | ||||
| 609 | 996185 | |||
| Keine Informationen verfügbar, nicht bestellbar | ||||
| 610 | 996181 | |||
| Keine Informationen verfügbar, nicht bestellbar | ||||
| 611 | 996182 | |||
| Keine Informationen verfügbar, nicht bestellbar | ||||
| 612 | 996186 | |||
| Keine Informationen verfügbar, nicht bestellbar | ||||
| 613 | 996197 | |||
| Keine Informationen verfügbar, nicht bestellbar | ||||
| 614 | 319987 | |||
| Fett (attolub Ms Nr. 2) 500g | ||||
| 615 | 309922 | 73.01 | 86.88 | |