Hier finden Sie alle verfügbaren Teile und Zeichnungen der 'Hikoki WH14DBL'. Von hier aus können Sie alle gewünschten Teile direkt bestellen. Viele Teile müssen je nach Marke beim Hersteller bestellt werden, dies dauert ein bis vier Wochen. Alle Informationen, die wir haben, befinden sich auf unserer Website. Wir können Sie nicht beraten, was Sie benötigen. Dazu müssen Sie die Maschine zur Reparatur zurücksenden. Bitte beachten Sie bei der Bestellung Folgendes:
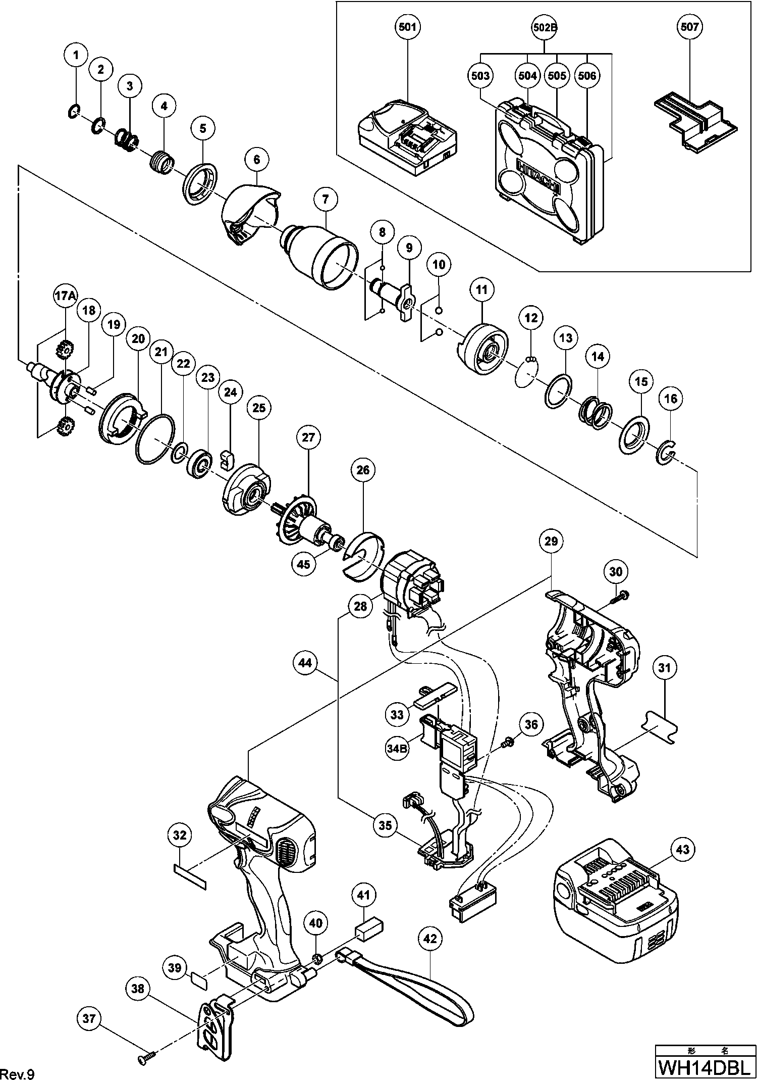
Zeichnungen der Hikoki WH14DBL
Teileliste der Hikoki WH14DBL
| Pos. | Beschreibung | Preis ohne MwSt | Preis inkl. MwSt | |
| Die angegebenen Preise enthalten die Mehrwertsteuer | ||||
| Federring | ||||
| 1 | 315984 | 1.65 | 1.96 | |
| UNTERLEGSCHEIBE | ||||
| 2 | 315983 | 1.65 | 1.96 | |
| Leitspanner (ALT 322716) | ||||
| 3 | 321657 | 1.65 | 1.96 | |
| Fuehrungshuelse | ||||
| 4 | 322717 | 3.30 | 3.93 | |
| Vorderkappe (f) Neu Wr14dsl | ||||
| 5 | 327766 | 1.80 | 2.14 | |
| Frontplatte Wh 14dbl | ||||
| 6 | 328650 | 3.45 | 4.11 | |
| Hammergehäuse Wh14dbl | ||||
| 7 | 327003 | 23.79 | 28.31 | |
| STAHLKUGEL D3,5 (10 Stück) | ||||
| 8 | 319535 | 1.65 | 1.96 | |
| Amboss Wh 14dbl For Europe | ||||
| 9 | 329709 | 36.99 | 44.02 | |
| Stahlkugel D5.556 (10st) Wh18dbdl, Wh14dbdl,wr18d | ||||
| 10 | 959154 | 1.35 | 1.61 | |
| Hammer (f) Wr14dsl | ||||
| 11 | 326789 | 21.73 | 25.85 | |
| Stahlkugel D3.175 (10st) (alte Art.nr.939270) Wh1 | ||||
| 12 | 959148 | 1.05 | 1.25 | |
| UNTERLEGSCHEIBE | ||||
| 13 | 315978 | 1.65 | 1.96 | |
| Hammer Feder | ||||
| 14 | 321660 | 3.30 | 3.93 | |
| Unterlegscheibe | ||||
| 15 | 316172 | 1.65 | 1.96 | |
| Stopper Wh 14dbl | ||||
| 16 | 328647 | 3.45 | 4.11 | |
| Leerlaufzahnrad Wh14dl, Wh18dbdl, Wh14dbdl, Wr18d | ||||
| 17A | 326295 | 21.31 | 25.36 | |
| Gelenkwelle (a) | ||||
| 18 | 321666 | 32.18 | 38.29 | |
| Nadelrolle Wr12dm/wh12dm/wh18dbdl/ Wh14dbdl/ Wr18 | ||||
| 19 | 319914 | 1.65 | 1.96 | |
| Ringzahnrad (e) Wr14dsl/wh18dbdl/wh14dbdl Wr18dbd | ||||
| 20 | 326787 | 13.89 | 16.53 | |
| O-ring (s-42) Cm6/h45ma/wh18dbdl/ Wh14dbdl/ Wr18d | ||||
| 21 | 983852 | 1.95 | 2.32 | |
| Ring | ||||
| 22 | 319911 | 1.65 | 1.96 | |
| Kugellager 6901w-n Wr14dsl | ||||
| 23 | 323118 | 6.75 | 8.03 | |
| Dämpfer Wh14dm | ||||
| 24 | 322143 | 6.60 | 7.85 | |
| Innere Abdeckung (d) Wr14dsl | ||||
| 25 | 326786 | 1.80 | 2.14 | |
| Staubabdeckung Wh 14dbl | ||||
| 26 | 328649 | 1.80 | 2.14 | |
| Anker | ||||
| 27 | 328651 | 67.79 | 80.67 | |
| Feld | ||||
| 28 | 340709 | 129.39 | 153.97 | |
| Gehäuse Set | ||||
| 29 | 329721 | 70.40 | 83.78 | |
| Gehäuse (a + b) set (weiß) | ||||
| 29 | 329824 | 36.99 | 44.02 | |
| Schneidschraube D4x20 Mit Flansch (schwarz), C8fs | ||||
| 30 | 301653 | 1.04 | 1.23 | |
| Druckknopf (a) Wh9dm2 | ||||
| 33 | 321661 | 1.65 | 1.96 | |
| Gleichstrom-Geschwindigkeitskontrollschalter | ||||
| 34B | 334982 | 22.41 | 26.67 | |
| Kontroll Leitung Wh 14dbl | ||||
| 35 | 329719 | 107.80 | 128.28 | |
| Kopfschraube M3x5 M.federring Wh18dbdl, Wh14dbdl, | ||||
| 36 | 994532 | 1.04 | 1.23 | |
| Schraube M4 schwarz Dv14dsl Wh18dbdl,wh14dbdl, Wr | ||||
| 37 | 327001 | 1.80 | 2.14 | |
| Nicht mehr lieferbar, kein Ersatz | ||||
| 38 | 326790 | |||
| Blech Wh 14dbl | ||||
| 39 | 329720 | 3.45 | 4.11 | |
| Mutter M4 (schwarz) Wh18dbdl,wh14dbdl, Wr18dbdl, | ||||
| 40 | 327002 | 1.80 | 2.14 | |
| Dichtung | ||||
| 41 | 328644 | 1.80 | 2.14 | |
| Trageriemen (schwarz) | ||||
| 42 | 306952 | 4.05 | 4.82 | |
| Keine Informationen verfügbar, nicht bestellbar | ||||
| 43 | 329083 | |||
| Kontroll Einheit Wh 14dbl Includ.28,35 | ||||
| 44 | 329826 | 218.63 | 260.16 | |
| Kugellager 624dd | ||||
| 45 | 333784 | 3.45 | 4.11 | |
| Keine Informationen verfügbar, nicht bestellbar | ||||
| 502B | 329440 | |||
| Keine Informationen verfügbar, nicht bestellbar | ||||
| 503 | 324093 | |||
| Keine Informationen verfügbar, nicht bestellbar | ||||
| 504 | 324096 | |||
| Hebel | ||||
| 505 | 324090 | 3.45 | 4.11 | |
| Keine Informationen verfügbar, nicht bestellbar | ||||
| 506 | 324099 | |||
| Abdeckkappe für Batterie | ||||
| 507 | 329897 | 1.80 | 2.14 | |
| Keine Informationen verfügbar, nicht bestellbar | ||||
| 601 | 321823 | |||
| Fett (attolub Ms Nr. 2) 500g | ||||
| 602 | 309922 | 73.01 | 86.88 | |
| Keine Informationen verfügbar, nicht bestellbar | ||||
| 603 | 992671 | |||
| Keine Informationen verfügbar, nicht bestellbar | ||||
| 604 | 992672 | |||
| Keine Informationen verfügbar, nicht bestellbar | ||||
| 605 | 996177 | |||
| Nicht mehr lieferbar, kein Ersatz | ||||
| 606 | 985329 | |||
| Keine Informationen verfügbar, nicht bestellbar | ||||
| 607 | 996178 | |||
| Keine Informationen verfügbar, nicht bestellbar | ||||
| 608 | 996179 | |||
| Keine Informationen verfügbar, nicht bestellbar | ||||
| 609 | 996180 | |||
| Keine Informationen verfügbar, nicht bestellbar | ||||
| 610 | 996185 | |||
| Keine Informationen verfügbar, nicht bestellbar | ||||
| 611 | 996181 | |||
| Keine Informationen verfügbar, nicht bestellbar | ||||
| 612 | 996182 | |||
| Keine Informationen verfügbar, nicht bestellbar | ||||
| 613 | 996186 | |||
| Keine Informationen verfügbar, nicht bestellbar | ||||
| 614 | 996197 | |||
| Keine Informationen verfügbar, nicht bestellbar | ||||
| 615 | 996184 | |||
| Keine Informationen verfügbar, nicht bestellbar | ||||
| 616 | 987575 | |||
| Keine Informationen verfügbar, nicht bestellbar | ||||
| 617 | 930119 | |||
| Keine Informationen verfügbar, nicht bestellbar | ||||
| 618 | 307543 | |||
| Keine Informationen verfügbar, nicht bestellbar | ||||
| 619 | 306927 | |||