Hier finden Sie alle verfügbaren Teile und Zeichnungen der 'Hikoki WM18DBL'. Von hier aus können Sie alle gewünschten Teile direkt bestellen. Viele Teile müssen je nach Marke beim Hersteller bestellt werden, dies dauert ein bis vier Wochen. Alle Informationen, die wir haben, befinden sich auf unserer Website. Wir können Sie nicht beraten, was Sie benötigen. Dazu müssen Sie die Maschine zur Reparatur zurücksenden. Bitte beachten Sie bei der Bestellung Folgendes:
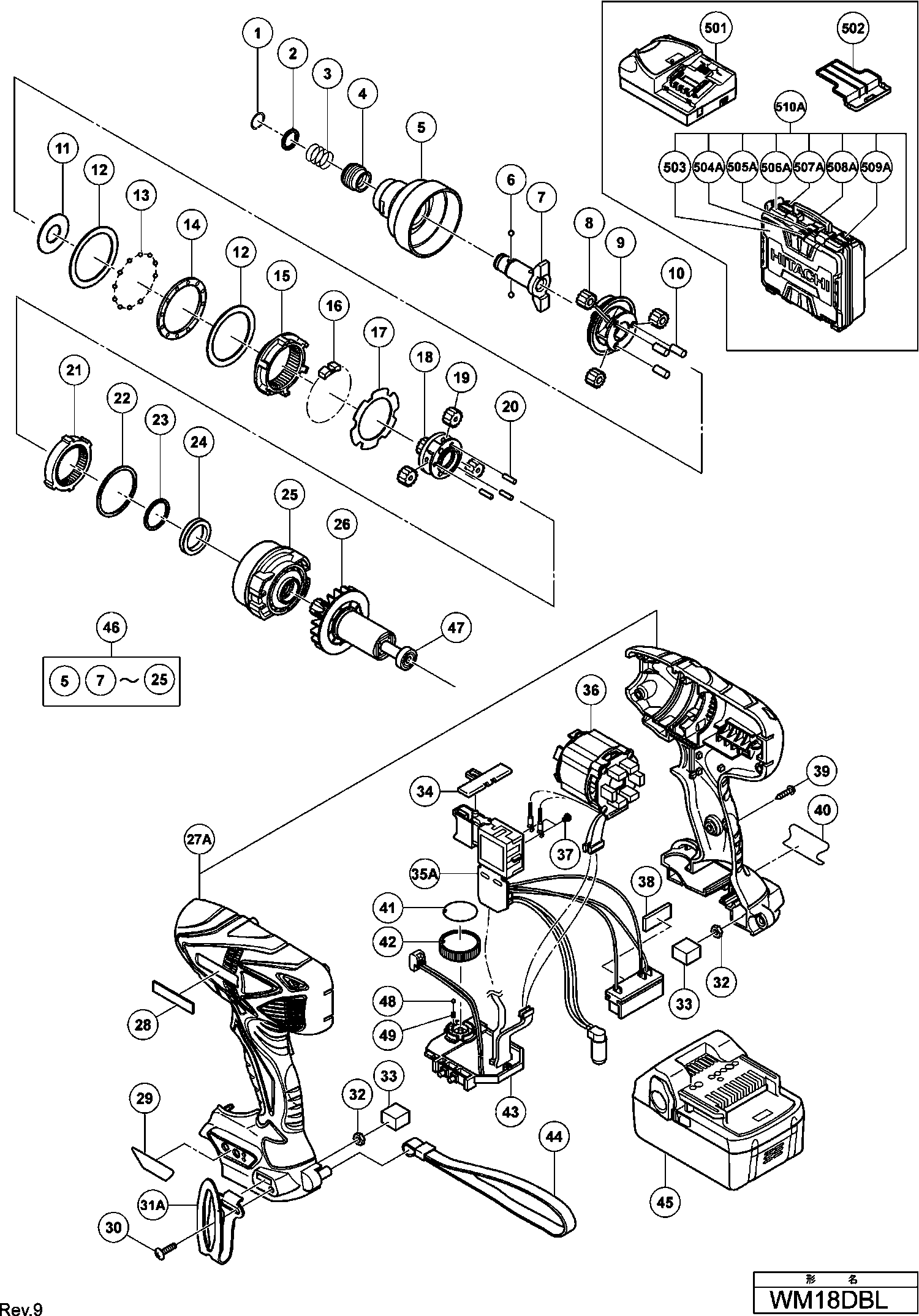
Zeichnungen der Hikoki WM18DBL
Teileliste der Hikoki WM18DBL
| Pos. | Beschreibung | Preis ohne MwSt | Preis inkl. MwSt | |
| Die angegebenen Preise enthalten die Mehrwertsteuer | ||||
| Keine Informationen verfügbar, nicht bestellbar | ||||
| *46 | 332681 | |||
| Amboss | ||||
| *7 | 333270 | 29.70 | 35.34 | |
| Federring | ||||
| 1 | 315984 | 1.65 | 1.96 | |
| Unterlegscheibe (d) Wh18dbdl/ Wh14dbdl | ||||
| 2 | 330856 | 1.88 | 2.23 | |
| Leitspanner (ALT 322716) | ||||
| 3 | 321657 | 1.65 | 1.96 | |
| Fuehrungshuelse | ||||
| 4 | 322717 | 3.30 | 3.93 | |
| Keine Informationen verfügbar, nicht bestellbar | ||||
| 5 | 333278 | |||
| STAHLKUGEL D3,5 (10 Stück) | ||||
| 6 | 319535 | 1.65 | 1.96 | |
| Amboss | ||||
| 7 | 333270 | 29.70 | 35.34 | |
| Ritzel (b) | ||||
| 8 | 333274 | 1.80 | 2.14 | |
| Hammer | ||||
| 9 | 333271 | 39.74 | 47.29 | |
| Keine Informationen verfügbar, nicht bestellbar | ||||
| 10 | 333288 | |||
| Spannscheibe (d) Cm12y | ||||
| 11 | 333283 | 1.80 | 2.14 | |
| Unterlegscheibe (e) | ||||
| 12 | 333284 | 1.80 | 2.14 | |
| Stahlkugel D2.5 (10 Stk.) | ||||
| 13 | 329303 | 1.80 | 2.14 | |
| Unterlegscheibe (f) | ||||
| 14 | 333285 | 1.80 | 2.14 | |
| Ringrad (b) | ||||
| 15 | 333276 | 9.75 | 11.60 | |
| Dämpferring | ||||
| 16 | 333279 | 1.80 | 2.14 | |
| Unterlegscheibe (c) Dh24pb2 | ||||
| 17 | 333282 | 1.80 | 2.14 | |
| Ritzel (b) | ||||
| 18 | 333277 | 14.16 | 16.85 | |
| Ritzel (a) Cm12y | ||||
| 19 | 333273 | 1.80 | 2.14 | |
| Nadelrolle Wr14dh | ||||
| 20 | 333287 | 1.80 | 2.14 | |
| Ringrad (a) | ||||
| 21 | 333275 | 3.45 | 4.11 | |
| Scheibe (b) Ds9dva/ds12dva/ds14dv Ds14dva/ds14dvb | ||||
| 22 | 333281 | 1.80 | 2.14 | |
| Distanzscheibe G18u/ua/ub u.a. | ||||
| 23 | 333280 | 1.80 | 2.14 | |
| Metall | ||||
| 24 | 333286 | 1.80 | 2.14 | |
| Keine Informationen verfügbar, nicht bestellbar | ||||
| 25 | 333272 | |||
| Anker | ||||
| 26 | 332679 | 82.36 | 98.01 | |
| Gehäuse(a).(b)Set (grün) | ||||
| 27A | 334283 | 27.50 | 32.72 | |
| Hitachi Platte | ||||
| 28 | 329648 | 1.88 | 2.23 | |
| Hitachi Platte | ||||
| 28A | 329648 | 1.88 | 2.23 | |
| Panelsblatt (a) | ||||
| 29 | 332680 | 1.80 | 2.14 | |
| Schraube M4 schwarz Dv14dsl Wh18dbdl,wh14dbdl, Wr | ||||
| 30 | 327001 | 1.80 | 2.14 | |
| Keine Informationen verfügbar, nicht bestellbar | ||||
| 31A | 335724 | |||
| HAAK (OUD 335724) | ||||
| 31B | 372200 | 7.02 | 8.35 | |
| Mutter M4 (schwarz) Wh18dbdl,wh14dbdl, Wr18dbdl, | ||||
| 32 | 327002 | 1.80 | 2.14 | |
| Dichtung | ||||
| 33 | 330854 | 1.80 | 2.14 | |
| Druckknopf (a) Wh9dm2 | ||||
| 34 | 321661 | 1.65 | 1.96 | |
| DC-Geschwindigkeitskontrollschalter | ||||
| 35A | 334903 | 30.53 | 36.32 | |
| Feld | ||||
| 36 | 333540 | 121.96 | 145.14 | |
| Kopfschraube M3x5 M.federring Wh18dbdl, Wh14dbdl, | ||||
| 37 | 994532 | 1.04 | 1.23 | |
| Dämpfer C18dmr | ||||
| 38 | 331101 | 1.80 | 2.14 | |
| Schneidschraube D4x20 Mit Flansch (schwarz), C8fs | ||||
| 39 | 301653 | 1.04 | 1.23 | |
| Dichtung | ||||
| 41 | 333291 | 1.80 | 2.14 | |
| Zifferblatt | ||||
| 42 | 333348 | 5.10 | 6.07 | |
| Keine Informationen verfügbar, nicht bestellbar | ||||
| 43 | 333407 | |||
| Trageriemen (schwarz) | ||||
| 44 | 306952 | 4.05 | 4.82 | |
| Keine Informationen verfügbar, nicht bestellbar | ||||
| 45 | 330068 | |||
| Komplette Rutschkupplung | ||||
| 46 | 332682 | 134.20 | 159.70 | |
| Kugellager 625dd | ||||
| 47 | 333826 | 5.10 | 6.07 | |
| Stahlkugel D3.175 (10st) (alte Art.nr.939270) Wh1 | ||||
| 48 | 959148 | 1.05 | 1.25 | |
| Feder | ||||
| 49 | 333984 | 1.80 | 2.14 | |
| Abdeckkappe für Batterie | ||||
| 502 | 329897 | 1.80 | 2.14 | |
| CASE COVER | ||||
| 503 | 331363 | 10.50 | 12.50 | |
| Unterriegel | ||||
| 504A | 336588 | 1.04 | 1.23 | |
| Keine Informationen verfügbar, nicht bestellbar | ||||
| 505A | 336587 | |||
| Verriegelung (dunkelgrau) | ||||
| 506A | 334233 | 1.80 | 2.14 | |
| Knopf (l) Dunkelgrau | ||||
| 507A | 334235 | 1.80 | 2.14 | |
| Hebel | ||||
| 508A | 334232 | 3.45 | 4.11 | |
| Knopf (r) Dunkelgrau | ||||
| 509A | 334234 | 1.80 | 2.14 | |
| Keine Informationen verfügbar, nicht bestellbar | ||||
| 510A | 334231 | |||
| Keine Informationen verfügbar, nicht bestellbar | ||||
| 601 | 321823 | |||
| Keine Informationen verfügbar, nicht bestellbar | ||||
| 602 | 992671 | |||
| Keine Informationen verfügbar, nicht bestellbar | ||||
| 603 | 992672 | |||
| Keine Informationen verfügbar, nicht bestellbar | ||||
| 604 | 992689 | |||
| Keine Informationen verfügbar, nicht bestellbar | ||||
| 605 | 996177 | |||
| Nicht mehr lieferbar, kein Ersatz | ||||
| 606 | 985329 | |||
| Keine Informationen verfügbar, nicht bestellbar | ||||
| 607 | 996178 | |||
| Keine Informationen verfügbar, nicht bestellbar | ||||
| 608 | 996179 | |||
| Keine Informationen verfügbar, nicht bestellbar | ||||
| 609 | 996180 | |||
| Keine Informationen verfügbar, nicht bestellbar | ||||
| 610 | 996181 | |||
| Keine Informationen verfügbar, nicht bestellbar | ||||
| 611 | 996182 | |||
| Keine Informationen verfügbar, nicht bestellbar | ||||
| 612 | 987575 | |||
| Keine Informationen verfügbar, nicht bestellbar | ||||
| 613 | 307543 | |||
| Keine Informationen verfügbar, nicht bestellbar | ||||
| 614 | 306927 | |||