Hier finden Sie alle verfügbaren Teile und Zeichnungen der 'Hikoki WR18DL'. Von hier aus können Sie alle gewünschten Teile direkt bestellen. Viele Teile müssen je nach Marke beim Hersteller bestellt werden, dies dauert ein bis vier Wochen. Alle Informationen, die wir haben, befinden sich auf unserer Website. Wir können Sie nicht beraten, was Sie benötigen. Dazu müssen Sie die Maschine zur Reparatur zurücksenden. Bitte beachten Sie bei der Bestellung Folgendes:
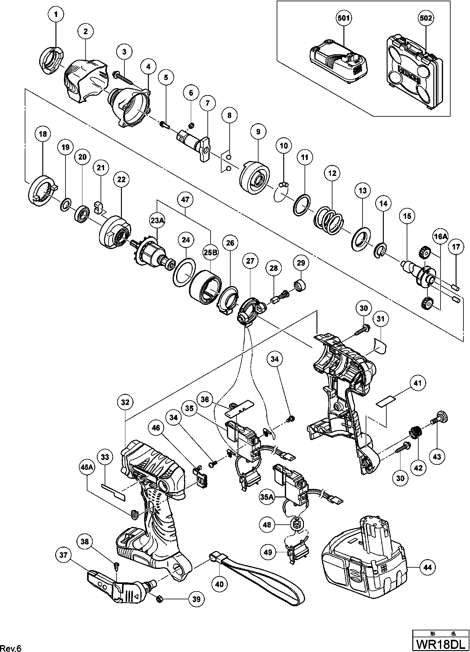
Zeichnungen der Hikoki WR18DL
Teileliste der Hikoki WR18DL
| Pos. | Beschreibung | Preis ohne MwSt | Preis inkl. MwSt | |
| Die angegebenen Preise enthalten die Mehrwertsteuer | ||||
| Vordere Kappe (c) | ||||
| 1 | 324238 | 1.05 | 1.25 | |
| Schutz AF-DW | ||||
| 2 | 324239 | 1.05 | 1.25 | |
| Gewindeschraube mit Unterlegscheibe D4x30 | ||||
| 3 | 307851 | 1.05 | 1.25 | |
| Komplettes Schlaggehäuse | ||||
| 4 | 324250 | 14.55 | 17.31 | |
| Stiftsicherung Wr14dmr, Wr18dbdl, Wr14dbdl | ||||
| 5 | 324257 | 1.05 | 1.25 | |
| Tauchkolben (b) Wr14dmr, Wr18dbdl, Wr14dbdl | ||||
| 6 | 324256 | 1.05 | 1.25 | |
| Keine Informationen verfügbar, nicht bestellbar | ||||
| 7 | 324255 | |||
| Stahlkugel D5.556 (10st) Wh18dbdl, Wh14dbdl,wr18d | ||||
| 8 | 959154 | 1.35 | 1.61 | |
| Hammer Wh14dmr | ||||
| 9 | 324218 | 12.45 | 14.82 | |
| Stahlkugel D3.175 (10st) (alte Art.nr.939270) Wh1 | ||||
| 10 | 959148 | 1.05 | 1.25 | |
| UNTERLEGSCHEIBE | ||||
| 11 | 315978 | 1.65 | 1.96 | |
| Hammerfeder (f) Wh14dmr, Wh18dbdl, wh14dbdl, Wr18d | ||||
| 12 | 324224 | 3.30 | 3.93 | |
| Unterlegscheibe | ||||
| 13 | 316172 | 1.65 | 1.96 | |
| Stopper (b) Wh14dmr | ||||
| 14 | 324222 | 1.05 | 1.25 | |
| Gelenkwelle (a) | ||||
| 15 | 324232 | 16.36 | 19.47 | |
| Leerlaufzahnrad Wh14dl, Wh18dbdl, Wh14dbdl, Wr18d | ||||
| 16A | 326295 | 21.31 | 25.36 | |
| Nadelrolle (a) Wh14dmr Since 11.2010 | ||||
| 17 | 324234 | 1.05 | 1.25 | |
| Ringzahnrad Wr14dm | ||||
| 18 | 320877 | 18.15 | 21.60 | |
| Ring | ||||
| 19 | 319911 | 1.65 | 1.96 | |
| Keine Informationen verfügbar, nicht bestellbar | ||||
| 20 | 6901VV | |||
| Damper | ||||
| 21 | 324230 | 1.05 | 1.25 | |
| Innerer Schutz | ||||
| 22 | 324229 | 1.05 | 1.25 | |
| Keine Informationen verfügbar, nicht bestellbar | ||||
| 23A | 333550 | |||
| Seitenbügel (a) Wh14dmr | ||||
| 24 | 324607 | 1.05 | 1.25 | |
| Magnet (j) Ass'y inkl.24 | ||||
| 25B | 334901 | 79.89 | 95.07 | |
| Staubschutzabdeckung (b) Wh14dmr | ||||
| 26 | 324228 | 1.05 | 1.25 | |
| Bürstenblock Komplett Cl10sa Includ.23,24 | ||||
| 27 | 324226 | 20.90 | 24.87 | |
| Kohlenbürsten (paar) | ||||
| 28 | 999054 | 6.45 | 7.68 | |
| Bürstenkappe Wr12dm/wh12dm | ||||
| 29 | 319918 | 3.30 | 3.93 | |
| Schneidschraube D4x20 M.flansch (schwarz) Cg18dal | ||||
| 30 | 302086 | 1.05 | 1.25 | |
| Gehäuse (a) (b) Set | ||||
| 32 | 324240 | 20.90 | 24.87 | |
| Gehäuse (a)+(b) Set | ||||
| 32 | 327051 | 20.90 | 24.87 | |
| Namensschild | ||||
| 33 | 326466 | 2.10 | 2.50 | |
| Kopfschraube M3x5 M.federring Wh18dbdl, Wh14dbdl, | ||||
| 34 | 994532 | 1.04 | 1.23 | |
| Schalter | ||||
| 35 | 321533 | 37.95 | 45.16 | |
| Nicht mehr lieferbar, kein Ersatz | ||||
| 35A | 334885 | |||
| Druckknopf (b) Wh14dmr, Wh18dbdl,wh14dbdl, Wr18db | ||||
| 36 | 324225 | 1.05 | 1.25 | |
| Keine Informationen verfügbar, nicht bestellbar | ||||
| 37 | 321918 | |||
| Schraube D2x6 | ||||
| 38 | 321672 | 1.65 | 1.96 | |
| Mutter M5 | ||||
| 39 | 320288 | 1.65 | 1.96 | |
| Trageriemen (schwarz) | ||||
| 40 | 306952 | 4.05 | 4.82 | |
| Hakenspannfeder | ||||
| 42 | 319926 | 1.65 | 1.96 | |
| Spezialschraube (a) M5 | ||||
| 43 | 320881 | 1.65 | 1.96 | |
| Keine Informationen verfügbar, nicht bestellbar | ||||
| 44 | 326241 | |||
| Schieber | ||||
| 45A | 327053 | 1.05 | 1.25 | |
| Schieben * | ||||
| 46 | 327052 | 1.05 | 1.25 | |
| Keine Informationen verfügbar, nicht bestellbar | ||||
| 47 | 333712 | |||
| Ferrit-Kupplung | ||||
| 48 | 334870 | 4.65 | 5.53 | |
| Keine Informationen verfügbar, nicht bestellbar | ||||
| 49 | 329678 | |||
| Keine Informationen verfügbar, nicht bestellbar | ||||
| 502 | 323230 | |||
| Keine Informationen verfügbar, nicht bestellbar | ||||
| 617 | 873537 | |||
| Keine Informationen verfügbar, nicht bestellbar | ||||
| 618 | 873187 | |||
| Keine Informationen verfügbar, nicht bestellbar | ||||
| 619 | 991481 | |||
| Keine Informationen verfügbar, nicht bestellbar | ||||
| 620 | 992610 | |||
| Keine Informationen verfügbar, nicht bestellbar | ||||
| 621 | 955153 | |||
| Keine Informationen verfügbar, nicht bestellbar | ||||
| 622 | 991476 | |||
| Keine Informationen verfügbar, nicht bestellbar | ||||
| 623 | 991480 | |||
| Keine Informationen verfügbar, nicht bestellbar | ||||
| 624 | 944291 | |||
| Keine Informationen verfügbar, nicht bestellbar | ||||
| 625 | 873632 | |||
| Keine Informationen verfügbar, nicht bestellbar | ||||
| 626 | 873539 | |||
| Keine Informationen verfügbar, nicht bestellbar | ||||
| 627 | 873540 | |||
| Keine Informationen verfügbar, nicht bestellbar | ||||
| 628 | 873536 | |||
| Keine Informationen verfügbar, nicht bestellbar | ||||
| 629 | 873624 | |||
| Keine Informationen verfügbar, nicht bestellbar | ||||
| 630 | 873626 | |||
| Keine Informationen verfügbar, nicht bestellbar | ||||
| 631 | 873627 | |||
| Keine Informationen verfügbar, nicht bestellbar | ||||
| 632 | 986058 | |||
| Keine Informationen verfügbar, nicht bestellbar | ||||
| 633 | 873633 | |||
| Keine Informationen verfügbar, nicht bestellbar | ||||
| 634 | 955151 | |||
| Keine Informationen verfügbar, nicht bestellbar | ||||
| 635 | 955138 | |||
| Keine Informationen verfügbar, nicht bestellbar | ||||
| 636 | 955139 | |||
| Keine Informationen verfügbar, nicht bestellbar | ||||
| 637 | 955140 | |||
| Keine Informationen verfügbar, nicht bestellbar | ||||
| 638 | 955141 | |||
| Keine Informationen verfügbar, nicht bestellbar | ||||
| 639 | 955142 | |||
| Keine Informationen verfügbar, nicht bestellbar | ||||
| 640 | 955149 | |||
| Keine Informationen verfügbar, nicht bestellbar | ||||
| 641 | 955150 | |||
| Keine Informationen verfügbar, nicht bestellbar | ||||
| 642 | 955143 | |||
| Keine Informationen verfügbar, nicht bestellbar | ||||
| 643 | 955144 | |||
| SOCKET ASS'Y FOR DUCT 13MMX95L | ||||
| 644 | 992613 | 75.96 | 90.39 | |
| Keine Informationen verfügbar, nicht bestellbar | ||||
| 645 | 992614 | |||
| Keine Informationen verfügbar, nicht bestellbar | ||||
| 646 | 992615 | |||
| Keine Informationen verfügbar, nicht bestellbar | ||||
| 647 | 992616 | |||
| Keine Informationen verfügbar, nicht bestellbar | ||||
| 648 | 993658 | |||
| Keine Informationen verfügbar, nicht bestellbar | ||||
| 649 | 993659 | |||
| Fett (attolub Ms Nr. 2) 500g | ||||
| 650 | 309922 | 73.01 | 86.88 | |