Hier finden Sie alle verfügbaren Teile und Zeichnungen der 'Makita 6075D'. Von hier aus können Sie alle gewünschten Teile direkt bestellen. Viele Teile müssen je nach Marke beim Hersteller bestellt werden, dies dauert ein bis vier Wochen. Alle Informationen, die wir haben, befinden sich auf unserer Website. Wir können Sie nicht beraten, was Sie benötigen. Dazu müssen Sie die Maschine zur Reparatur zurücksenden. Bitte beachten Sie bei der Bestellung Folgendes:
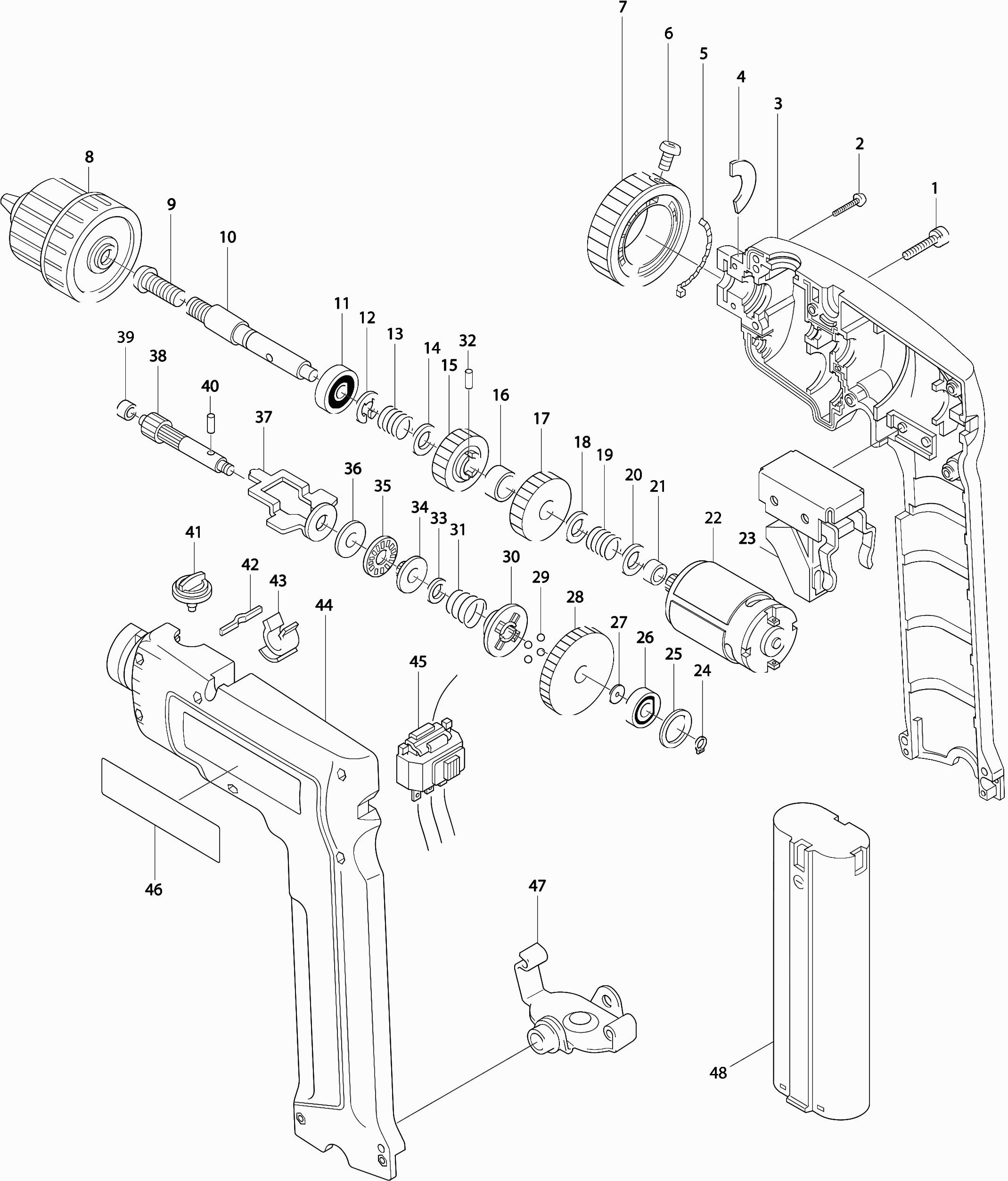
Zeichnungen der Makita 6075D
Teileliste der Makita 6075D
| Pos. | Beschreibung | Preis ohne MwSt | Preis inkl. MwSt | |
| Die angegebenen Preise enthalten die Mehrwertsteuer | ||||
| Schraube 4x22 | ||||
| 001 | 911143-2 | 1.00 | 1.19 | |
| Schraube 4x35 | ||||
| 002 | 911163-6 | 1.00 | 1.19 | |
| Motorgehäuse 6073Dw-6074Dw-6075 | ||||
| 003 | 181974-5 | 26.40 | 31.42 | |
| Nicht mehr lieferbar, kein Ersatz | ||||
| 004 | 343421-6 | |||
| Nockenring | ||||
| 005 | 343410-1 | 2.40 | 2.86 | |
| SCHROEF 5X12 | ||||
| 006 | 251322-3 | 1.00 | 1.19 | |
| Schaltring | ||||
| 007 | 410936-9 | 8.40 | 10.00 | |
| Nicht mehr lieferbar, kein Ersatz | ||||
| 009 | 251451-2 | |||
| Gelenkwelle (a) | ||||
| 010 | 321995-7 | 11.00 | 13.09 | |
| Kugellager 6000llb | ||||
| 011 | 211061-7 | 8.40 | 10.00 | |
| Sprengring E-9 | ||||
| 012 | 961015-1 | 1.00 | 1.19 | |
| Druckfeder 10 | ||||
| 013 | 231250-8 | 1.00 | 1.19 | |
| Dünne Unterlegscheibe 10 | ||||
| 014 | 253330-0 | 1.00 | 1.19 | |
| Zahnrad 78 | ||||
| 015 | 221862-5 | 18.70 | 22.25 | |
| Keine Informationen verfügbar, nicht bestellbar | ||||
| 016 | 257073-6 | |||
| Getriebe 93 | ||||
| 017 | 221884-5 | 17.60 | 20.94 | |
| Dünne Unterlegscheibe 10 | ||||
| 018 | 253330-0 | 1.00 | 1.19 | |
| Druckfeder 10 | ||||
| 019 | 231250-8 | 1.00 | 1.19 | |
| Sicherungsscheibe 5 | ||||
| 020 | 253807-5 | 1.00 | 1.19 | |
| Gleitlager 5 | ||||
| 021 | 214017-9 | 1.00 | 1.19 | |
| Motor 7.2 V 6073Dw-6075Dw * | ||||
| 022 | 629557-8 | 14.30 | 17.02 | |
| Keine Informationen verfügbar, nicht bestellbar | ||||
| 023 | 651354-4 | |||
| Sicherungsring S-6 | ||||
| 024 | 961002-0 | 1.00 | 1.19 | |
| Unterlegscheibe 14 | ||||
| 025 | 253842-3 | 1.00 | 1.19 | |
| Kugellager 626llb | ||||
| 026 | 211016-2 | 6.00 | 7.14 | |
| Unterlegscheibe 6 | ||||
| 027 | 253804-1 | 1.00 | 1.19 | |
| Zahnrad 76 6073-6074-6075Dw * | ||||
| 028 | 226234-9 | 10.80 | 12.85 | |
| Keine Informationen verfügbar, nicht bestellbar | ||||
| 029 | 216011-7 | |||
| Kupplungsplatte | ||||
| 030 | 223086-9 | 4.80 | 5.71 | |
| Keine Informationen verfügbar, nicht bestellbar | ||||
| 031 | 231927-5 | |||
| Stift 3 | ||||
| 032 | 256101-4 | 1.00 | 1.19 | |
| Unterlegscheibe 8 | ||||
| 033 | 257141-5 | 2.40 | 2.86 | |
| Scheibe | ||||
| 034 | 341902-4 | 1.00 | 1.19 | |
| Drucknadellager 1023 | ||||
| 035 | 216413-7 | 3.60 | 4.28 | |
| Unterlegscheibe 8 * | ||||
| 036 | 253851-2 | 1.00 | 1.19 | |
| Schlitten | ||||
| 037 | 164840-1 | 3.60 | 4.28 | |
| Zahnrad 12-28 | ||||
| 038 | 226062-2 | 26.40 | 31.42 | |
| Gleitlager 4 | ||||
| 039 | 214019-5 | 1.00 | 1.19 | |
| Stift 3 | ||||
| 040 | 256157-7 | 1.00 | 1.19 | |
| Einstellknopf 6012Hdw-6095Dw | ||||
| 041 | 168096-8 | 4.80 | 5.71 | |
| Blattfeder | ||||
| 042 | 232053-3 | 1.00 | 1.19 | |
| Bohrfutterschlüsselklemme | ||||
| 043 | 411640-3 | 1.00 | 1.19 | |
| Keine Informationen verfügbar, nicht bestellbar | ||||
| 045 | 531074-5 | |||
| Batterieanschlussplatte | ||||
| 047 | 342833-0 | 2.40 | 2.86 | |