Hier finden Sie alle verfügbaren Teile und Zeichnungen der 'Makita 6800DBV'. Von hier aus können Sie alle gewünschten Teile direkt bestellen. Viele Teile müssen je nach Marke beim Hersteller bestellt werden, dies dauert ein bis vier Wochen. Alle Informationen, die wir haben, befinden sich auf unserer Website. Wir können Sie nicht beraten, was Sie benötigen. Dazu müssen Sie die Maschine zur Reparatur zurücksenden. Bitte beachten Sie bei der Bestellung Folgendes:
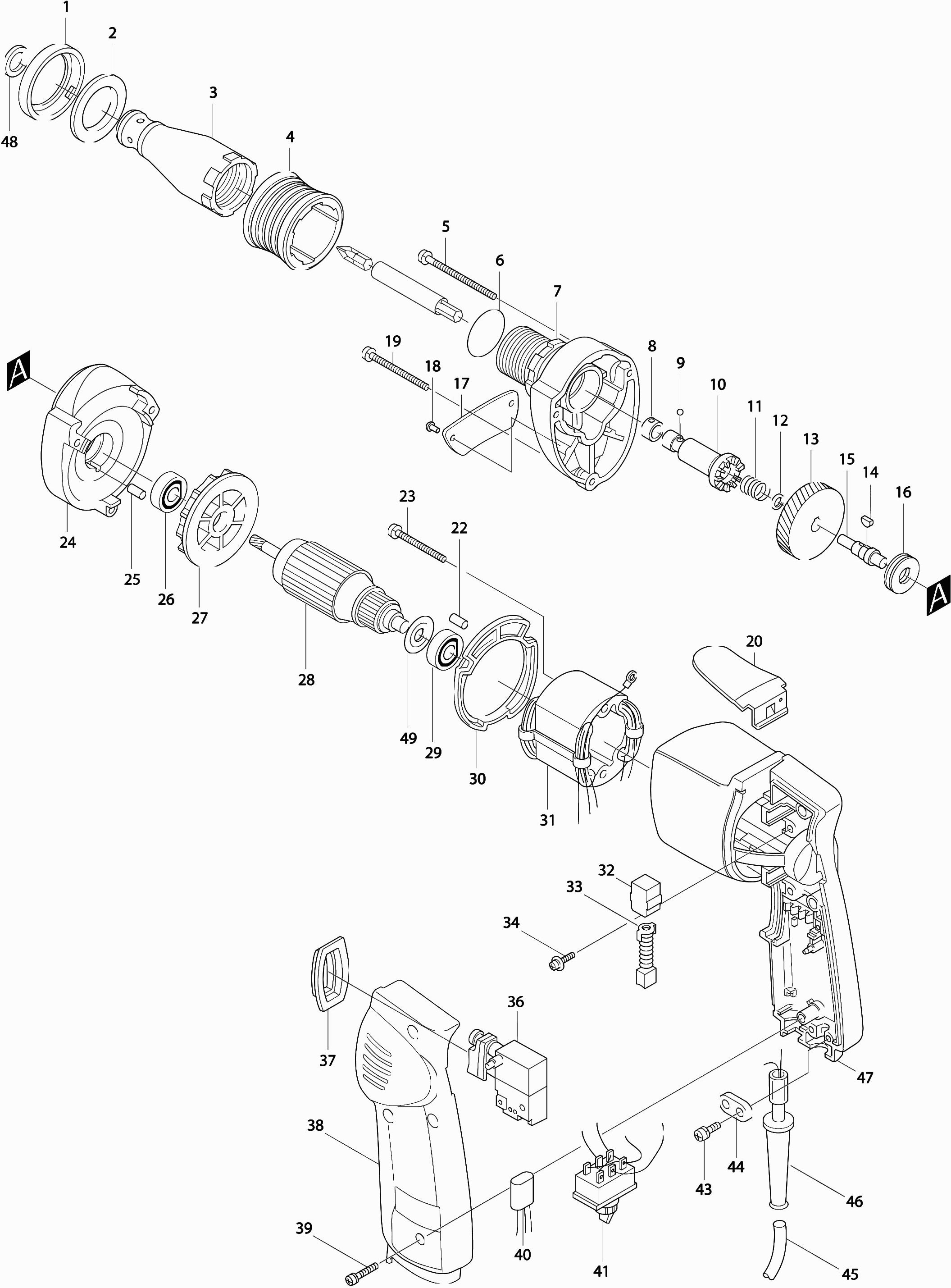
Zeichnungen der Makita 6800DBV
Teileliste der Makita 6800DBV
| Pos. | Beschreibung | Preis ohne MwSt | Preis inkl. MwSt | |
| Die angegebenen Preise enthalten die Mehrwertsteuer | ||||
| Schutzring | ||||
| 001 | 411297-0 | 2.40 | 2.86 | |
| Filzring | ||||
| 002 | 443028-9 | 1.00 | 1.19 | |
| Keine Informationen verfügbar, nicht bestellbar | ||||
| 003 | 411292-0 | |||
| Sicherungshülse | ||||
| 004 | 411293-8 | 6.00 | 7.14 | |
| Schraube 4X55 | ||||
| 005 | 911183-0 | 1.00 | 1.19 | |
| O-Ring 23 | ||||
| 006-1 | 213404-9 | 1.20 | 1.43 | |
| Getriebegehaeuse | ||||
| 007-1 | 156681-9 | 18.70 | 22.25 | |
| Blattfeder | ||||
| 008 | 232050-9 | 1.00 | 1.19 | |
| Keine Informationen verfügbar, nicht bestellbar | ||||
| 009 | 216001-0 | |||
| Schraubenschaft 6801Dbv | ||||
| 010 | 133457-1 | 22.00 | 26.18 | |
| Druckfeder 9 | ||||
| 011 | 231139-0 | 1.20 | 1.43 | |
| Dünne Unterlegscheibe 8 * | ||||
| 012 | 253324-5 | 1.00 | 1.19 | |
| Zahnrad 56 | ||||
| 013 | 221675-4 | 82.50 | 98.18 | |
| 3 Einlagenkeil | ||||
| 014 | 254031-3 | 1.00 | 1.19 | |
| Antriebswelle 6801Dbv * | ||||
| 015 | 325485-2 | 17.60 | 20.94 | |
| Druck Nadellager 1023 * | ||||
| 016 | 212057-1 | 6.00 | 7.14 | |
| Niete 0,5 | ||||
| 018 | 953106-2 | 1.00 | 1.19 | |
| Keine Informationen verfügbar, nicht bestellbar | ||||
| 019 | 911173-3 | |||
| Tragebügel | ||||
| 020-1 | 343693-3 | 2.40 | 2.86 | |
| Gummistift 4 | ||||
| 022 | 263002-9 | 1.00 | 1.19 | |
| Schraube 4X50 * | ||||
| 023-3 | 911576-1 | 4.80 | 5.71 | |
| Keine Informationen verfügbar, nicht bestellbar | ||||
| 024 | 156682-7 | |||
| Gummistift 4 | ||||
| 025 | 263002-9 | 1.00 | 1.19 | |
| Kugellager 627llb | ||||
| 026 | 210025-8 | 3.60 | 4.28 | |
| Lüfter 58 * | ||||
| 027 | 241803-5 | 4.80 | 5.71 | |
| Anker 6800Dbv * | ||||
| 028G | 511763-8 | 48.40 | 57.60 | |
| Kugellager 627llb | ||||
| 029 | 210025-8 | 3.60 | 4.28 | |
| Keine Informationen verfügbar, nicht bestellbar | ||||
| 030-1 | 414463-8 | |||
| Feld 6800Dbv * | ||||
| 031N | 627059-8 | 28.60 | 34.03 | |
| Kohlekasten Zsb | ||||
| 032 | 643552-4 | 1.20 | 1.43 | |
| KOOLBORSTEL SET CB-64 A | ||||
| 033C | 194968-1 | 4.80 | 5.71 | |
| Keine Informationen verfügbar, nicht bestellbar | ||||
| 034 | 911124-6 | |||
| Keine Informationen verfügbar, nicht bestellbar | ||||
| 036B1 | 651247-5 | |||
| Schalter Sw-121 | ||||
| 036B2 | 651256-4 | 28.60 | 34.03 | |
| Schalter | ||||
| 036B3 | 650226-0 | 26.40 | 31.42 | |
| Staubkappe für Schalter | ||||
| 037 | 411852-8 | 1.20 | 1.43 | |
| Griffabdeckung | ||||
| 038-1 | 154960-9 | 8.40 | 10.00 | |
| Keine Informationen verfügbar, nicht bestellbar | ||||
| 039 | 911153-9 | |||
| Kondensator | ||||
| 040J1 | 645253-0 | 4.80 | 5.71 | |
| Schalter Sw-78 | ||||
| 041-1 | 651478-6 | 11.00 | 13.09 | |
| Schraube 4X18 | ||||
| 043-1 | 911133-5 | 1.00 | 1.19 | |
| Klemmenhalterung | ||||
| 044 | 687001-1 | 1.00 | 1.19 | |
| Keine Informationen verfügbar, nicht bestellbar | ||||
| 045V | 666066-6 | |||
| Kabeltülle 8-85 | ||||
| 046A | 682502-4 | 2.40 | 2.86 | |
| Keine Informationen verfügbar, nicht bestellbar | ||||
| 047-2 | 159062-6 | |||
| Motorgehäuse | ||||
| 047-3 | 188104-9 | 17.60 | 20.94 | |
| Kunststoffring 11 | ||||
| 048 | 261058-6 | 1.00 | 1.19 | |
| Isolierring | ||||
| 049 | 681617-4 | 1.00 | 1.19 | |