Hier finden Sie alle verfügbaren Teile und Zeichnungen der 'Makita 8411D'. Von hier aus können Sie alle gewünschten Teile direkt bestellen. Viele Teile müssen je nach Marke beim Hersteller bestellt werden, dies dauert ein bis vier Wochen. Alle Informationen, die wir haben, befinden sich auf unserer Website. Wir können Sie nicht beraten, was Sie benötigen. Dazu müssen Sie die Maschine zur Reparatur zurücksenden. Bitte beachten Sie bei der Bestellung Folgendes:
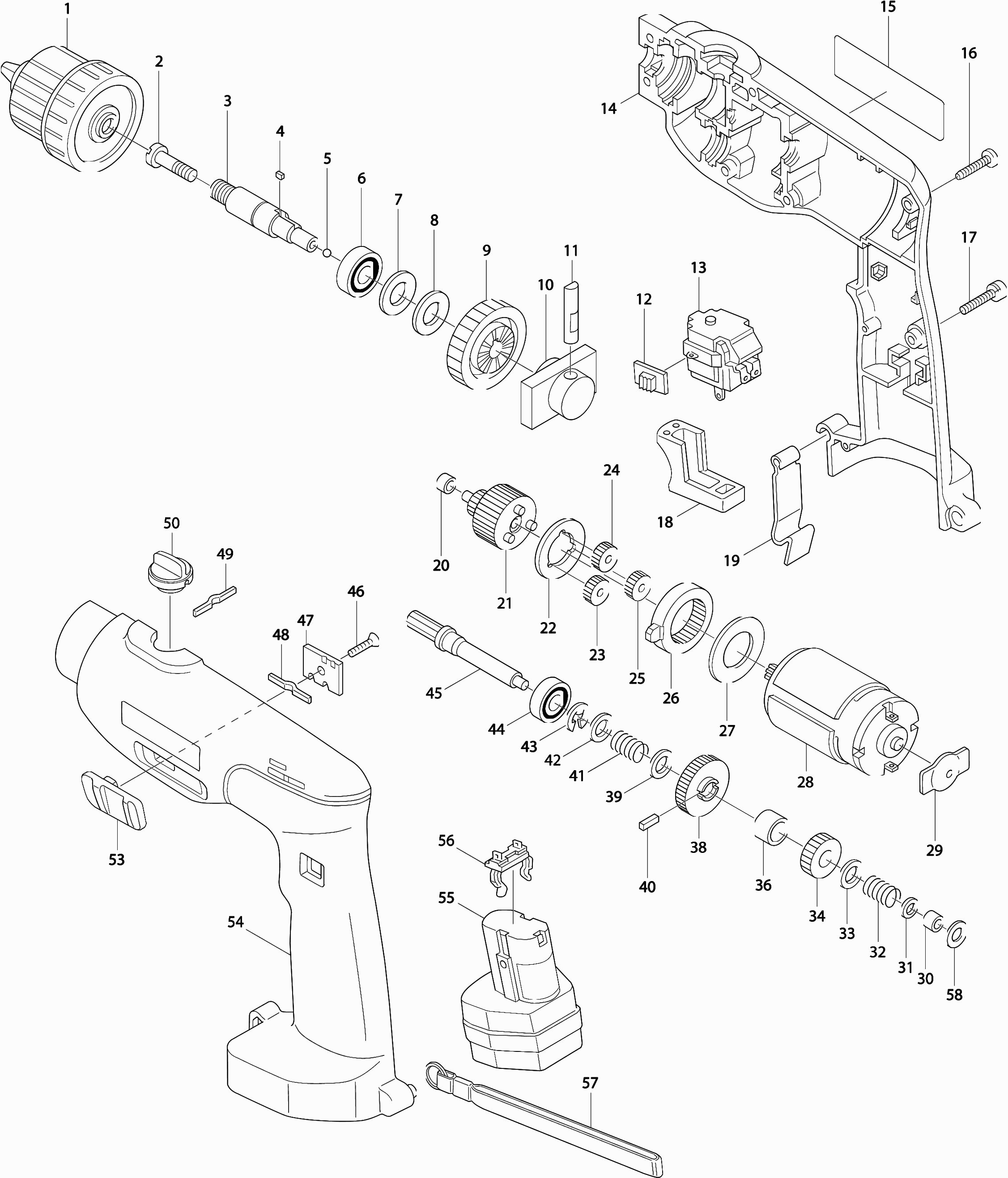
Zeichnungen der Makita 8411D
Teileliste der Makita 8411D
| Pos. | Beschreibung | Preis ohne MwSt | Preis inkl. MwSt | |
| Die angegebenen Preise enthalten die Mehrwertsteuer | ||||
| Boorkop snelspan 1-10mm | ||||
| 001 | 192282-9 | 29.00 | 34.51 | |
| Nicht mehr lieferbar, kein Ersatz | ||||
| 002 | 251451-2 | |||
| Keine Informationen verfügbar, nicht bestellbar | ||||
| 003 | 322541-9 | |||
| Federkeil 4 | ||||
| 004 | 254011-9 | 1.00 | 1.19 | |
| Stahlkugel 4.8 | ||||
| 005 | 216002-8 | 1.00 | 1.19 | |
| Kugellager 6201dw1 | ||||
| 006 | 211129-9 | 8.40 | 10.00 | |
| Unterlegscheibe 12 * | ||||
| 007 | 253071-8 | 1.00 | 1.19 | |
| Unterlegscheibe 12 * | ||||
| 008 | 253071-8 | 1.00 | 1.19 | |
| Keine Informationen verfügbar, nicht bestellbar | ||||
| 009 | 226255-1 | |||
| Keine Informationen verfügbar, nicht bestellbar | ||||
| 010 | 153215-9 | |||
| Einstellstift Hp1300S-Nhp1300S * | ||||
| 011 | 321111-1 | 6.00 | 7.14 | |
| Schalter schieben | ||||
| 012 | 414740-8 | 2.40 | 2.86 | |
| Schalter Sw-104 | ||||
| 013 | 650500-6 | 39.60 | 47.12 | |
| Gehäuseset 8411D * | ||||
| 014 | 182822-1 | 26.40 | 31.42 | |
| Gewindeschneidende Schraube 4x20 | ||||
| 016 | 265925-7 | 1.00 | 1.19 | |
| Schraube 4x22 | ||||
| 017 | 911143-2 | 1.00 | 1.19 | |
| Schaltergriff | ||||
| 018 | 415671-4 | 1.20 | 1.43 | |
| Keine Informationen verfügbar, nicht bestellbar | ||||
| 019 | 343579-1 | |||
| Gleitlager 4 | ||||
| 020 | 214019-5 | 1.00 | 1.19 | |
| Getriebe | ||||
| 021 | 153213-3 | 23.10 | 27.49 | |
| 16 * Unterlegscheibe | ||||
| 022 | 267098-2 | 1.20 | 1.43 | |
| Keine Informationen verfügbar, nicht bestellbar | ||||
| 023 | 226245-4 | |||
| Keine Informationen verfügbar, nicht bestellbar | ||||
| 024 | 226245-4 | |||
| Keine Informationen verfügbar, nicht bestellbar | ||||
| 025 | 226245-4 | |||
| Zahnrad 48 6201Dw-6211Dw-631* | ||||
| 026 | 226248-8 | 9.60 | 11.42 | |
| Unterlegscheibe 18 | ||||
| 027 | 253794-8 | 1.00 | 1.19 | |
| Motor 12V 6211Dw-6311Dw-8411Dw | ||||
| 028 | 629636-2 | 35.20 | 41.89 | |
| Motorpressplatte * | ||||
| 029 | 343970-3 | 1.20 | 1.43 | |
| Kugellager 404* | ||||
| 030 | 211044-7 | 9.60 | 11.42 | |
| 4 Unterlegscheibe | ||||
| 031 | 267099-0 | 1.00 | 1.19 | |
| Druckfeder 8 | ||||
| 032 | 231025-5 | 1.00 | 1.19 | |
| Dünne Unterlegscheibe 8 | ||||
| 033 | 253339-2 | 1.00 | 1.19 | |
| Zahnrad 25 | ||||
| 034 | 226261-6 | 14.30 | 17.02 | |
| Unterlegscheibe 12 6201/11/8411/12D * | ||||
| 036 | 257178-2 | 2.40 | 2.86 | |
| Zahnrad 40 | ||||
| 038 | 226247-0 | 2.40 | 2.86 | |
| Dünne Unterlegscheibe 8 | ||||
| 039 | 253339-2 | 1.00 | 1.19 | |
| 3 Einlagenkeil | ||||
| 040 | 254236-5 | 2.40 | 2.86 | |
| Druckfeder 8 | ||||
| 041 | 231025-5 | 1.00 | 1.19 | |
| Keine Informationen verfügbar, nicht bestellbar | ||||
| 042 | 257550-8 | |||
| Stoppring E-7 | ||||
| 043 | 961013-5 | 1.00 | 1.19 | |
| Kugellager 608llb | ||||
| 044 | 210043-6 | 2.40 | 2.86 | |
| Keine Informationen verfügbar, nicht bestellbar | ||||
| 045 | 226256-9 | |||
| Senkschraube M4 * | ||||
| 046 | 265007-5 | 1.00 | 1.19 | |
| Sperrplatte 6201Dw-6211Dw-6* | ||||
| 047 | 343987-6 | 3.60 | 4.28 | |
| Blattfeder | ||||
| 048 | 232053-3 | 1.00 | 1.19 | |
| Blattfeder | ||||
| 049 | 232053-3 | 1.00 | 1.19 | |
| Verstellknopf 800-N800 * | ||||
| 050 | 414564-2 | 1.20 | 1.43 | |
| Drehzahlschieber 6201Dw-6211Dw-6 * | ||||
| 053 | 415014-0 | 2.40 | 2.86 | |
| Akku-Klemme | ||||
| 056 | 643918-8 | 8.40 | 10.00 | |
| Keine Informationen verfügbar, nicht bestellbar | ||||
| 058 | 267111-6 | |||