Hier finden Sie alle verfügbaren Teile und Zeichnungen der 'Makita DF030D'. Von hier aus können Sie alle gewünschten Teile direkt bestellen. Viele Teile müssen je nach Marke beim Hersteller bestellt werden, dies dauert ein bis vier Wochen. Alle Informationen, die wir haben, befinden sich auf unserer Website. Wir können Sie nicht beraten, was Sie benötigen. Dazu müssen Sie die Maschine zur Reparatur zurücksenden. Bitte beachten Sie bei der Bestellung Folgendes:
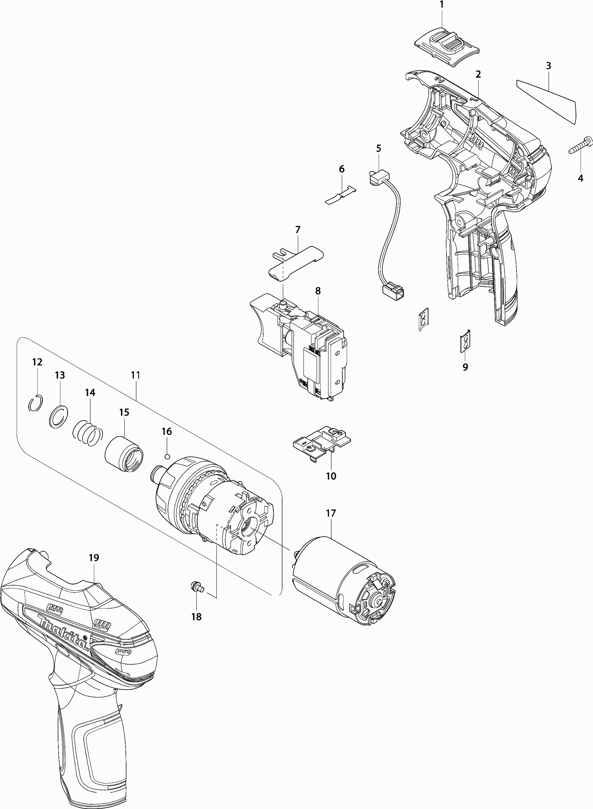
Zeichnungen der Makita DF030D
Teileliste der Makita DF030D
| Pos. | Beschreibung | Preis ohne MwSt | Preis inkl. MwSt | |
| Die angegebenen Preise enthalten die Mehrwertsteuer | ||||
| Hoch-/Tiefgeschwindigkeitsregler | ||||
| 001 | 126233-0 | 2.40 | 2.86 | |
| Druckfeder 4 | ||||
| 001A | 231433-0 | 1.00 | 1.19 | |
| Nicht mehr lieferbar, kein Ersatz | ||||
| 002 | 188498-2 | |||
| Motorgehäuse-Set | ||||
| 002A | 187359-3 | 10.80 | 12.85 | |
| Keine Informationen verfügbar, nicht bestellbar | ||||
| 003 | 865041-1 | |||
| Gewindeschneidschraube 3x16 | ||||
| 004 | 266130-9 | 1.00 | 1.19 | |
| Lichtschaltkreis | ||||
| 005 | 631813-4 | 6.00 | 7.14 | |
| Blattfeder | ||||
| 006 | 232239-9 | 1.00 | 1.19 | |
| V/r Schalterknopf | ||||
| 007 | 450504-6 | 1.00 | 1.19 | |
| Keine Informationen verfügbar, nicht bestellbar | ||||
| 008 | 650645-0 | |||
| Schalter+led | ||||
| 008A | 650699-7 | 34.10 | 40.58 | |
| Klemmplattensatz | ||||
| 009 | 345998-7 | 1.00 | 1.19 | |
| Motoranschluss | ||||
| 010 | 643830-2 | 1.20 | 1.43 | |
| Keine Informationen verfügbar, nicht bestellbar | ||||
| 011 | 123504-6 | |||
| Federring 10 | ||||
| 012 | 231965-7 | 1.00 | 1.19 | |
| Flache Unterlegscheibe | ||||
| 013 | 267143-3 | 1.20 | 1.43 | |
| Druckfeder 13 | ||||
| 014 | 233005-7 | 1.00 | 1.19 | |
| Bithalter | ||||
| 015 | 324919-2 | 2.40 | 2.86 | |
| Stahlkugel 3 | ||||
| 016 | 216019-1 | 1.00 | 1.19 | |
| Motor 10,8v | ||||
| 017 | 629853-4 | 11.00 | 13.09 | |
| Schraube 3x6 | ||||
| 018 | 911003-8 | 1.00 | 1.19 | |
| Nicht mehr lieferbar, kein Ersatz | ||||
| 019 | 188498-2 | |||
| Motorgehäuse-Set | ||||
| 019A | 187359-3 | 10.80 | 12.85 | |