Hier finden Sie alle verfügbaren Teile und Zeichnungen der 'Makita DGP180'. Von hier aus können Sie alle gewünschten Teile direkt bestellen. Viele Teile müssen je nach Marke beim Hersteller bestellt werden, dies dauert ein bis vier Wochen. Alle Informationen, die wir haben, befinden sich auf unserer Website. Wir können Sie nicht beraten, was Sie benötigen. Dazu müssen Sie die Maschine zur Reparatur zurücksenden. Bitte beachten Sie bei der Bestellung Folgendes:
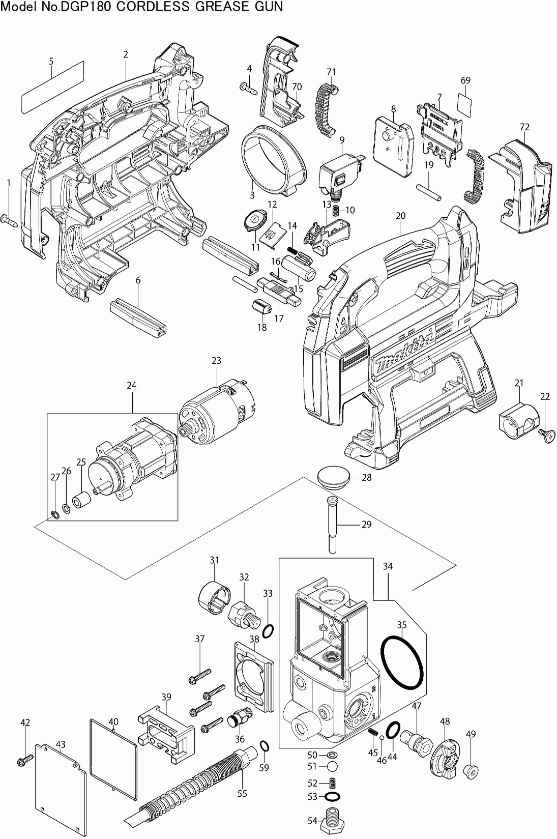
Zeichnungen der Makita DGP180
Teileliste der Makita DGP180
| Pos. | Beschreibung | Preis ohne MwSt | Preis inkl. MwSt | |
| Die angegebenen Preise enthalten die Mehrwertsteuer | ||||
| Gewindebohrer 4x18 | ||||
| 001 | 265A48-7 | 1.00 | 1.19 | |
| Motorhaus DGP180 | ||||
| 002 | 183R38-9 | 36.30 | 43.20 | |
| Gummistift 4 | ||||
| 002C10 | 263002-9 | 1.00 | 1.19 | |
| Sicherungsmutter M4x7mm | ||||
| 002C20 | 252126-6 | 1.00 | 1.19 | |
| Rohrhalter DGP180 | ||||
| 003 | 459621-9 | 2.40 | 2.86 | |
| Gewindebohrer 4x18 | ||||
| 004 | 265A48-7 | 1.00 | 1.19 | |
| Namensschild DGP180 | ||||
| 005 | 856C52-5 | 3.60 | 4.28 | |
| Fuss DGP180 | ||||
| 006 | 422479-9 | 1.20 | 1.43 | |
| Anschlusseinheit (3 Kontakte) | ||||
| 007 | 644809-6 | 4.80 | 5.71 | |
| Controller DGP180 | ||||
| 008 | 620A88-6 | 56.10 | 66.76 | |
| Leitungsfilter | ||||
| 008C10 | 688164-6 | 1.00 | 1.19 | |
| Schalter WR100D | ||||
| 009 | 651391-8 | 23.10 | 27.49 | |
| Druckfeder 4mm DGP180 | ||||
| 010 | 233306-3 | 1.00 | 1.19 | |
| Schaltplatte DGP180 | ||||
| 011 | 140M75-6 | 6.00 | 7.14 | |
| Label A/U DGP180 | ||||
| 011C10 | 819V26-1 | 2.40 | 2.86 | |
| Schalterkreis DGP180 | ||||
| 012 | 620A89-4 | 10.80 | 12.85 | |
| Schalterhebel DGP180 | ||||
| 013 | 459623-5 | 3.60 | 4.28 | |
| Druckfeder 4 | ||||
| 014 | 231433-0 | 1.00 | 1.19 | |
| Keine Informationen verfügbar, nicht bestellbar | ||||
| 015 | 419705-5 | |||
| Blattfeder | ||||
| 016 | 232201-4 | 2.40 | 2.86 | |
| A/U Taste DGP180 | ||||
| 017 | 459624-3 | 2.40 | 2.86 | |
| LED-Kreis DGP180 | ||||
| 018 | 620A90-9 | 9.60 | 11.42 | |
| Stift 5 | ||||
| 019 | 268306-4 | 1.00 | 1.19 | |
| Motorhaus DGP180 | ||||
| 020 | 183R38-9 | 36.30 | 43.20 | |
| Gummistift 4 | ||||
| 020C10 | 263002-9 | 1.00 | 1.19 | |
| Sicherungsmutter M4x7mm | ||||
| 020C20 | 252126-6 | 1.00 | 1.19 | |
| Schlauchhalter DGP180 | ||||
| 021 | 422643-2 | 2.40 | 2.86 | |
| Met.schraube M4x14mm DGP180 | ||||
| 022 | 265B56-4 | 1.00 | 1.19 | |
| Motor DC 18V | ||||
| 023 | 629387-7 | 26.40 | 31.42 | |
| Getriebe set DGP180 | ||||
| 024 | 136124-7 | 39.60 | 47.12 | |
| Gleitlager 6 DGP180 | ||||
| 025 | 214079-7 | 2.40 | 2.86 | |
| Unterlegscheibe 6mm DGP180 | ||||
| 026 | 253477-0 | 1.00 | 1.19 | |
| Sicherungsring S-6 | ||||
| 027 | 961002-0 | 1.00 | 1.19 | |
| Abdeckkappe 32 DGP180 | ||||
| 028 | 286043-8 | 1.00 | 1.19 | |
| Stift 7mm | ||||
| 029 | 256951-7 | 2.40 | 2.86 | |
| Klappdeckel DGP180 | ||||
| 031 | 459622-7 | 1.20 | 1.43 | |
| Entlastungsventil DGP180 | ||||
| 032 | 140M83-7 | 23.10 | 27.49 | |
| O-Ring 12,5 DGP180 | ||||
| 033 | 213918-8 | 1.00 | 1.19 | |
| Pumpengehäuse Assy DGP180 | ||||
| 034 | 136128-9 | 60.50 | 72.00 | |
| Einstellschraube DGP180 | ||||
| 034C10 | 265A55-0 | 1.00 | 1.19 | |
| Einstellschraube DGP180 | ||||
| 034C11 | 265A55-0 | 1.00 | 1.19 | |
| Dichtung A DGP180 | ||||
| 035 | 422476-5 | 2.40 | 2.86 | |
| Ausgangsdichtung DGP180 A | ||||
| 036 | 162B92-0 | 12.10 | 14.40 | |
| Schraube 4x25 | ||||
| 037 | 911148-2 | 1.00 | 1.19 | |
| Achsführer DGP180 | ||||
| 038 | 310961-9 | 4.80 | 5.71 | |
| Führer DGP180 | ||||
| 039 | 310960-1 | 6.00 | 7.14 | |
| Dichtring DGP180 | ||||
| 040 | 422480-4 | 1.00 | 1.19 | |
| Schraube 4x16 A | ||||
| 042 | 911526-6 | 1.00 | 1.19 | |
| Pumpendeckel DGP180 | ||||
| 043 | 347546-8 | 3.60 | 4.28 | |
| O-Ring 14 | ||||
| 044 | 213182-1 | 1.20 | 1.43 | |
| Druckfeder 4 | ||||
| 045 | 231314-8 | 1.00 | 1.19 | |
| Stahlkugel 4 | ||||
| 046 | 216008-6 | 1.00 | 1.19 | |
| Schaltventil DGP180 | ||||
| 047 | 140M82-9 | 9.60 | 11.42 | |
| Sternknopf DGP180 | ||||
| 048 | 459620-1 | 2.40 | 2.86 | |
| Gewindestift M10x7mm DGP180 | ||||
| 049 | 265A57-6 | 1.00 | 1.19 | |
| Niet 8 DGP180 | ||||
| 050 | 257494-2 | 2.40 | 2.86 | |
| Stahlkugel 10 | ||||
| 051 | 216003-6 | 1.00 | 1.19 | |
| Druckfeder 4 DGP180 | ||||
| 052 | 232557-5 | 1.00 | 1.19 | |
| O-Ring 12,5 DGP180 | ||||
| 053 | 213918-8 | 1.00 | 1.19 | |
| Innensechskantschraube M12x16mm DGP180 | ||||
| 054 | 265A56-8 | 7.20 | 8.57 | |
| Nicht mehr lieferbar, kein Ersatz | ||||
| 055 | 191A79-9 | |||
| Nicht mehr lieferbar, kein Ersatz | ||||
| 055C10 | 162662-3 | |||
| O-Ring 9 | ||||
| 059 | 213054-0 | 1.00 | 1.19 | |
| Vetpatroonhouder dicht | ||||
| 060 | 191B12-7 | 59.00 | 70.21 | |
| Stossstange DGP180 | ||||
| 061 | 140T28-7 | 8.40 | 10.00 | |
| Switch DGP180 | ||||
| 061C10 | 459619-6 | 2.40 | 2.86 | |
| Spannstift 4-20 | ||||
| 061C20 | 951116-3 | 1.00 | 1.19 | |
| Zylinder A DGP180 | ||||
| 062 | 327379-7 | 32.53 | 38.71 | |
| Abdeckung A DGP180 | ||||
| 063 | 347543-4 | 6.00 | 7.14 | |
| Keine Informationen verfügbar, nicht bestellbar | ||||
| 064 | 232775-5 | |||
| Platte A DGP180 | ||||
| 065 | 413459-6 | 6.00 | 7.14 | |
| Dichtung A DGP180 | ||||
| 066 | 422685-6 | 6.00 | 7.14 | |
| Unterlegscheibe 8 | ||||
| 067 | 941202-8 | 1.00 | 1.19 | |
| Sechskantmutter M6 | ||||
| 068 | 931302-2 | 1.00 | 1.19 | |
| Seriennummer Etikett DGP180 | ||||
| 069 | 856C61-4 | 2.40 | 2.86 | |
| Batteriegehäuse DGP180 | ||||
| 070 | 187303-0 | 4.80 | 5.71 | |
| Dämpfungsgummi | ||||
| 071 | 424473-7 | 2.40 | 2.86 | |
| Batteriegehäuse DGP180 | ||||
| 072 | 187303-0 | 4.80 | 5.71 | |