Hier finden Sie alle verfügbaren Teile und Zeichnungen der 'Makita DHP489'. Von hier aus können Sie alle gewünschten Teile direkt bestellen. Viele Teile müssen je nach Marke beim Hersteller bestellt werden, dies dauert ein bis vier Wochen. Alle Informationen, die wir haben, befinden sich auf unserer Website. Wir können Sie nicht beraten, was Sie benötigen. Dazu müssen Sie die Maschine zur Reparatur zurücksenden. Bitte beachten Sie bei der Bestellung Folgendes:
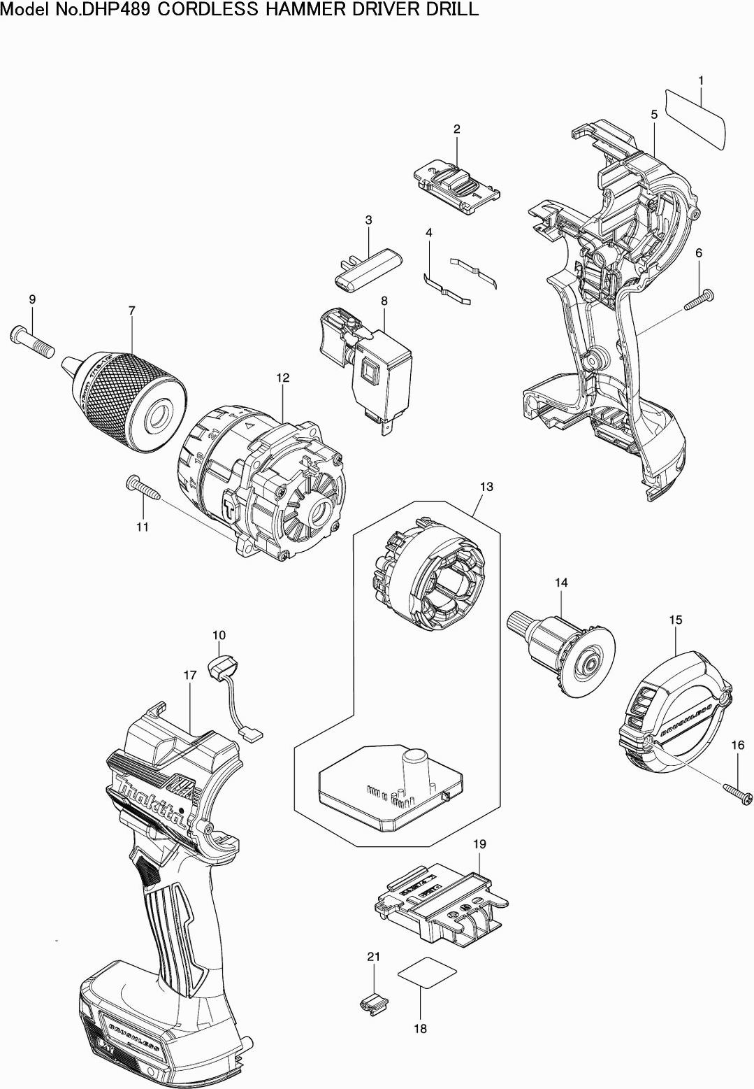
Zeichnungen der Makita DHP489
Teileliste der Makita DHP489
| Pos. | Beschreibung | Preis ohne MwSt | Preis inkl. MwSt | |
| Die angegebenen Preise enthalten die Mehrwertsteuer | ||||
| NAAMPLAAT DHP489 | ||||
| 001 | 8585E1-5 | 1.00 | 1.19 | |
| Schalterknopf DF001G | ||||
| 002 | 127494-5 | 1.20 | 1.43 | |
| Druckfeder 4 | ||||
| 002C10 | 233438-6 | 1.00 | 1.19 | |
| L/R Schalterknopf | ||||
| 003 | 419041-9 | 1.20 | 1.43 | |
| Blattfeder | ||||
| 004 | 232220-0 | 1.00 | 1.19 | |
| MOTORHUIS DHP/DDF489 | ||||
| 005 | 183X19-9 | 14.30 | 17.02 | |
| Gummistift 6 | ||||
| 005C10 | 263005-3 | 1.00 | 1.19 | |
| Sicherungsmutter M4x7mm | ||||
| 005C20 | 252126-6 | 1.00 | 1.19 | |
| Gewindeschneidschraube 3x16 | ||||
| 006 | 266130-9 | 1.00 | 1.19 | |
| Boorkop snelspan 1,5-13mm DHP489 | ||||
| 007 | 763261-0 | 23.00 | 27.37 | |
| Schalter C3jw-4b | ||||
| 008 | 650006-4 | 12.10 | 14.40 | |
| Bohrfutterschraube M6x22mm Li | ||||
| 009 | 251468-5 | 1.00 | 1.19 | |
| Lichtkreis Dhp483 | ||||
| 010 | 620549-0 | 3.60 | 4.28 | |
| Keine Informationen verfügbar, nicht bestellbar | ||||
| 011 | 266326-2 | |||
| TANDWIELSET DHP489 | ||||
| 012 | 122D65-7 | 93.50 | 111.26 | |
| VELD CPL DHP489 | ||||
| 013 | 629B98-6 | 77.00 | 91.63 | |
| ANKER DDF/DHP489 | ||||
| 014 | 619797-6 | 20.90 | 24.87 | |
| AFDEKKAP DDF/DHP489 | ||||
| 015 | 413N80-5 | 2.40 | 2.86 | |
| Gewindeschneidschraube 3x16 | ||||
| 016 | 266130-9 | 1.00 | 1.19 | |
| MOTORHUIS DHP/DDF489 | ||||
| 017 | 183X19-9 | 14.30 | 17.02 | |
| Gummistift 6 | ||||
| 017C10 | 263005-3 | 1.00 | 1.19 | |
| Sicherungsmutter M4x7mm | ||||
| 017C20 | 252126-6 | 1.00 | 1.19 | |
| LABEL SERIENR. DHP489 | ||||
| 018 | 8585E9-9 | 2.40 | 2.86 | |
| Anschlusseinheit | ||||
| 019 | 643874-2 | 3.60 | 4.28 | |
| Schutz AF-DW | ||||
| 021 | 424517-3 | 1.00 | 1.19 | |