Hier finden Sie alle verfügbaren Teile und Zeichnungen der 'Makita DJR189'. Von hier aus können Sie alle gewünschten Teile direkt bestellen. Viele Teile müssen je nach Marke beim Hersteller bestellt werden, dies dauert ein bis vier Wochen. Alle Informationen, die wir haben, befinden sich auf unserer Website. Wir können Sie nicht beraten, was Sie benötigen. Dazu müssen Sie die Maschine zur Reparatur zurücksenden. Bitte beachten Sie bei der Bestellung Folgendes:
Zeichnungen der Makita DJR189
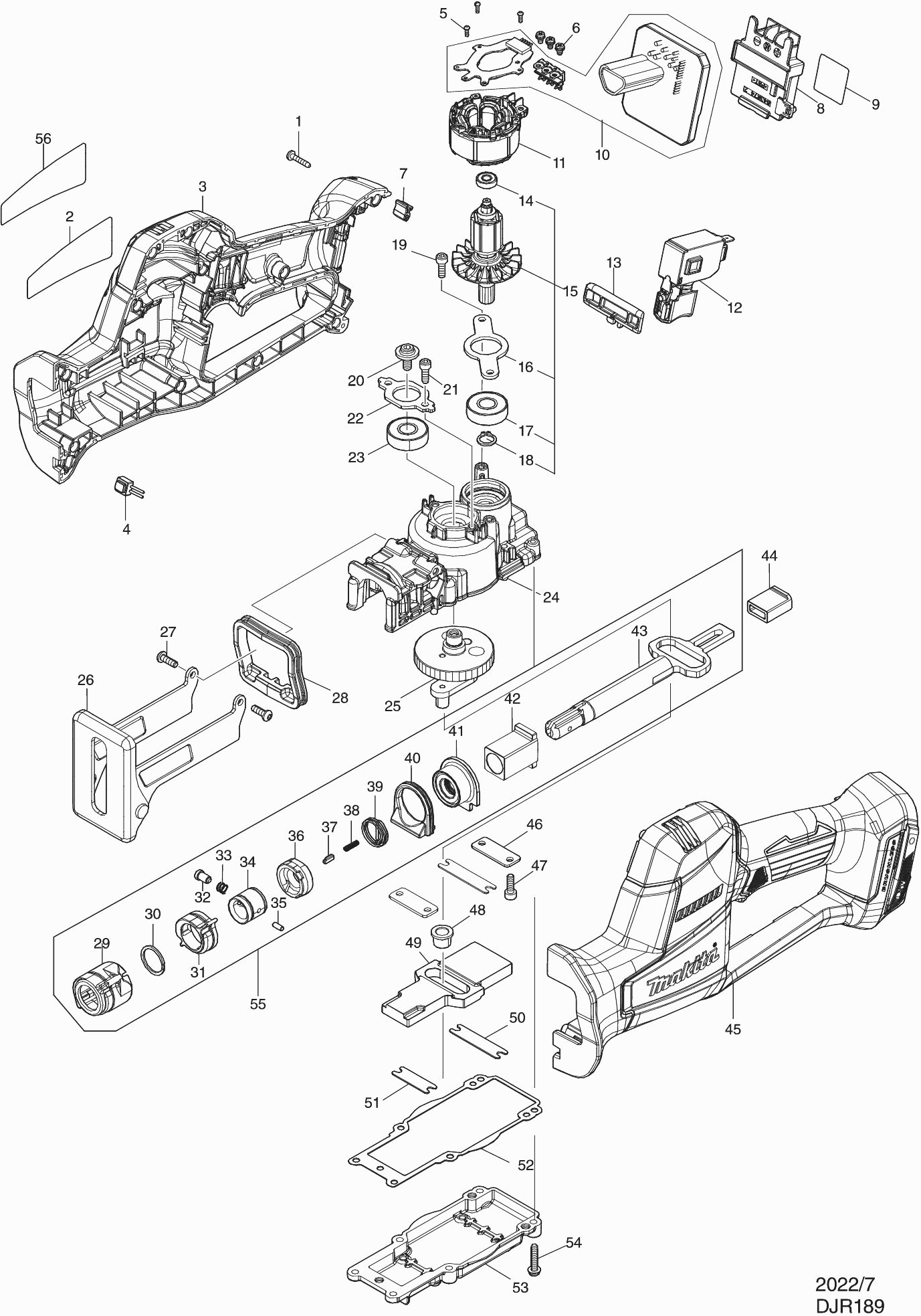
Teileliste der Makita DJR189
| Pos. | Beschreibung | Preis ohne MwSt | Preis inkl. MwSt | |
| Die angegebenen Preise enthalten die Mehrwertsteuer | ||||
| Gewindeschneidschraube 3x16 | ||||
| 001 | 266130-9 | 1.00 | 1.19 | |
| NAAMPLAAT DJR189Z | ||||
| 002 | 858X57-7 | 1.00 | 1.19 | |
| MOTORHUISSET DJR189 | ||||
| 003 | 183W50-9 | 17.60 | 20.94 | |
| Gummistift 6 | ||||
| 003C10 | 263005-3 | 1.00 | 1.19 | |
| Sicherungsmutter M4x7mm | ||||
| 003C20 | 252126-6 | 1.00 | 1.19 | |
| CIRCUIT LED DJR189 | ||||
| 004 | 620K03-0 | 4.80 | 5.71 | |
| Parker Ck 2x6mm | ||||
| 005 | 266490-9 | 1.00 | 1.19 | |
| Kreuzschlitzschraube M3X6 | ||||
| 006 | 652069-6 | 1.00 | 1.19 | |
| Schutz AF-DW | ||||
| 007 | 424517-3 | 1.00 | 1.19 | |
| Anschlusseinheit | ||||
| 008 | 643874-2 | 3.60 | 4.28 | |
| LABEL SERIENR. DJR189Z | ||||
| 009 | 858X65-8 | 2.40 | 2.86 | |
| CONTROLER DJR189 | ||||
| 010 | 620K04-8 | 93.50 | 111.26 | |
| VELD DJR189 | ||||
| 011 | 629B65-1 | 9.60 | 11.42 | |
| Schalter C3jw-4b | ||||
| 012 | 650006-4 | 12.10 | 14.40 | |
| A/U KNOP DJR189 | ||||
| 013 | 413L03-1 | 1.00 | 1.19 | |
| Kugellager 609ddw | ||||
| 014 | 210039-7 | 3.60 | 4.28 | |
| ANKER DJR189 | ||||
| 015 | 519770-5 | 22.00 | 26.18 | |
| LAGERBORGRING 58 DJR189Z | ||||
| 016 | 285054-0 | 1.20 | 1.43 | |
| Kugellager 6000ddw | ||||
| 017 | 211289-7 | 13.20 | 15.71 | |
| Sicherungsring S-10 | ||||
| 018 | 257408-1 | 1.20 | 1.43 | |
| Innensechskantschraube 4x12 | ||||
| 019 | 265353-6 | 1.20 | 1.43 | |
| INBUSB. M5X12MM DJR189 | ||||
| 020 | 265C93-4 | 1.00 | 1.19 | |
| Innensechskantschraube 4x12 | ||||
| 021 | 265353-6 | 1.20 | 1.43 | |
| BORGRING 33 DJR189 | ||||
| 022 | 285055-8 | 1.20 | 1.43 | |
| Kugellager 6000ddw | ||||
| 023 | 211289-7 | 13.20 | 15.71 | |
| TANDWIELHUIS DJR189 | ||||
| 024 | 136824-9 | 12.10 | 14.40 | |
| Gummistift 4 | ||||
| 024C10 | 263002-9 | 1.00 | 1.19 | |
| O-Ring 26 | ||||
| 024C20 | 213434-0 | 1.00 | 1.19 | |
| TANDWIEL CPL DJR189 | ||||
| 025 | 141L92-3 | 17.60 | 20.94 | |
| ZAAGVOET DJR189 | ||||
| 026 | 162B95-4 | 7.20 | 8.57 | |
| INBUSB. M4X12MM DJR189 | ||||
| 027 | 265C84-5 | 1.00 | 1.19 | |
| PAKKINGRING DJR189 | ||||
| 028 | 422950-3 | 1.20 | 1.43 | |
| BESCHERMKAP DJR189Z | ||||
| 029 | 422949-8 | 1.20 | 1.43 | |
| Sprengring 18A | ||||
| 030 | 257430-8 | 1.00 | 1.19 | |
| GELEIDEBUS DJR189Z | ||||
| 031 | 313448-0 | 3.60 | 4.28 | |
| Kragenstift 5 | ||||
| 032 | 256569-4 | 1.20 | 1.43 | |
| Druckfeder 6 | ||||
| 033A | 233345-3 | 1.00 | 1.19 | |
| Druckfeder 6 | ||||
| 033B | 233345-3 | 1.00 | 1.19 | |
| Führungsbuchse JR3061T | ||||
| 034 | 327650-9 | 1.20 | 1.43 | |
| Stift 3mm JR002G | ||||
| 035 | 256A11-1 | 1.00 | 1.19 | |
| Verbindungsbuchse JR001G | ||||
| 036 | 458968-8 | 1.00 | 1.19 | |
| Druckstift JR001G | ||||
| 037 | 310912-2 | 2.40 | 2.86 | |
| Druckfeder 2mm JR001G | ||||
| 038 | 232472-3 | 1.00 | 1.19 | |
| Torsionsfeder 17 JR3051 | ||||
| 039 | 233594-2 | 1.00 | 1.19 | |
| RUBBEREN RING DJR189Z | ||||
| 040 | 422951-1 | 1.00 | 1.19 | |
| RINGHOUDER DJR189Z | ||||
| 041 | 141L93-1 | 2.40 | 2.86 | |
| GLIJLAGER 14 DJR189Z | ||||
| 042 | 214215-5 | 1.20 | 1.43 | |
| ASGELEIDER DJR189Z | ||||
| 043 | 162B76-8 | 18.70 | 22.25 | |
| ZAAGGELEIDER DJR189 | ||||
| 044 | 313450-3 | 1.20 | 1.43 | |
| MOTORHUISSET DJR189 | ||||
| 045 | 183W50-9 | 17.60 | 20.94 | |
| Gummistift 6 | ||||
| 045C10 | 263005-3 | 1.00 | 1.19 | |
| Sicherungsmutter M4x7mm | ||||
| 045C20 | 252126-6 | 1.00 | 1.19 | |
| PLAAT A DJR189 | ||||
| 046 | 347A47-2 | 1.00 | 1.19 | |
| Innensechskantschraube 4x12 | ||||
| 047 | 265353-6 | 1.20 | 1.43 | |
| BUS 8MM DJR189 | ||||
| 048 | 327A55-9 | 1.20 | 1.43 | |
| BALANSGEWICHT DJR189 | ||||
| 049 | 313446-4 | 4.80 | 5.71 | |
| PLAAT R DJR189 | ||||
| 050 | 347A49-8 | 1.00 | 1.19 | |
| PLAAT F DJR189 | ||||
| 051 | 347A48-0 | 1.00 | 1.19 | |
| PAKKING DJR189 | ||||
| 052 | 422952-9 | 2.40 | 2.86 | |
| TANDWIELHUISKAP DJR189 | ||||
| 053 | 312D37-2 | 4.80 | 5.71 | |
| Schraube 4x20 | ||||
| 054 | 911138-5 | 1.00 | 1.19 | |
| ZAAGAS ASSY DJR189 | ||||
| 055 | 136867-1 | 34.10 | 40.58 | |
| Keine Informationen verfügbar, nicht bestellbar | ||||
| 056 | 8058N1-7 | |||