Hier finden Sie alle verfügbaren Teile und Zeichnungen der 'Makita DTM52'. Von hier aus können Sie alle gewünschten Teile direkt bestellen. Viele Teile müssen je nach Marke beim Hersteller bestellt werden, dies dauert ein bis vier Wochen. Alle Informationen, die wir haben, befinden sich auf unserer Website. Wir können Sie nicht beraten, was Sie benötigen. Dazu müssen Sie die Maschine zur Reparatur zurücksenden. Bitte beachten Sie bei der Bestellung Folgendes:
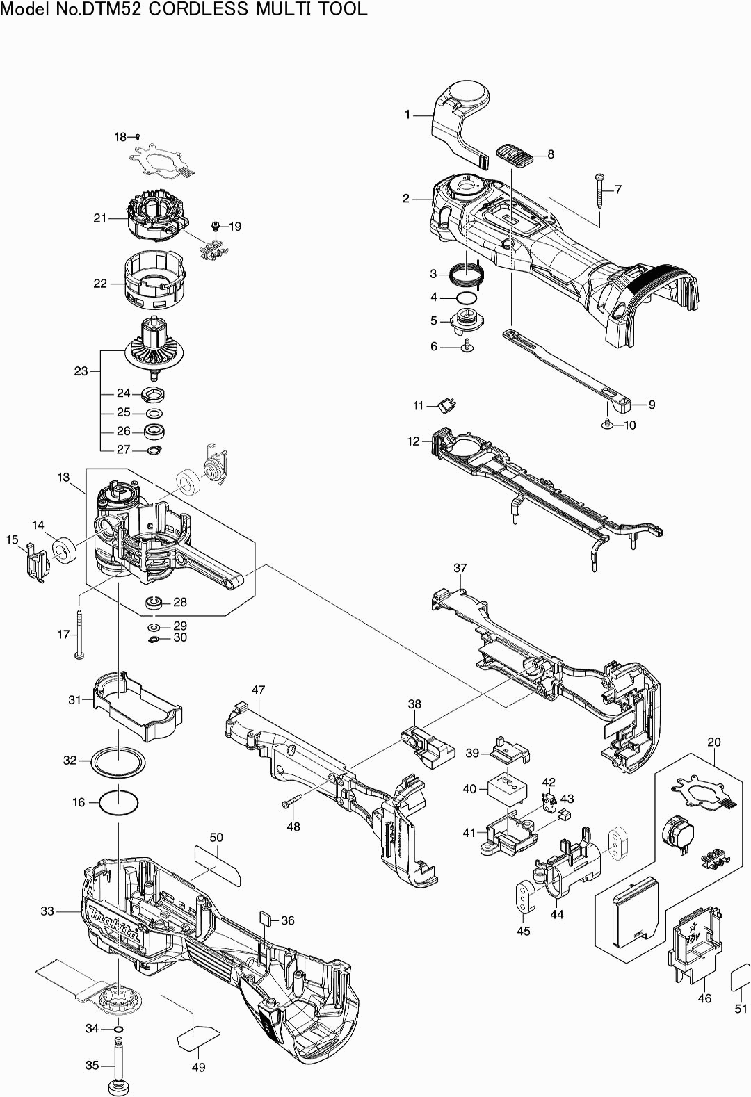
Zeichnungen der Makita DTM52
Teileliste der Makita DTM52
| Pos. | Beschreibung | Preis ohne MwSt | Preis inkl. MwSt | |
| Die angegebenen Preise enthalten die Mehrwertsteuer | ||||
| Schaltergriff DTM52 | ||||
| 001 | 140Y95-2 | 7.20 | 8.57 | |
| Gummistift 4 | ||||
| 001C10 | 263032-0 | 1.00 | 1.19 | |
| Motorgehäusesatz DTM52 | ||||
| 002 | 183S78-3 | 14.30 | 17.02 | |
| Sprengring 2,5-8 | ||||
| 002A | 258018-7 | 1.00 | 1.19 | |
| Drehfeder 25mm DTM52 | ||||
| 003 | 232680-6 | 1.00 | 1.19 | |
| O-Ring 10 | ||||
| 004 | 213070-2 | 1.00 | 1.19 | |
| Keine Informationen verfügbar, nicht bestellbar | ||||
| 005 | 313364-6 | |||
| Metrische Schraube M4x10 DTM52 | ||||
| 006 | 265B82-3 | 1.00 | 1.19 | |
| Schraube 4x35 | ||||
| 007 | 266351-3 | 1.00 | 1.19 | |
| Keine Informationen verfügbar, nicht bestellbar | ||||
| 007-1 | 265B69-5 | |||
| Keine Informationen verfügbar, nicht bestellbar | ||||
| 008 | 413395-6 | |||
| Schalterhebel A DTM52 | ||||
| 009 | 413396-4 | 1.00 | 1.19 | |
| Parker Schraube 3x6mm DTM52 | ||||
| 010 | 265B81-5 | 1.00 | 1.19 | |
| Led Schaltung DTM52 | ||||
| 011 | 620E79-1 | 6.00 | 7.14 | |
| LED-Leitfaden DTM52 | ||||
| 012 | 413400-9 | 2.40 | 2.86 | |
| Keine Informationen verfügbar, nicht bestellbar | ||||
| 013 | 136394-8 | |||
| Stoßpuffer F DTM52 | ||||
| 014 | 422677-5 | 1.00 | 1.19 | |
| Dämpferhalter F DTM52 | ||||
| 015 | 413401-7 | 1.00 | 1.19 | |
| O-Ring 31,5 | ||||
| 016 | 213497-6 | 1.20 | 1.43 | |
| Blechschraube 3x40 | ||||
| 017 | 266327-0 | 1.00 | 1.19 | |
| Parker Ck 2x6mm | ||||
| 018 | 266490-9 | 1.00 | 1.19 | |
| Kreuzschlitzschraube M3X6 | ||||
| 019 | 652069-6 | 1.00 | 1.19 | |
| Controller DTM52 | ||||
| 020 | 620E78-3 | 60.50 | 72.00 | |
| Feld | ||||
| 021 | 629A56-6 | 8.40 | 10.00 | |
| Motorhaus DTM52 | ||||
| 022 | 413394-8 | 1.20 | 1.43 | |
| Anker DTM52 | ||||
| 023 | 519683-0 | 22.00 | 26.18 | |
| AUSGLEICHSGEWICHT DTM52 | ||||
| 024 | 313361-2 | 1.00 | 1.19 | |
| Unterlegscheibe 8 | ||||
| 025 | 253777-8 | 1.00 | 1.19 | |
| Kogellager 688LLU P | ||||
| 026 | 210249-6 | 2.04 | 2.43 | |
| Sicherungsring S-8 | ||||
| 027 | 961004-6 | 1.00 | 1.19 | |
| Kugellager 609ddw | ||||
| 028 | 210039-7 | 3.60 | 4.28 | |
| Keine Informationen verfügbar, nicht bestellbar | ||||
| 028-1 | 210281-0 | |||
| Sicherungsscheibe 5 | ||||
| 029 | 253811-4 | 1.00 | 1.19 | |
| Sicherungsring | ||||
| 030 | 961008-8 | 1.00 | 1.19 | |
| Kappe DTM52 | ||||
| 031 | 422721-8 | 1.20 | 1.43 | |
| Keine Informationen verfügbar, nicht bestellbar | ||||
| 032 | 422682-2 | |||
| Motorgehäusesatz DTM52 | ||||
| 033 | 183S78-3 | 14.30 | 17.02 | |
| O-Ring 4 | ||||
| 034 | 213032-0 | 1.00 | 1.19 | |
| Wellenbolzen DTM52 | ||||
| 035 | 327769-4 | 3.60 | 4.28 | |
| Dämpfer M DTM52 | ||||
| 036 | 422679-1 | 1.00 | 1.19 | |
| Innen Gehäuse DTM52 | ||||
| 037 | 183S69-4 | 11.00 | 13.09 | |
| Gewicht DTM52 | ||||
| 038 | 313365-4 | 3.60 | 4.28 | |
| Schalterhebel B DTM52 | ||||
| 039 | 413397-2 | 1.00 | 1.19 | |
| Schalter DTM52 | ||||
| 040 | 650000-6 | 3.60 | 4.28 | |
| Keine Informationen verfügbar, nicht bestellbar | ||||
| 041 | 413398-0 | |||
| Schalter DTM52 | ||||
| 042 | 632S34-5 | 8.40 | 10.00 | |
| Blattfeder DTM52 | ||||
| 043 | 232706-4 | 1.00 | 1.19 | |
| Schalterabdeckung DTM52 | ||||
| 044 | 413399-8 | 1.20 | 1.43 | |
| Dämpfer R DTM52 | ||||
| 045 | 422678-3 | 1.00 | 1.19 | |
| Anschlusseinheit | ||||
| 046 | 643874-2 | 3.60 | 4.28 | |
| Innen Gehäuse DTM52 | ||||
| 047 | 183S69-4 | 11.00 | 13.09 | |
| Schraube 3x20mm | ||||
| 048 | 265935-4 | 1.00 | 1.19 | |
| Schraube Ddf484/Dhp484 A | ||||
| 048 | 265D32-0 | 0.83 | 0.99 | |
| Anzeigeetikett DTM52 | ||||
| 049 | 8032F3-5 | 2.40 | 2.86 | |
| Typenschild DTM52 | ||||
| 050 | 811E24-9 | 3.60 | 4.28 | |
| Keine Informationen verfügbar, nicht bestellbar | ||||
| 051 | 811E32-0 | |||