Hier finden Sie alle verfügbaren Teile und Zeichnungen der 'Makita DUC256C'. Von hier aus können Sie alle gewünschten Teile direkt bestellen. Viele Teile müssen je nach Marke beim Hersteller bestellt werden, dies dauert ein bis vier Wochen. Alle Informationen, die wir haben, befinden sich auf unserer Website. Wir können Sie nicht beraten, was Sie benötigen. Dazu müssen Sie die Maschine zur Reparatur zurücksenden. Bitte beachten Sie bei der Bestellung Folgendes:
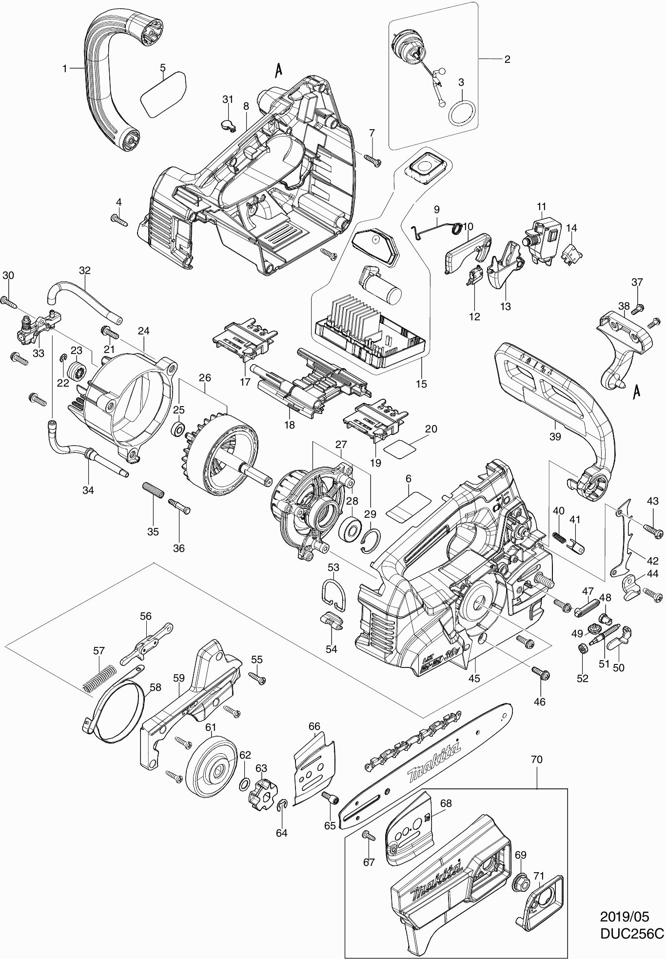
Zeichnungen der Makita DUC256C
Teileliste der Makita DUC256C
| Pos. | Beschreibung | Preis ohne MwSt | Preis inkl. MwSt | |
| Die angegebenen Preise enthalten die Mehrwertsteuer | ||||
| Handgriff DUC256 | ||||
| 001 | 459275-2 | 6.00 | 7.14 | |
| Öldeckel DUC353Z | ||||
| 002 | 126832-8 | 13.20 | 15.71 | |
| O-Ring 25mm | ||||
| 003 | 213355-6 | 2.40 | 2.86 | |
| Keine Informationen verfügbar, nicht bestellbar | ||||
| 004 | 266326-2 | |||
| Label DUC256C | ||||
| 005 | 819S62-9 | 2.40 | 2.86 | |
| Label Makita DUC256C | ||||
| 006 | 856A10-9 | 2.40 | 2.86 | |
| Keine Informationen verfügbar, nicht bestellbar | ||||
| 007 | 266326-2 | |||
| Motorhaube DUC353Z | ||||
| 008 | 183N15-7 | 36.30 | 43.20 | |
| Gummistift 6 | ||||
| 008C10 | 263005-3 | 1.00 | 1.19 | |
| Ventil | ||||
| 008C20 | 424170-5 | 2.40 | 2.86 | |
| Dämpfungseinsatz DUC306 | ||||
| 008C30 | 454724-4 | 1.00 | 1.19 | |
| Torsionsfeder 10 DUC353Z | ||||
| 009 | 232509-6 | 1.00 | 1.19 | |
| Sperrhebel DUC353Z | ||||
| 010 | 459268-9 | 1.20 | 1.43 | |
| Schalter C3JW-6BM-P DUC254Z | ||||
| 011 | 651365-9 | 19.80 | 23.56 | |
| Schalter DUC254Z | ||||
| 012 | 632L49-0 | 9.60 | 11.42 | |
| Schaltgriff DUC353Z | ||||
| 013 | 459267-1 | 1.20 | 1.43 | |
| Schalter DUC254Z | ||||
| 014 | 632L48-2 | 13.20 | 15.71 | |
| Keine Informationen verfügbar, nicht bestellbar | ||||
| 015 | 140K82-7 | |||
| Indikationslabel DUC306 | ||||
| 015C10 | 819R38-0 | 2.40 | 2.86 | |
| Schalter Label DUC306 | ||||
| 015C20 | 819S81-5 | 2.40 | 2.86 | |
| Anschlusseinheit | ||||
| 017 | 643874-2 | 3.60 | 4.28 | |
| Mittelgehäuse DUC353Z | ||||
| 018 | 140K81-9 | 2.40 | 2.86 | |
| Gummistift 6 | ||||
| 018C10 | 263005-3 | 1.00 | 1.19 | |
| Anschlusseinheit | ||||
| 019 | 643874-2 | 3.60 | 4.28 | |
| Label serienr DUC256C | ||||
| 020 | 856A13-3 | 2.40 | 2.86 | |
| Schraube 5x20 | ||||
| 021 | 911228-4 | 1.00 | 1.19 | |
| Sprengring E-4 | ||||
| 022 | 961011-9 | 1.00 | 1.19 | |
| Schneckengetriebe DUC353Z | ||||
| 023 | 226884-0 | 1.20 | 1.43 | |
| Motorhaus DUC353Z | ||||
| 024 | 459276-0 | 6.00 | 7.14 | |
| Kugellager 696ZZ A | ||||
| 025 | 210026-6 | 2.40 | 2.86 | |
| Motor 18V DUC353Z | ||||
| 026 | 519576-1 | 93.50 | 111.26 | |
| Feld 18V DUC353Z | ||||
| 027 | 529420-4 | 39.60 | 47.12 | |
| Kugellager 6000ddw | ||||
| 028 | 211289-7 | 13.20 | 15.71 | |
| Sicherungsring R-26 A | ||||
| 029 | 962105-3 | 1.00 | 1.19 | |
| Keine Informationen verfügbar, nicht bestellbar | ||||
| 030 | 266326-2 | |||
| Abdeckkappe DUC353Z | ||||
| 031 | 422467-6 | 1.00 | 1.19 | |
| Ölleitung 3x100mm UDC353Z | ||||
| 032 | 422451-1 | 1.20 | 1.43 | |
| Ölpumpe komplett | ||||
| 033 | 142156-4 | 24.20 | 28.80 | |
| Ölleitung 3x130mm UDC353Z | ||||
| 034 | 422452-9 | 2.40 | 2.86 | |
| Druckfeder | ||||
| 035 | 231975-4 | 1.00 | 1.19 | |
| Saugkopf DUC355/EA3201S A | ||||
| 036 | 452666-6 | 1.00 | 1.19 | |
| Schraube 4x12 | ||||
| 037 | 911116-5 | 1.00 | 1.19 | |
| Sicherungsplatte Handgriffkappe DUC353Z | ||||
| 038 | 459270-2 | 2.40 | 2.86 | |
| Griffkappe cpl DUC353Z | ||||
| 039 | 140K79-6 | 8.40 | 10.00 | |
| Warnhinweis Label DUC306 | ||||
| 039C10 | 819S75-0 | 2.40 | 2.86 | |
| Druckfeder 6 Ea3201S A | ||||
| 040 | 234210-9 | 1.00 | 1.19 | |
| Leitfaden Ea3200S A | ||||
| 041 | 313212-9 | 1.00 | 1.19 | |
| Pfostenstoßstange | ||||
| 042 | 346809-9 | 3.60 | 4.28 | |
| Schraube 4x20 | ||||
| 043 | 266420-0 | 1.00 | 1.19 | |
| Kettenfänger DUC353Z | ||||
| 044 | 347516-7 | 1.20 | 1.43 | |
| Motorhaube DUC353Z | ||||
| 045 | 183N15-7 | 36.30 | 43.20 | |
| Gummistift 6 | ||||
| 045C10 | 263005-3 | 1.00 | 1.19 | |
| Ventil | ||||
| 045C20 | 424170-5 | 2.40 | 2.86 | |
| Dämpfungseinsatz DUC306 | ||||
| 045C30 | 454724-4 | 1.00 | 1.19 | |
| Schraube 5x20 | ||||
| 046 | 911228-4 | 1.00 | 1.19 | |
| Durchgang DUC353Z | ||||
| 047 | 422466-8 | 1.00 | 1.19 | |
| Antriebsrad AS1925 | ||||
| 048 | 227620-7 | 1.20 | 1.43 | |
| Zahnrad 14 | ||||
| 049 | 227634-6 | 3.60 | 4.28 | |
| Spanplatte DUC353Z | ||||
| 050 | 347517-5 | 2.40 | 2.86 | |
| Justierschraube DUC353Z | ||||
| 051 | 327317-9 | 2.40 | 2.86 | |
| Zahnrad 14 | ||||
| 052 | 227496-2 | 4.80 | 5.71 | |
| Haken | ||||
| 053 | 281222-3 | 1.00 | 1.19 | |
| Hakenstütze DUC353Z | ||||
| 054 | 347514-1 | 1.00 | 1.19 | |
| Keine Informationen verfügbar, nicht bestellbar | ||||
| 055 | 266326-2 | |||
| Zwischenplatte DUC254C | ||||
| 056 | 140A74-6 | 3.60 | 4.28 | |
| Druckfeder 7 DUC254C | ||||
| 057 | 232452-9 | 1.00 | 1.19 | |
| Bremsband DUC353Z | ||||
| 058 | 347515-9 | 4.80 | 5.71 | |
| Motorhaubenabdeckung R DUC353Z | ||||
| 059 | 459273-6 | 3.60 | 4.28 | |
| Bremsentrommel DUC353Z | ||||
| 061 | 162638-0 | 10.80 | 12.85 | |
| O-Ring 10 Duc353 | ||||
| 062 | 213060-5 | 1.00 | 1.19 | |
| Carving sprocket 1/4" 9 tands | ||||
| 063 | 198259-2 | 3.00 | 3.57 | |
| Stoppring E-7 | ||||
| 064 | 961013-5 | 1.00 | 1.19 | |
| Innensechskantbolzen M4x20mm | ||||
| 065 | 266905-6 | 1.00 | 1.19 | |
| Führungsplatte L DUC353Z | ||||
| 066 | 347533-7 | 1.20 | 1.43 | |
| Schraube 4x12 | ||||
| 067 | 265C54-4 | 1.00 | 1.19 | |
| Führungsplatte R DUC353Z | ||||
| 068 | 347534-5 | 1.20 | 1.43 | |
| Mutter mit Flansch DUC306 | ||||
| 069 | 162494-8 | 3.60 | 4.28 | |
| Abdeckkappe für Schwert DUC353Z | ||||
| 070 | 136138-6 | 13.20 | 15.71 | |
| Mutternabdeckkappe | ||||
| 071 | 459278-6 | 1.20 | 1.43 | |