Hier finden Sie alle verfügbaren Teile und Zeichnungen der 'Makita EUM531'. Von hier aus können Sie alle gewünschten Teile direkt bestellen. Viele Teile müssen je nach Marke beim Hersteller bestellt werden, dies dauert ein bis vier Wochen. Alle Informationen, die wir haben, befinden sich auf unserer Website. Wir können Sie nicht beraten, was Sie benötigen. Dazu müssen Sie die Maschine zur Reparatur zurücksenden. Bitte beachten Sie bei der Bestellung Folgendes:
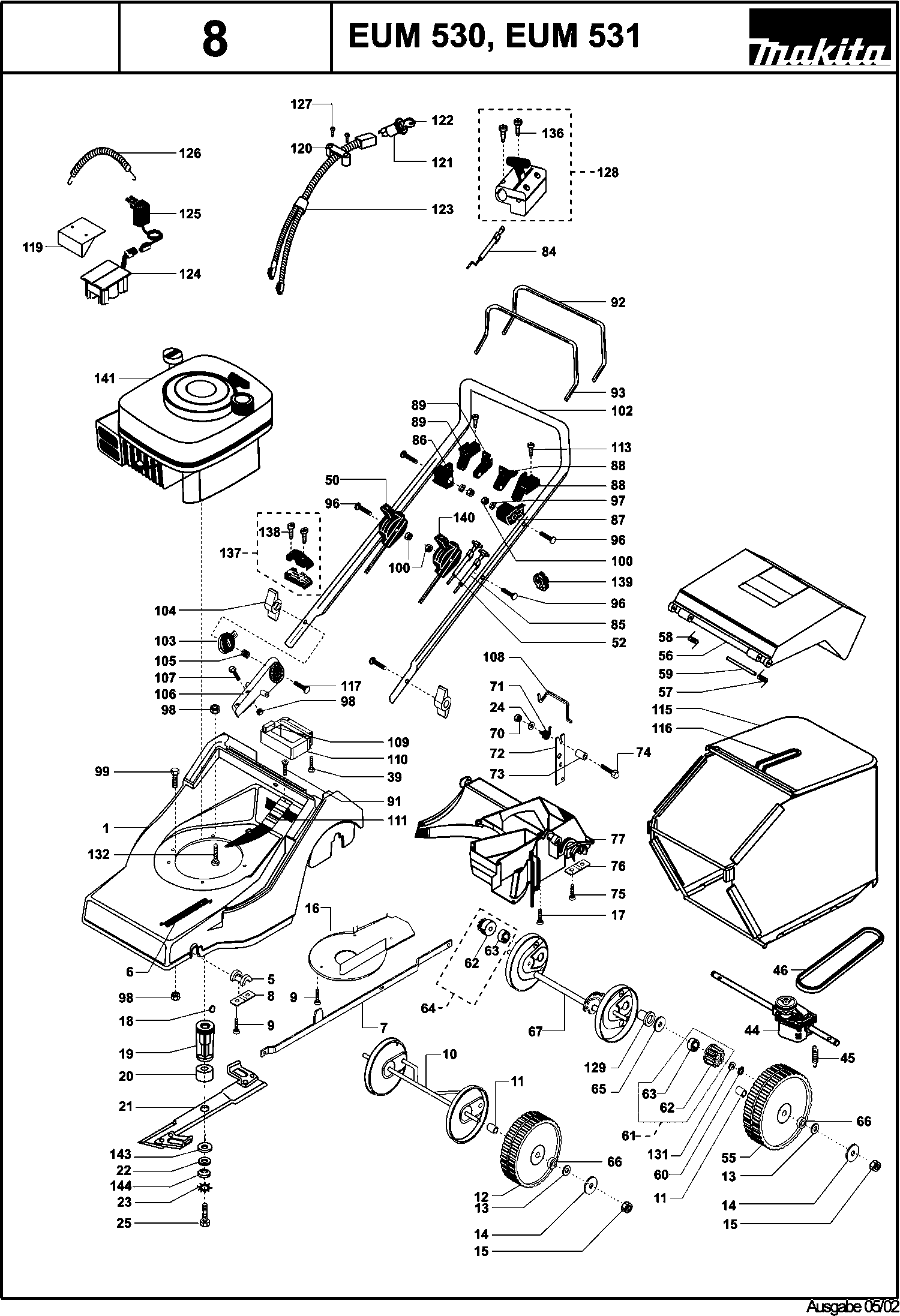
Zeichnungen der Makita EUM531
Teileliste der Makita EUM531
| Pos. | Beschreibung | Preis ohne MwSt | Preis inkl. MwSt | |
| Die angegebenen Preise enthalten die Mehrwertsteuer | ||||
| Keine Informationen verfügbar, nicht bestellbar | ||||
| 001 | 663548200 | |||
| Nicht mehr lieferbar, kein Ersatz | ||||
| 005 | 661300049 | |||
| Nicht mehr lieferbar, kein Ersatz | ||||
| 006 | 661300820 | |||
| Zugstange Eum530 * | ||||
| 007 | 661300844 | 16.50 | 19.64 | |
| Abdeckplatte Um400+460+Eum400 * | ||||
| 008 | 661300101 | 2.40 | 2.86 | |
| Keine Informationen verfügbar, nicht bestellbar | ||||
| 009 | 663510468 | |||
| Vorderachse Eum530 * | ||||
| 010 | 661300819 | 45.10 | 53.67 | |
| Keine Informationen verfügbar, nicht bestellbar | ||||
| 011 | 661300831 | |||
| Keine Informationen verfügbar, nicht bestellbar | ||||
| 012 | 661300022 | |||
| Ring 6,4X17X3 VZ * | ||||
| 013 | 663701429 | 2.40 | 2.86 | |
| Abdeckhaube | ||||
| 014 | 661062561 | 13.83 | 16.46 | |
| Keine Informationen verfügbar, nicht bestellbar | ||||
| 015 | 663700555 | |||
| Nicht mehr lieferbar, kein Ersatz | ||||
| 016 | 661300821 | |||
| Torx Schraube 6x20 | ||||
| 017 | 908006205 | 1.20 | 1.43 | |
| Keil 4X6,5 * | ||||
| 018 | 663700390 | 1.20 | 1.43 | |
| Messerbindung (Lochachse 20mm) | ||||
| 019 | 663512463 | 71.56 | 85.16 | |
| Distanzring 15mm (Asg;20) * | ||||
| 020 | 663548144 | 36.30 | 43.20 | |
| Mähmesse Eum530 (Bohrung 20mm) * | ||||
| 021 | 663531487 | 71.50 | 85.08 | |
| Scheibe 50X5 (Achsenloch 20) * | ||||
| 022 | 663316913 | 6.00 | 7.14 | |
| Nicht mehr lieferbar, kein Ersatz | ||||
| 023 | 663700202 | |||
| Unterlegscheibe A 10,5 VZ 125 * | ||||
| 024 | 663700139 | 1.20 | 1.43 | |
| Schraube 3/8-24Unf (Loch 20) * | ||||
| 025 | 663329907 | 8.40 | 10.00 | |
| Keine Informationen verfügbar, nicht bestellbar | ||||
| 039 | 661112171 | |||
| Antrieb L53 Conc * | ||||
| 044 | 663117946 | 898.70 | 1069.45 | |
| Feder * | ||||
| 045 | 663548256 | 14.30 | 17.02 | |
| V-Gürtel L=849Mm * | ||||
| 046 | 663548170 | 27.50 | 32.72 | |
| Keine Informationen verfügbar, nicht bestellbar | ||||
| 047 | 663518925 | |||
| Nicht mehr lieferbar, kein Ersatz | ||||
| 052 | 663512607 | |||
| Keine Informationen verfügbar, nicht bestellbar | ||||
| 055 | 661300023 | |||
| Keine Informationen verfügbar, nicht bestellbar | ||||
| 056 | 661524725 | |||
| Feder Links | ||||
| 057 | 661301721 | 4.80 | 5.71 | |
| Feder Rechts Eum530 * | ||||
| 058 | 661301720 | 4.80 | 5.71 | |
| Stift Eum530 * | ||||
| 059 | 661300853 | 8.40 | 10.00 | |
| Keine Informationen verfügbar, nicht bestellbar | ||||
| 060 | 663700489 | |||
| Antriebssatz Komplett Links * | ||||
| 061 | 663526745 | 52.80 | 62.83 | |
| Antriebsritzel Um460+Eum461 * | ||||
| 062 | 661300005 | 36.30 | 43.20 | |
| Stift Con 6X24Mm Din7 * | ||||
| 063 | 663704217 | 1.20 | 1.43 | |
| Antriebssatz Komplett Rechts * | ||||
| 064 | 663526746 | 52.80 | 62.83 | |
| Keine Informationen verfügbar, nicht bestellbar | ||||
| 065 | 661300011 | |||
| Nicht mehr lieferbar, kein Ersatz | ||||
| 066 | 663510923 | |||
| Hinterachse L53 Eum530/531 * | ||||
| 067 | 66354613030 | 52.80 | 62.83 | |
| Keine Informationen verfügbar, nicht bestellbar | ||||
| 070 | 663700122 | |||
| Rückstellfeder Um460+Eum460 * | ||||
| 071 | 661300095 | 3.60 | 4.28 | |
| Hebel Um460+Eum460+461+530 * | ||||
| 072 | 661300048 | 26.40 | 31.42 | |
| Keine Informationen verfügbar, nicht bestellbar | ||||
| 073 | 661300848 | |||
| Keine Informationen verfügbar, nicht bestellbar | ||||
| 074 | 663703565 | |||
| Keine Informationen verfügbar, nicht bestellbar | ||||
| 075 | 663543554 | |||
| Keine Informationen verfügbar, nicht bestellbar | ||||
| 076 | 661300623 | |||
| Heckteil * | ||||
| 077 | 663548202 | 247.50 | 294.52 | |
| Keine Informationen verfügbar, nicht bestellbar | ||||
| 082 | 663500073 | |||
| Vario-Geschwindigkeitskabel * | ||||
| 083 | 663548187 | 28.60 | 34.03 | |
| Gas Kabel * | ||||
| 084 | 663333935 | 11.00 | 13.09 | |
| Kupplungskabel Eum530/531 * | ||||
| 085 | 663548257 | 48.40 | 57.60 | |
| Keine Informationen verfügbar, nicht bestellbar | ||||
| 086 | 663512721 | |||
| Keine Informationen verfügbar, nicht bestellbar | ||||
| 087 | 663512722 | |||
| Aufnahmeklammer Links * | ||||
| 088 | 663512576 | 3.60 | 4.28 | |
| Aufnahmebügel R * | ||||
| 089 | 663512723 | 1.20 | 1.43 | |
| Keine Informationen verfügbar, nicht bestellbar | ||||
| 091 | 663543556 | |||
| Totmannschalter * | ||||
| 092 | 663548210 | 14.30 | 17.02 | |
| Totmannschalter * | ||||
| 093 | 663548208 | 46.20 | 54.98 | |
| Keine Informationen verfügbar, nicht bestellbar | ||||
| 096 | 663703697 | |||
| Unterlegscheibe A 6,4 VZ 9021 * | ||||
| 097 | 663700148 | 1.00 | 1.19 | |
| Keine Informationen verfügbar, nicht bestellbar | ||||
| 098 | 663500073 | |||
| Keine Informationen verfügbar, nicht bestellbar | ||||
| 099 | 663375953 | |||
| Keine Informationen verfügbar, nicht bestellbar | ||||
| 100 | 0164060000 | |||
| Keine Informationen verfügbar, nicht bestellbar | ||||
| 101 | 663703703 | |||
| Oberer Schiebestock * | ||||
| 102 | 663548174 | 88.00 | 104.72 | |
| Raster Element Eum530 * | ||||
| 103 | 661300806 | 26.40 | 31.42 | |
| Flügelmutter M8 | ||||
| 104 | 663544675 | 3.79 | 4.51 | |
| Nicht mehr lieferbar, kein Ersatz | ||||
| 105 | 661300904 | |||
| Aufnahme Eum530 * | ||||
| 106 | 661300805 | 63.80 | 75.92 | |
| Keine Informationen verfügbar, nicht bestellbar | ||||
| 107 | 663704142 | |||
| Nicht mehr lieferbar, kein Ersatz | ||||
| 108 | 661300838 | |||
| Keine Informationen verfügbar, nicht bestellbar | ||||
| 109 | 661300020 | |||
| Keine Informationen verfügbar, nicht bestellbar | ||||
| 110 | 661300019 | |||
| Keine Informationen verfügbar, nicht bestellbar | ||||
| 111 | 661300017 | |||
| Keine Informationen verfügbar, nicht bestellbar | ||||
| 113 | 663703704 | |||
| Nicht mehr lieferbar, kein Ersatz | ||||
| 115 | 661301216 | |||
| Keine Informationen verfügbar, nicht bestellbar | ||||
| 116 | 661301092 | |||
| Keine Informationen verfügbar, nicht bestellbar | ||||
| 117 | 663701322 | |||
| Keine Informationen verfügbar, nicht bestellbar | ||||
| 120 | 663329947 | |||
| Zündschloss * | ||||
| 121 | 663332418 | 56.10 | 66.76 | |
| Zündschlüssel * | ||||
| 122 | 663343198 | 14.30 | 17.02 | |
| Kabelbaum * | ||||
| 123 | 663524820 | 88.00 | 104.72 | |
| Batterie 12V Rm 6-Zelle * | ||||
| 124 | 663342868 | 69.30 | 82.47 | |
| 12V Ladegerät Eum531 * | ||||
| 125 | 663332867 | 72.58 | 86.37 | |
| Keine Informationen verfügbar, nicht bestellbar | ||||
| 126 | 661300625 | |||
| Keine Informationen verfügbar, nicht bestellbar | ||||
| 127 | 663510281 | |||
| Motorsteuerung * | ||||
| 128 | 663548300 | 48.40 | 57.60 | |
| Lagerbuchse * | ||||
| 129 | 663548229 | 39.60 | 47.12 | |
| Reduzierhülse * | ||||
| 130 | 663525062 | 3.60 | 4.28 | |
| Keine Informationen verfügbar, nicht bestellbar | ||||
| 131 | 663702387 | |||
| Keine Informationen verfügbar, nicht bestellbar | ||||
| 132 | 663700303 | |||
| Keine Informationen verfügbar, nicht bestellbar | ||||
| 133 | 663700128 | |||
| Keine Informationen verfügbar, nicht bestellbar | ||||
| 134 | 663700108 | |||
| Keine Informationen verfügbar, nicht bestellbar | ||||
| 136 | 663543556 | |||
| Nicht mehr lieferbar, kein Ersatz | ||||
| 137 | 663548217 | |||
| Keine Informationen verfügbar, nicht bestellbar | ||||
| 138 | 663373264 | |||
| Klemme D=22 9005 * | ||||
| 139 | 663505322 | 2.40 | 2.86 | |
| Keine Informationen verfügbar, nicht bestellbar | ||||
| 140 | 663548314 | |||
| Sicherungsring (Bohrung 20)* | ||||
| 143 | 663300161 | 13.20 | 15.71 | |
| Federscheibe (Wellenloch 20) * | ||||
| 144 | 663700656 | 4.80 | 5.71 | |