Hier finden Sie alle verfügbaren Teile und Zeichnungen der 'Makita GA035G'. Von hier aus können Sie alle gewünschten Teile direkt bestellen. Viele Teile müssen je nach Marke beim Hersteller bestellt werden, dies dauert ein bis vier Wochen. Alle Informationen, die wir haben, befinden sich auf unserer Website. Wir können Sie nicht beraten, was Sie benötigen. Dazu müssen Sie die Maschine zur Reparatur zurücksenden. Bitte beachten Sie bei der Bestellung Folgendes:
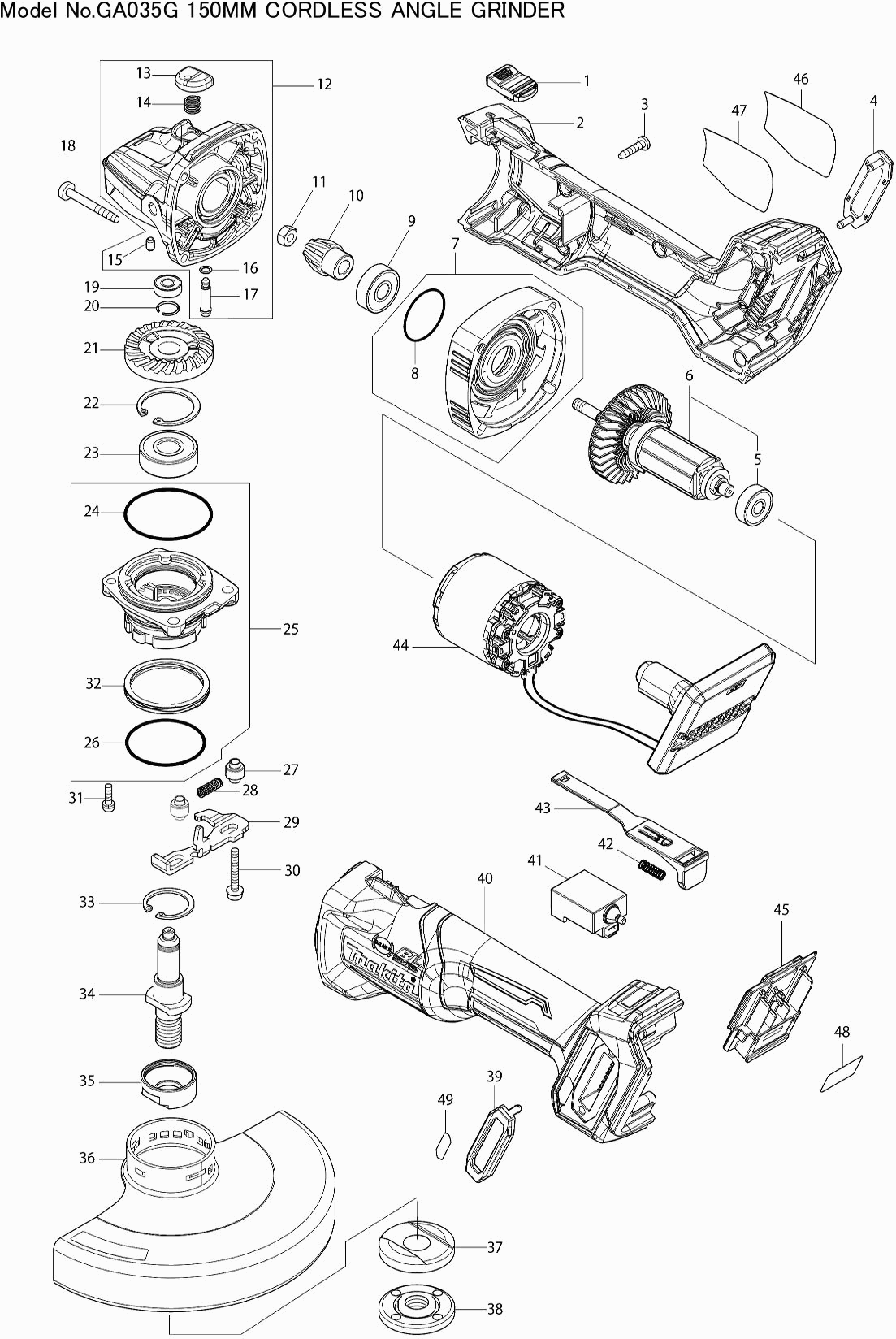
Zeichnungen der Makita GA035G
Teileliste der Makita GA035G
| Pos. | Beschreibung | Preis ohne MwSt | Preis inkl. MwSt | |
| Die angegebenen Preise enthalten die Mehrwertsteuer | ||||
| Schalterknopf | ||||
| 001 | 455447-7 | 1.00 | 1.19 | |
| Motorgehäuse GA004G | ||||
| 002 | 183N63-6 | 13.20 | 15.71 | |
| Gummistift 6 | ||||
| 002C10 | 263005-3 | 1.00 | 1.19 | |
| Keine Informationen verfügbar, nicht bestellbar | ||||
| 003 | 266326-2 | |||
| Staubschutz GA-40V-Serie | ||||
| 004 | 422563-0 | 2.40 | 2.86 | |
| Kugellager 627ddw | ||||
| 005 | 210045-2 | 3.60 | 4.28 | |
| Anker GA-40V serie | ||||
| 006 | 519595-7 | 30.80 | 36.65 | |
| Getriebegehäusedeckel GA-40V-Serie | ||||
| 007 | 136190-4 | 7.20 | 8.57 | |
| O-Ring 26 | ||||
| 008 | 213407-3 | 1.20 | 1.43 | |
| Kugellager 629llb | ||||
| 009 | 210042-8 | 2.40 | 2.86 | |
| Zahnrad 10 GA-40V Serie | ||||
| 010 | 226976-5 | 6.00 | 7.14 | |
| Mutter M6 | ||||
| 011 | 252186-8 | 1.00 | 1.19 | |
| Getriebegehäuse GA-40V Serie | ||||
| 012 | 136198-8 | 16.50 | 19.64 | |
| Abdeckkappe GA005G | ||||
| 013 | 412234-7 | 1.00 | 1.19 | |
| Druckfeder 8 | ||||
| 014 | 233376-2 | 1.00 | 1.19 | |
| Gummistift 4 | ||||
| 015 | 263002-9 | 1.00 | 1.19 | |
| O-Ring 4 | ||||
| 016 | 213032-0 | 1.00 | 1.19 | |
| Kragenstift 4mm | ||||
| 017 | 256546-6 | 1.00 | 1.19 | |
| Gewindeschneidende Schraube 4x40 | ||||
| 018 | 266048-4 | 1.00 | 1.19 | |
| Kugellager 696ZZ A | ||||
| 019 | 210026-6 | 2.40 | 2.86 | |
| Unterlegscheibe 11 Ga4530 | ||||
| 020 | 233950-6 | 1.00 | 1.19 | |
| Zahnrad 37 DGA505 A | ||||
| 021 | 226862-0 | 6.00 | 7.14 | |
| Sicherungsring r-32 | ||||
| 022 | 962151-6 | 1.00 | 1.19 | |
| Kugellager 6201dw1 | ||||
| 023 | 211129-9 | 8.40 | 10.00 | |
| O-Ring 45 | ||||
| 024 | 213622-9 | 1.00 | 1.19 | |
| Lagergehäuse GA035G | ||||
| 025 | 136347-7 | 16.50 | 19.64 | |
| O-Ring 36 | ||||
| 026 | 213510-0 | 1.20 | 1.43 | |
| Hülse 4 | ||||
| 027 | 327322-6 | 1.20 | 1.43 | |
| Druckfeder 4 | ||||
| 028 | 232490-1 | 1.00 | 1.19 | |
| Schaltplatte GA035G | ||||
| 029 | 347803-4 | 2.40 | 2.86 | |
| Kreuzschlitzschraube 4X30 | ||||
| 030 | 911159-7 | 1.00 | 1.19 | |
| Schraube 4x20 | ||||
| 031 | 911138-5 | 1.00 | 1.19 | |
| Unterlegscheibe 41mm GA5050 | ||||
| 032 | 232542-8 | 3.60 | 4.28 | |
| Sicherungsring R-26 A | ||||
| 033 | 962105-3 | 1.00 | 1.19 | |
| Gelenkwelle (a) | ||||
| 034 | 326672-6 | 9.60 | 11.42 | |
| Führungsringhalter | ||||
| 035 | 310514-4 | 8.40 | 10.00 | |
| Schutzabdeckung 150mm GA035/036G | ||||
| 036 | 347776-1 | 10.80 | 12.85 | |
| Innenflansch | ||||
| 037 | 224447-6 | 4.90 | 5.83 | |
| Sluitmoer haakse slijper | ||||
| 038 | 224554-5 | 4.00 | 4.76 | |
| Staubschutz GA-40V-Serie | ||||
| 039 | 422563-0 | 2.40 | 2.86 | |
| Motorgehäuse GA004G | ||||
| 040 | 183N63-6 | 13.20 | 15.71 | |
| Gummistift 6 | ||||
| 040C10 | 263005-3 | 1.00 | 1.19 | |
| Schalter GA-40V Serie | ||||
| 041 | 651445-1 | 11.00 | 13.09 | |
| Druckfeder 4 | ||||
| 042 | 233121-5 | 1.00 | 1.19 | |
| Schalterhebel GA-40V Serie | ||||
| 043 | 412233-9 | 1.00 | 1.19 | |
| Feld GA004G | ||||
| 044 | 629458-0 | 155.10 | 184.57 | |
| Kontrolleinheit GA-40V Serie | ||||
| 045 | 632P65-6 | 8.40 | 10.00 | |
| Keine Informationen verfügbar, nicht bestellbar | ||||
| 046 | 8008U5-3 | |||
| Namensschild GA035G | ||||
| 047 | 857V40-9 | 3.60 | 4.28 | |
| Label Serienr GA035G | ||||
| 048 | 857V45-9 | 2.40 | 2.86 | |
| Label XGT Logo | ||||
| 049 | 8007R2-2 | 2.40 | 2.86 | |