Hier finden Sie alle verfügbaren Teile und Zeichnungen der 'Makita GA9030R'. Von hier aus können Sie alle gewünschten Teile direkt bestellen. Viele Teile müssen je nach Marke beim Hersteller bestellt werden, dies dauert ein bis vier Wochen. Alle Informationen, die wir haben, befinden sich auf unserer Website. Wir können Sie nicht beraten, was Sie benötigen. Dazu müssen Sie die Maschine zur Reparatur zurücksenden. Bitte beachten Sie bei der Bestellung Folgendes:
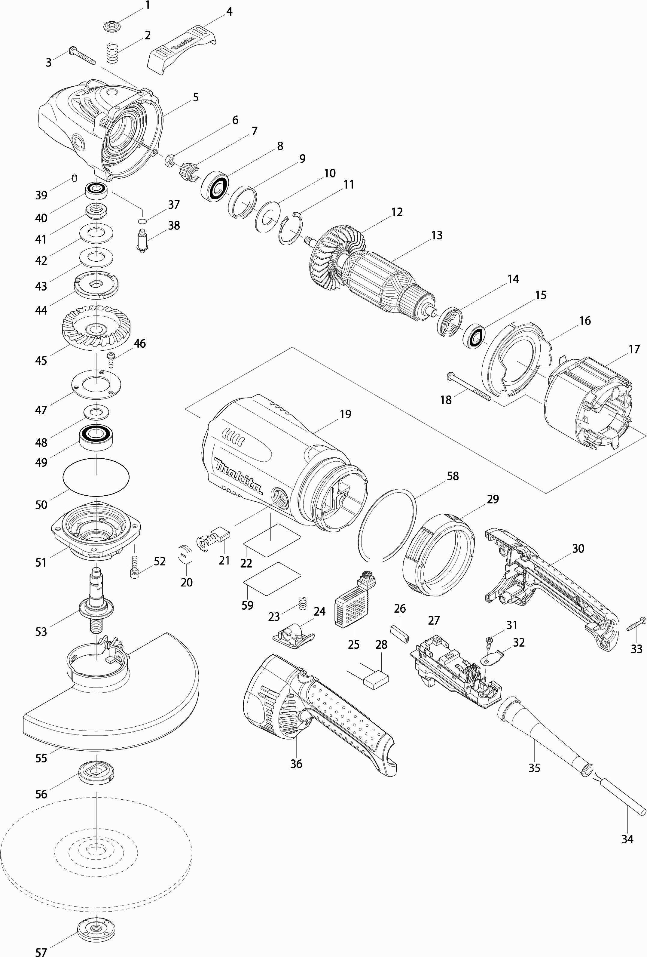
Zeichnungen der Makita GA9030R
Teileliste der Makita GA9030R
| Pos. | Beschreibung | Preis ohne MwSt | Preis inkl. MwSt | |
| Die angegebenen Preise enthalten die Mehrwertsteuer | ||||
| Druckknopf | ||||
| 001 | 419133-4 | 1.00 | 1.19 | |
| Druckfeder 12 | ||||
| 002 | 233292-8 | 1.00 | 1.19 | |
| Keine Informationen verfügbar, nicht bestellbar | ||||
| 003 | 266012-5 | |||
| TAPSCHROEF 5X35 A | ||||
| 003-1 | 265B72-6 | 1.00 | 1.19 | |
| Puffer | ||||
| 004 | 419144-9 | 1.20 | 1.43 | |
| Getriebegehaeuse | ||||
| 005 | 142754-4 | 24.20 | 28.80 | |
| Filzring 18 | ||||
| 005A | 262118-7 | 1.20 | 1.43 | |
| Keine Informationen verfügbar, nicht bestellbar | ||||
| 005B | 419134-2 | |||
| MUTTER M8 | ||||
| 006 | 252194-9 | 1.00 | 1.19 | |
| Zahnrad 12 | ||||
| 007 | 227490-4 | 4.80 | 5.71 | |
| Kugellager 6301llb | ||||
| 008 | 211132-0 | 9.60 | 11.42 | |
| Gummiring 38 | ||||
| 009 | 262085-6 | 1.00 | 1.19 | |
| Unterlegscheibe 20 | ||||
| 010 | 267299-2 | 1.20 | 1.43 | |
| Sicherungsring R-42 | ||||
| 011 | 962211-4 | 2.40 | 2.86 | |
| Lüfter 80 | ||||
| 012 | 240081-4 | 6.00 | 7.14 | |
| Anker 220V Ga70/9030 A | ||||
| 013 | 517828-4 | 56.10 | 66.76 | |
| Isolierring | ||||
| 014 | 681630-2 | 2.40 | 2.86 | |
| Kugellager 6200dw | ||||
| 015 | 211087-9 | 8.40 | 10.00 | |
| Zwischenplatte Ga7020 | ||||
| 016 | 419135-0 | 1.20 | 1.43 | |
| FELD 220/240V | ||||
| 017 | 526218-0 | 49.50 | 58.90 | |
| Statorfeder | ||||
| 017A | 654197-3 | 1.00 | 1.19 | |
| Klemmbuchse für Statorv. 2mm | ||||
| 017B | 654502-4 | 1.00 | 1.19 | |
| Gewindeschraube Pt 5x65 | ||||
| 018 | 266029-8 | 2.40 | 2.86 | |
| Motorgehäuse | ||||
| 019 | 154786-9 | 19.80 | 23.56 | |
| Kohlekasten Zsb | ||||
| 019B | 643712-8 | 8.40 | 10.00 | |
| Bürstenhalterkappe | ||||
| 020 | 643700-5 | 1.20 | 1.43 | |
| Kohlebürstensatz Cb-204 | ||||
| 021 | 194992-4 | 11.00 | 13.09 | |
| Keine Informationen verfügbar, nicht bestellbar | ||||
| 022 | 867528-9 | |||
| Druckfeder 7 | ||||
| 023 | 233375-4 | 1.00 | 1.19 | |
| Sperrtaste | ||||
| 024 | 451630-4 | 2.40 | 2.86 | |
| Geschwindigkeitsregelkreis | ||||
| 025 | 631946-5 | 38.72 | 46.08 | |
| Ampere Isolator | ||||
| 026 | 686036-9 | 1.00 | 1.19 | |
| Schalter Tg08-2300-013 | ||||
| 027 | 650107-8 | 16.50 | 19.64 | |
| Kondensator | ||||
| 028 | 645088-9 | 1.00 | 1.19 | |
| Anti Vibration Gummi | ||||
| 029 | 421936-4 | 2.40 | 2.86 | |
| Handgriff-set | ||||
| 030 | 188845-7 | 20.90 | 24.87 | |
| Drahtdurchführungsschutzgummi | ||||
| 030A | 423350-0 | 3.60 | 4.28 | |
| Keine Informationen verfügbar, nicht bestellbar | ||||
| 031 | 265874-2 | |||
| Blechschraube 4x14 mm GA9070Y A | ||||
| 031-1 | 265B74-2 | 1.00 | 1.19 | |
| Zugentlastung | ||||
| 032 | 687169-3 | 1.00 | 1.19 | |
| Keine Informationen verfügbar, nicht bestellbar | ||||
| 033 | 265999-8 | |||
| TAPSCHROEF 4X25 A | ||||
| 033-1 | 265B73-4 | 1.00 | 1.19 | |
| Netzkabel 2x1.50 4.0mtr | ||||
| 034 | 695123-3 | 22.00 | 26.18 | |
| Kabeltülle 10 | ||||
| 035 | 682560-0 | 2.40 | 2.86 | |
| Handgriff-set | ||||
| 036 | 188845-7 | 20.90 | 24.87 | |
| Drahtdurchführungsschutzgummi | ||||
| 036A | 423350-0 | 3.60 | 4.28 | |
| O-Ring 9 | ||||
| 037 | 213062-1 | 1.00 | 1.19 | |
| Kragenstift 5 | ||||
| 038 | 256491-5 | 1.20 | 1.43 | |
| Gummistift 4 | ||||
| 039 | 263002-9 | 1.00 | 1.19 | |
| Kugellager 6000llb | ||||
| 040 | 211061-7 | 8.40 | 10.00 | |
| Mutter M15x23 | ||||
| 041 | 252429-8 | 2.40 | 2.86 | |
| Halteplatte | ||||
| 042 | 232163-6 | 2.40 | 2.86 | |
| Halteplatte | ||||
| 043 | 232163-6 | 2.40 | 2.86 | |
| Sicherungsring | ||||
| 044 | 267798-4 | 3.60 | 4.28 | |
| Zahnrad 53c | ||||
| 045 | 227492-0 | 11.00 | 13.09 | |
| Kreuzschlitzschraube M5x16 | ||||
| 046 | 265120-9 | 1.00 | 1.19 | |
| Lager-Sicherung 50 | ||||
| 047 | 285724-1 | 1.20 | 1.43 | |
| Unterlegscheibe 15 | ||||
| 048 | 267167-9 | 1.20 | 1.43 | |
| Kugellager 6203dw | ||||
| 049 | 211278-2 | 9.60 | 11.42 | |
| O-Ring 78 | ||||
| 050 | 213760-7 | 1.20 | 1.43 | |
| Lagergehäuse mit 3 Aussparungen | ||||
| 051 | 318377-2 | 8.40 | 10.00 | |
| Inbusschraube | ||||
| 052 | 265541-5 | 1.00 | 1.19 | |
| Gelenkwelle (a) | ||||
| 053 | 154777-0 | 9.60 | 11.42 | |
| Unterlegscheibe 25 | ||||
| 053A | 345629-8 | 1.00 | 1.19 | |
| Nicht mehr lieferbar, kein Ersatz | ||||
| 055 | 122891-0 | |||
| O-Ring 6 | ||||
| 055A | 213017-6 | 1.00 | 1.19 | |
| Kreuzkopfschraube M8x25 | ||||
| 055B | 265158-4 | 1.00 | 1.19 | |
| Binnenflens haakse slijper "super" | ||||
| 056 | 192227-7 | 17.00 | 20.23 | |
| Sluitmoer haakse slijper | ||||
| 057 | 224554-5 | 4.00 | 4.76 | |
| Kunststoffring 89 | ||||
| 058 | 261131-2 | 1.00 | 1.19 | |
| Etikett, Transparent # | ||||
| 059 | 819357-6 | 2.46 | 2.93 | |