Hier finden Sie alle verfügbaren Teile und Zeichnungen der 'Makita JS5000R'. Von hier aus können Sie alle gewünschten Teile direkt bestellen. Viele Teile müssen je nach Marke beim Hersteller bestellt werden, dies dauert ein bis vier Wochen. Alle Informationen, die wir haben, befinden sich auf unserer Website. Wir können Sie nicht beraten, was Sie benötigen. Dazu müssen Sie die Maschine zur Reparatur zurücksenden. Bitte beachten Sie bei der Bestellung Folgendes:
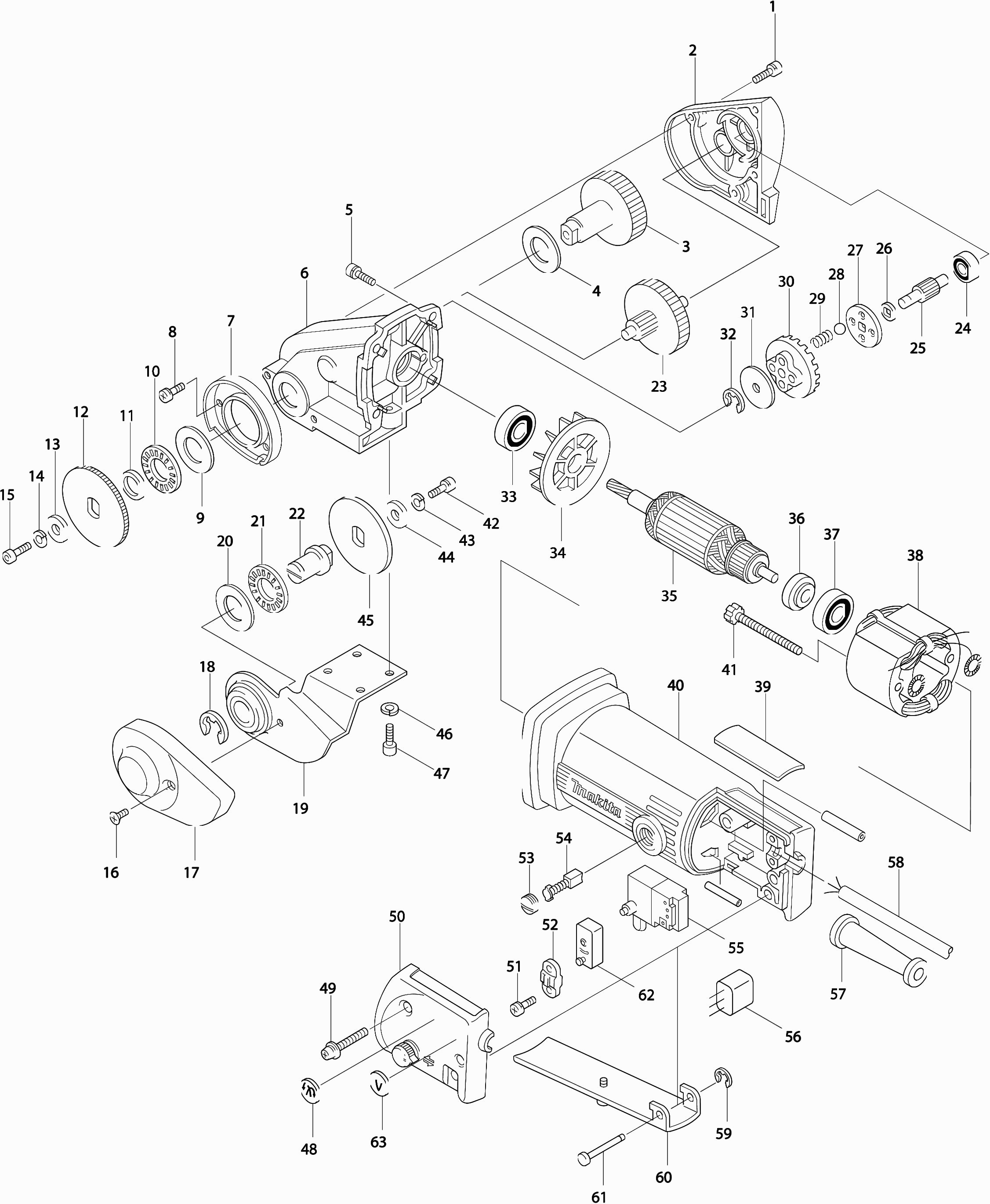
Zeichnungen der Makita JS5000R
Teileliste der Makita JS5000R
| Pos. | Beschreibung | Preis ohne MwSt | Preis inkl. MwSt | |
| Die angegebenen Preise enthalten die Mehrwertsteuer | ||||
| Schraube 4X18 | ||||
| 001 | 911131-9 | 1.00 | 1.19 | |
| Keine Informationen verfügbar, nicht bestellbar | ||||
| 002 | 156955-8 | |||
| Keine Informationen verfügbar, nicht bestellbar | ||||
| 003 | 226063-0 | |||
| Unterlegscheibe 14 | ||||
| 004 | 253192-6 | 1.00 | 1.19 | |
| Schraube 4X18 | ||||
| 005 | 911131-9 | 1.00 | 1.19 | |
| Keine Informationen verfügbar, nicht bestellbar | ||||
| 006 | 156814-6 | |||
| Keine Informationen verfügbar, nicht bestellbar | ||||
| 007 | 341774-7 | |||
| Schraube 4x12 | ||||
| 008 | 911116-5 | 1.00 | 1.19 | |
| Keine Informationen verfügbar, nicht bestellbar | ||||
| 009 | 216205-4 | |||
| Keine Informationen verfügbar, nicht bestellbar | ||||
| 010 | 216405-6 | |||
| Keine Informationen verfügbar, nicht bestellbar | ||||
| 011 | 257090-6 | |||
| Keine Informationen verfügbar, nicht bestellbar | ||||
| 013 | 253838-4 | |||
| Federring 5MM DLS211 | ||||
| 014 | 253427-5 | 1.00 | 1.19 | |
| Innensechskantschraube 5x10 | ||||
| 015 | 922207-7 | 1.00 | 1.19 | |
| Keine Informationen verfügbar, nicht bestellbar | ||||
| 016 | 251238-2 | |||
| Keine Informationen verfügbar, nicht bestellbar | ||||
| 017 | 411950-8 | |||
| Sprengring E-10 | ||||
| 018 | 961016-9 | 1.00 | 1.19 | |
| Keine Informationen verfügbar, nicht bestellbar | ||||
| 019 | 152174-4 | |||
| Keine Informationen verfügbar, nicht bestellbar | ||||
| 020 | 216205-4 | |||
| Keine Informationen verfügbar, nicht bestellbar | ||||
| 021 | 216405-6 | |||
| Keine Informationen verfügbar, nicht bestellbar | ||||
| 022 | 321393-5 | |||
| Keine Informationen verfügbar, nicht bestellbar | ||||
| 023 | 226059-1 | |||
| Kugellager 404* | ||||
| 024 | 211044-7 | 9.60 | 11.42 | |
| Keine Informationen verfügbar, nicht bestellbar | ||||
| 025 | 221878-0 | |||
| Keine Informationen verfügbar, nicht bestellbar | ||||
| 026 | 253962-3 | |||
| Keine Informationen verfügbar, nicht bestellbar | ||||
| 027 | 341775-5 | |||
| Stahlkugel 4.8 | ||||
| 028 | 216002-8 | 1.00 | 1.19 | |
| Druckfeder 3 | ||||
| 029 | 231317-2 | 1.00 | 1.19 | |
| Keine Informationen verfügbar, nicht bestellbar | ||||
| 030 | 221412-6 | |||
| Keine Informationen verfügbar, nicht bestellbar | ||||
| 031 | 253204-5 | |||
| Sprengring E-4 | ||||
| 032 | 961011-9 | 1.00 | 1.19 | |
| Keine Informationen verfügbar, nicht bestellbar | ||||
| 033 | 211033-2 | |||
| Lüfter 58 * | ||||
| 034 | 241822-1 | 6.00 | 7.14 | |
| Keine Informationen verfügbar, nicht bestellbar | ||||
| 035 | 511463-0 | |||
| Isolierring | ||||
| 036 | 681614-0 | 1.00 | 1.19 | |
| Kugellager 627llb | ||||
| 037 | 210025-8 | 3.60 | 4.28 | |
| Keine Informationen verfügbar, nicht bestellbar | ||||
| 038 | 628665-2 | |||
| Motor Gehäuse Js5000R-Da3000R * | ||||
| 040 | 157722-4 | 26.40 | 31.42 | |
| Schraube 4X55 | ||||
| 041 | 911586-8 | 1.20 | 1.43 | |
| Innensechskantschraube 5x10 | ||||
| 042 | 922207-7 | 1.00 | 1.19 | |
| Federring 5MM DLS211 | ||||
| 043 | 253427-5 | 1.00 | 1.19 | |
| Keine Informationen verfügbar, nicht bestellbar | ||||
| 044 | 253838-4 | |||
| Federring 5MM DLS211 | ||||
| 046 | 253427-5 | 1.00 | 1.19 | |
| Inbusschraube 5x14 | ||||
| 047 | 922216-6 | 1.00 | 1.19 | |
| Schraube 4X40 | ||||
| 049 | 911170-9 | 1.00 | 1.19 | |
| Abdeckhaube | ||||
| 050 | 155612-5 | 8.40 | 10.00 | |
| Schraube 4X18 | ||||
| 051 | 911131-9 | 1.00 | 1.19 | |
| Klemmenhalterung | ||||
| 052 | 687031-2 | 1.00 | 1.19 | |
| Bürstenhalterkappe | ||||
| 053 | 643550-8 | 1.20 | 1.43 | |
| KOOLBORSTEL SET CB-65 A | ||||
| 054 | 194969-9 | 4.80 | 5.71 | |
| Schalter Sw-53 | ||||
| 055 | 651937-0 | 33.00 | 39.27 | |
| Kabeltülle 8,5-72 | ||||
| 057 | 682500-8 | 2.40 | 2.86 | |
| Netzkabel 2x1.00 2.2mtr | ||||
| 058 | 665383-1 | 10.80 | 12.85 | |
| Stoppring E-3 | ||||
| 059 | 961017-7 | 1.00 | 1.19 | |
| Schalthebel Js5000-Da3000R * | ||||
| 060 | 158016-0 | 11.00 | 13.09 | |
| Sicherungsstift 4 | ||||
| 061 | 256626-8 | 2.40 | 2.86 | |
| Umschalter | ||||
| 062 | 650527-6 | 13.20 | 15.71 | |
| Klemmbuchse für Statorv. 2mm | ||||
| 063 | 654502-4 | 1.00 | 1.19 | |
| Statorfederchen Cb-7 | ||||
| 064 | 654019-7 | 1.20 | 1.43 | |