Hier finden Sie alle verfügbaren Teile und Zeichnungen der 'Makita UC4010A'. Von hier aus können Sie alle gewünschten Teile direkt bestellen. Viele Teile müssen je nach Marke beim Hersteller bestellt werden, dies dauert ein bis vier Wochen. Alle Informationen, die wir haben, befinden sich auf unserer Website. Wir können Sie nicht beraten, was Sie benötigen. Dazu müssen Sie die Maschine zur Reparatur zurücksenden. Bitte beachten Sie bei der Bestellung Folgendes:
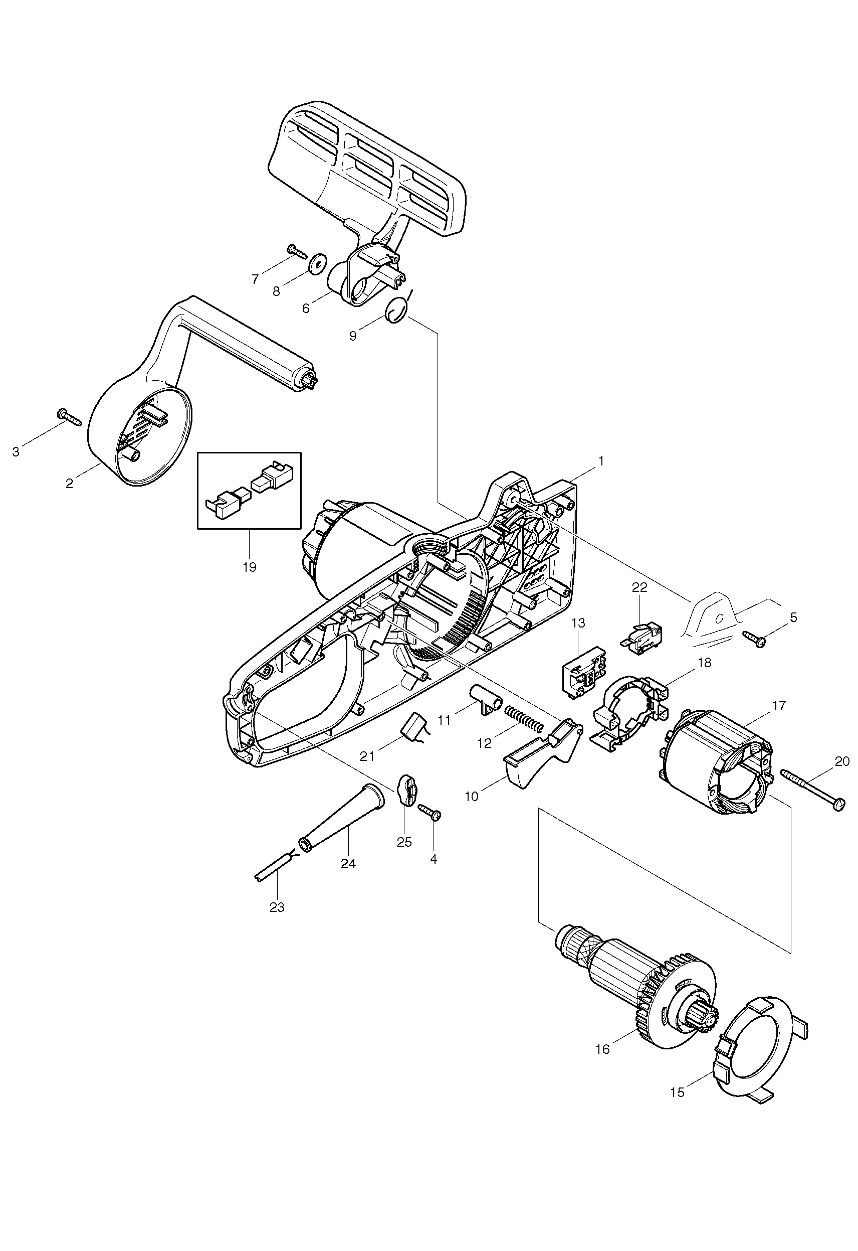
Zeichnungen der Makita UC4010A
Teileliste der Makita UC4010A
| Pos. | Beschreibung | Preis ohne MwSt | Preis inkl. MwSt | |
| Die angegebenen Preise enthalten die Mehrwertsteuer | ||||
| Keine Informationen verfügbar, nicht bestellbar | ||||
| 001 | 416711-1 | |||
| Keine Informationen verfügbar, nicht bestellbar | ||||
| 002 | 416713-7 | |||
| Schraube 4X18 | ||||
| 003 | 913540185 | 1.00 | 1.19 | |
| Schraube 4X18 | ||||
| 004 | 913540185 | 1.00 | 1.19 | |
| Schraube 4X18 | ||||
| 005 | 913540185 | 1.00 | 1.19 | |
| Handschutz | ||||
| 006 | 416707-2 | 8.40 | 10.00 | |
| Keine Informationen verfügbar, nicht bestellbar | ||||
| 007 | 913550165 | |||
| Scheibe 5,5x18x1,6 | ||||
| 008 | 924605510 | 1.00 | 1.19 | |
| Feder Uc3010A Etc * | ||||
| 009 | 210213030 | 1.20 | 1.43 | |
| Schalterknopf | ||||
| 010 | 416708-0 | 1.20 | 1.43 | |
| Totmannschalter | ||||
| 011 | 416178-3 | 1.00 | 1.19 | |
| Keine Informationen verfügbar, nicht bestellbar | ||||
| 012 | 225145010 | |||
| Schalter | ||||
| 013 | 975001200 | 16.50 | 19.64 | |
| Keine Informationen verfügbar, nicht bestellbar | ||||
| 014 | 210114020 | |||
| Luftleitblech | ||||
| 015 | 416714-5 | 1.20 | 1.43 | |
| Anker | ||||
| 016 | 970803390 | 71.50 | 85.08 | |
| Feld | ||||
| 017 | 634313-3 | 26.40 | 31.42 | |
| Keine Informationen verfügbar, nicht bestellbar | ||||
| 018 | 632891-7 | |||
| Keine Informationen verfügbar, nicht bestellbar | ||||
| 019 | 957823410 | |||
| Gewindeschraube Pt 5x65 | ||||
| 020 | 266029-8 | 2.40 | 2.86 | |
| Keine Informationen verfügbar, nicht bestellbar | ||||
| 021 | 970109820 | |||
| Nicht mehr lieferbar, kein Ersatz | ||||
| 022 | 970001200 | |||
| Keine Informationen verfügbar, nicht bestellbar | ||||
| 023 | 970102310 | |||
| Kabeltülle 10-90 | ||||
| 024 | 682505-8 | 1.67 | 1.99 | |
| Klemmenhalterung | ||||
| 025 | 687053-2 | 1.00 | 1.19 | |
| Keine Informationen verfügbar, nicht bestellbar | ||||
| 026 | 210211100 | |||
| Nicht mehr lieferbar, kein Ersatz | ||||
| 027 | 210221100 | |||
| Keine Informationen verfügbar, nicht bestellbar | ||||
| 028 | 205114204 | |||
| Keine Informationen verfügbar, nicht bestellbar | ||||
| 029 | 205114204 | |||
| Ölpumpe A | ||||
| 030 | 021245007 | 23.10 | 27.49 | |
| Nicht mehr lieferbar, kein Ersatz | ||||
| 031 | 203245002 | |||
| Schraube 3,5x10 | ||||
| 032 | 915735100 | 1.20 | 1.43 | |
| Keine Informationen verfügbar, nicht bestellbar | ||||
| 033 | 965451210 | |||
| Druckfeder | ||||
| 034 | 231975-4 | 1.00 | 1.19 | |
| Abdeckhaube | ||||
| 035 | 416274-7 | 1.00 | 1.19 | |
| Ölleitung | ||||
| 036 | 965452388 | 3.60 | 4.28 | |
| Keine Informationen verfügbar, nicht bestellbar | ||||
| 036A | 965452382 | |||
| O-Ring 3,5X1 * | ||||
| 037 | 963203010 | 1.20 | 1.43 | |
| Scheibe 5x11x0,5 | ||||
| 038 | 925305000 | 1.00 | 1.19 | |
| Keine Informationen verfügbar, nicht bestellbar | ||||
| 039 | 210221030 | |||
| Keine Informationen verfügbar, nicht bestellbar | ||||
| 040 | 210213300 | |||
| Bremsband | ||||
| 041 | 168321-7 | 7.20 | 8.57 | |
| Keine Informationen verfügbar, nicht bestellbar | ||||
| 042 | 210213020 | |||
| Keine Informationen verfügbar, nicht bestellbar | ||||
| 043 | 210213050 | |||
| Druckfeder Uc3000A | ||||
| 044 | 028213521 | 1.20 | 1.43 | |
| 4 Unterlegscheibe | ||||
| 045 | 267195-4 | 1.20 | 1.43 | |
| Gasstange | ||||
| 046 | 324622-5 | 1.00 | 1.19 | |
| Keine Informationen verfügbar, nicht bestellbar | ||||
| 047 | 210110620 | |||
| Keine Informationen verfügbar, nicht bestellbar | ||||
| 048 | 980114181 | |||
| Etikett "makita" | ||||
| 049 | 819064-1 | 2.40 | 2.86 | |
| Schraube 4X18 | ||||
| 050 | 913540185 | 1.00 | 1.19 | |
| Kettenspanner Nocken Dcs34 A | ||||
| 051 | 001213042 | 3.60 | 4.28 | |
| Schraube 5x35 | ||||
| 052 | 901505354 | 1.00 | 1.19 | |
| Keine Informationen verfügbar, nicht bestellbar | ||||
| 053 | 267732-4 | |||
| Kettenantriebsrad | ||||
| 054 | 221526-1 | 2.40 | 2.86 | |
| Sicherungsring E8 | ||||
| 055 | 259036-8 | 1.00 | 1.19 | |
| Abdeckung für Kette | ||||
| 056 | 152603-7 | 9.60 | 11.42 | |
| Keine Informationen verfügbar, nicht bestellbar | ||||
| 057 | 923208004 | |||
| Nicht mehr lieferbar, kein Ersatz | ||||
| 058 | 958040611 | |||
| Keine Informationen verfügbar, nicht bestellbar | ||||
| 059 | 958290656 | |||