Hier finden Sie alle verfügbaren Teile und Zeichnungen der 'Makita UM402'. Von hier aus können Sie alle gewünschten Teile direkt bestellen. Viele Teile müssen je nach Marke beim Hersteller bestellt werden, dies dauert ein bis vier Wochen. Alle Informationen, die wir haben, befinden sich auf unserer Website. Wir können Sie nicht beraten, was Sie benötigen. Dazu müssen Sie die Maschine zur Reparatur zurücksenden. Bitte beachten Sie bei der Bestellung Folgendes:
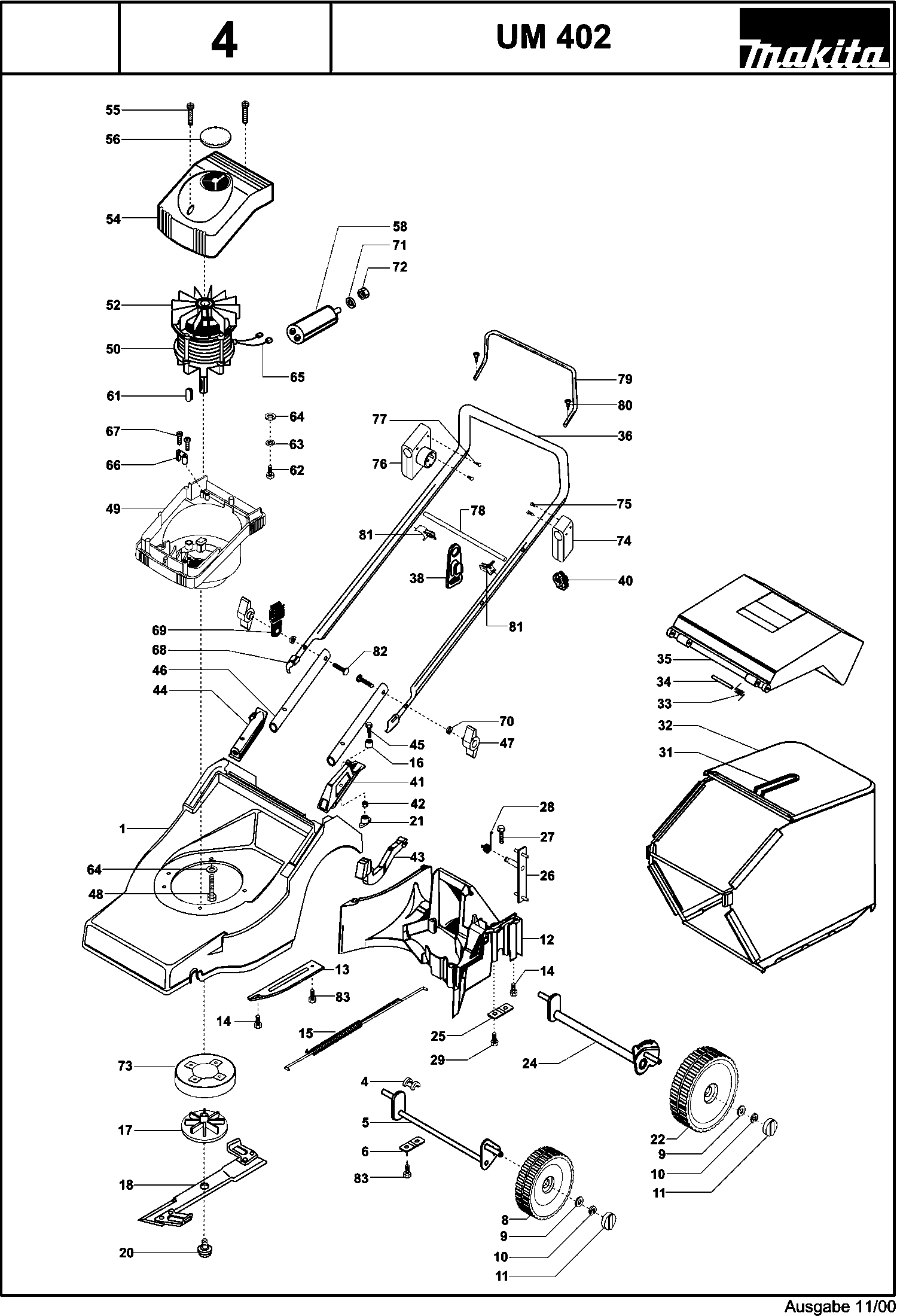
Zeichnungen der Makita UM402
Teileliste der Makita UM402
| Pos. | Beschreibung | Preis ohne MwSt | Preis inkl. MwSt | |
| Die angegebenen Preise enthalten die Mehrwertsteuer | ||||
| Mähdeck 40cm * | ||||
| 001 | 663548198 | 155.10 | 184.57 | |
| Nicht mehr lieferbar, kein Ersatz | ||||
| 004 | 661300049 | |||
| Keine Informationen verfügbar, nicht bestellbar | ||||
| 005 | 661300580 | |||
| Abdeckplatte Um400+460+Eum400 * | ||||
| 006 | 661300101 | 2.40 | 2.86 | |
| Keine Informationen verfügbar, nicht bestellbar | ||||
| 008 | 661300499 | |||
| Ring 14X20X1,5 * | ||||
| 009 | 663703790 | 2.40 | 2.86 | |
| Keine Informationen verfügbar, nicht bestellbar | ||||
| 010 | 663702893 | |||
| Keine Informationen verfügbar, nicht bestellbar | ||||
| 011 | 661300509 | |||
| Nicht mehr lieferbar, kein Ersatz | ||||
| 012 | 663548201 | |||
| Nicht mehr lieferbar, kein Ersatz | ||||
| 013 | 661300494 | |||
| Torx Schraube 6x20 | ||||
| 014 | 908006205 | 1.20 | 1.43 | |
| Keine Informationen verfügbar, nicht bestellbar | ||||
| 015 | 661300522 | |||
| Keine Informationen verfügbar, nicht bestellbar | ||||
| 016 | 662300655 | |||
| Keine Informationen verfügbar, nicht bestellbar | ||||
| 017 | 663513613 | |||
| Keine Informationen verfügbar, nicht bestellbar | ||||
| 018 | 663513617 | |||
| Schraube Für Messer * | ||||
| 020 | 663313605 | 8.40 | 10.00 | |
| Nicht mehr lieferbar, kein Ersatz | ||||
| 021 | 662300656 | |||
| Antriebsrad (Hinten) Um400 * | ||||
| 022 | 661300511 | 48.40 | 57.60 | |
| Keine Informationen verfügbar, nicht bestellbar | ||||
| 024 | 661300622 | |||
| Keine Informationen verfügbar, nicht bestellbar | ||||
| 025 | 661300623 | |||
| Keine Informationen verfügbar, nicht bestellbar | ||||
| 026 | 661300523 | |||
| Keine Informationen verfügbar, nicht bestellbar | ||||
| 027 | 661300521 | |||
| Keine Informationen verfügbar, nicht bestellbar | ||||
| 028 | 661300582 | |||
| Keine Informationen verfügbar, nicht bestellbar | ||||
| 029 | 663543556 | |||
| Keine Informationen verfügbar, nicht bestellbar | ||||
| 031 | 661300658 | |||
| Keine Informationen verfügbar, nicht bestellbar | ||||
| 032 | 661013091 | |||
| Keine Informationen verfügbar, nicht bestellbar | ||||
| 033 | 661300604 | |||
| Keine Informationen verfügbar, nicht bestellbar | ||||
| 034 | 661300603 | |||
| Keine Informationen verfügbar, nicht bestellbar | ||||
| 035 | 661300492 | |||
| Keine Informationen verfügbar, nicht bestellbar | ||||
| 036 | 663548263 | |||
| Keine Informationen verfügbar, nicht bestellbar | ||||
| 038 | 663325518 | |||
| Keine Informationen verfügbar, nicht bestellbar | ||||
| 040 | 663342887 | |||
| Nicht mehr lieferbar, kein Ersatz | ||||
| 041 | 661300515 | |||
| Keine Informationen verfügbar, nicht bestellbar | ||||
| 042 | 0164060000 | |||
| Nicht mehr lieferbar, kein Ersatz | ||||
| 043 | 661300514 | |||
| Keine Informationen verfügbar, nicht bestellbar | ||||
| 044 | 661300516 | |||
| Keine Informationen verfügbar, nicht bestellbar | ||||
| 045 | 663703961 | |||
| Unterer Schiebegriff 360mm Um400 * | ||||
| 046 | 663548167 | 10.80 | 12.85 | |
| Keine Informationen verfügbar, nicht bestellbar | ||||
| 047 | 663544757 | |||
| Keine Informationen verfügbar, nicht bestellbar | ||||
| 048 | 663525798 | |||
| Motorgehäuse * | ||||
| 049 | 663548150 | 93.50 | 111.26 | |
| E-Motor Um402 230V/1600W * | ||||
| 050 | 663548176 | 522.50 | 621.78 | |
| Ventilator * | ||||
| 052 | 663319243 | 9.60 | 11.42 | |
| Abdeckgehäuse * | ||||
| 054 | 663507964 | 17.60 | 20.94 | |
| Keine Informationen verfügbar, nicht bestellbar | ||||
| 055 | 663348977 | |||
| Schauglas * | ||||
| 056 | 663348473 | 7.20 | 8.57 | |
| Kondensator 16 Uf * | ||||
| 058 | 663330873 | 42.90 | 51.05 | |
| Keil 4X4X20Mm * | ||||
| 061 | 663700391 | 1.20 | 1.43 | |
| Keine Informationen verfügbar, nicht bestellbar | ||||
| 062 | 663701006 | |||
| Ring 8,2Mm Vz 6798 * | ||||
| 063 | 663700201 | 1.20 | 1.43 | |
| Unterlegscheibe 8,4 * | ||||
| 064 | 663700138 | 1.00 | 1.19 | |
| Kabel 100Mm * | ||||
| 065 | 663506866 | 2.40 | 2.86 | |
| Keine Informationen verfügbar, nicht bestellbar | ||||
| 066 | 663329947 | |||
| Keine Informationen verfügbar, nicht bestellbar | ||||
| 067 | 663510281 | |||
| Schutzkappe * | ||||
| 068 | 663305786 | 1.20 | 1.43 | |
| Keine Informationen verfügbar, nicht bestellbar | ||||
| 069 | 663511441 | |||
| Unterlegscheibe A 6,4 VZ 9021 * | ||||
| 070 | 663700148 | 1.00 | 1.19 | |
| Unterlegscheibe 8,4 VZ 9021 * | ||||
| 071 | 663700150 | 1.00 | 1.19 | |
| Mutter M8 Vz 439 * | ||||
| 072 | 663701012 | 2.40 | 2.86 | |
| Schutzteil * | ||||
| 073 | 663548177 | 10.80 | 12.85 | |
| Bügelhalter Um330 * | ||||
| 074 | 663508412 | 17.60 | 20.94 | |
| Keine Informationen verfügbar, nicht bestellbar | ||||
| 075 | 663349507 | |||
| Schalter Um330+402+400+461 * | ||||
| 076 | 663516506 | 127.60 | 151.84 | |
| Keine Informationen verfügbar, nicht bestellbar | ||||
| 077 | 663510281 | |||
| Stangenhalter * | ||||
| 078 | 663548214 | 3.60 | 4.28 | |
| Keine Informationen verfügbar, nicht bestellbar | ||||
| 079 | 663548213 | |||
| Keine Informationen verfügbar, nicht bestellbar | ||||
| 080 | 663703704 | |||
| Bügel Zwischenstück Um330 * | ||||
| 081 | 663511443 | 8.40 | 10.00 | |
| Keine Informationen verfügbar, nicht bestellbar | ||||
| 082 | 663702854 | |||
| Keine Informationen verfügbar, nicht bestellbar | ||||
| 083 | 663510468 | |||