Hier finden Sie alle verfügbaren Teile und Zeichnungen der 'Metabo 0230022216-10 ( BASIC265 )'. Von hier aus können Sie alle gewünschten Teile direkt bestellen. Viele Teile müssen je nach Marke beim Hersteller bestellt werden, dies dauert ein bis vier Wochen. Alle Informationen, die wir haben, befinden sich auf unserer Website. Wir können Sie nicht beraten, was Sie benötigen. Dazu müssen Sie die Maschine zur Reparatur zurücksenden. Bitte beachten Sie bei der Bestellung Folgendes:
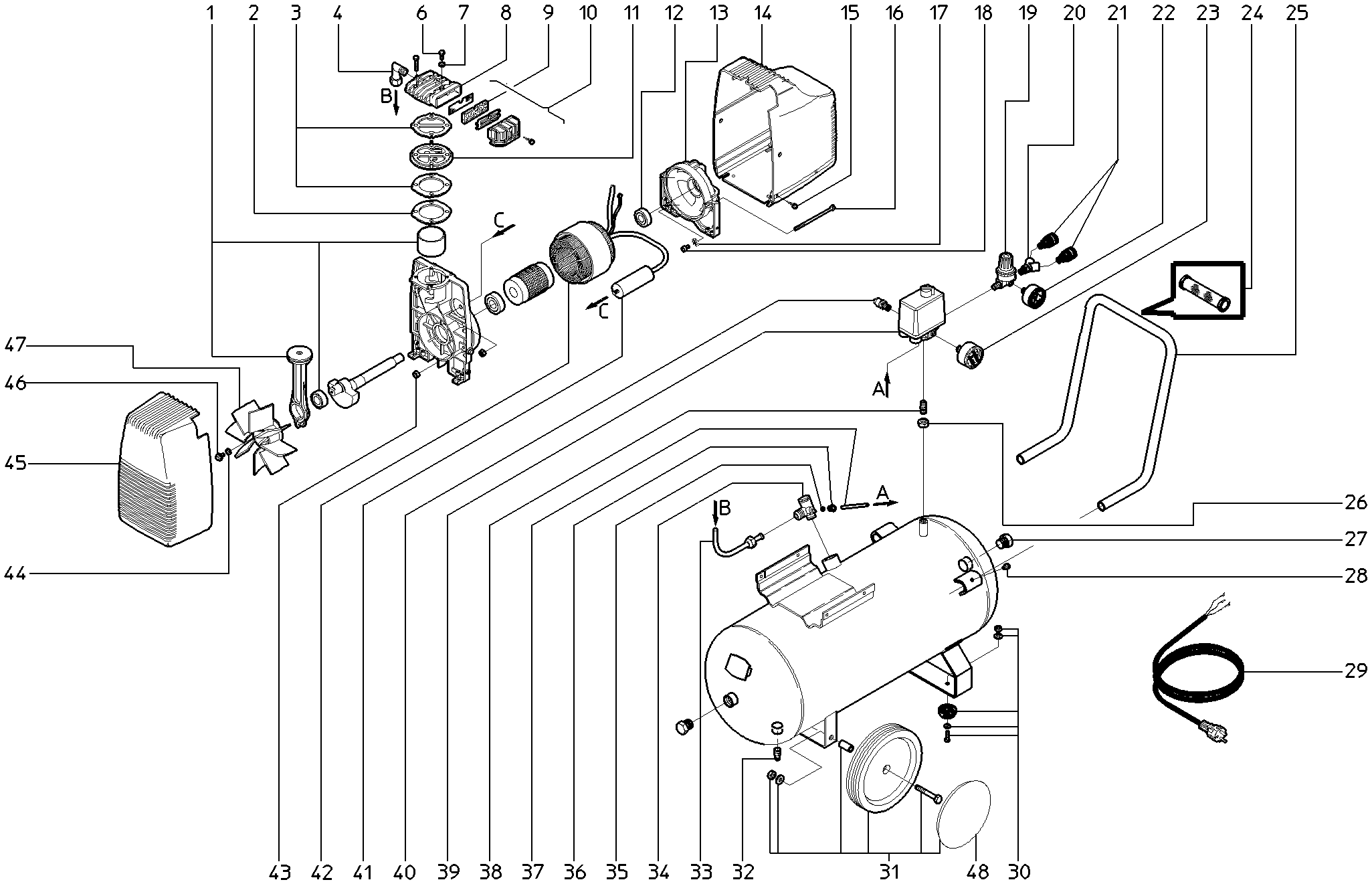
Zeichnungen der Metabo 0230022216-10 ( BASIC265 )
Teileliste der Metabo 0230022216-10 ( BASIC265 )
| Pos. | Beschreibung | Preis ohne MwSt | Preis inkl. MwSt | |
| Die angegebenen Preise enthalten die Mehrwertsteuer | ||||
| Stößelstangen-Set mit Lager ET | ||||
| 1 | 1319661774 | 107.70 | 128.16 | |
| Nicht mehr lieferbar, kein Ersatz | ||||
| 2 | 1311661937 | |||
| DICHTUNG ET | ||||
| 3 | 1319661626 | 16.25 | 19.34 | |
| Keine Informationen verfügbar, nicht bestellbar | ||||
| 4 | 7872663295 | |||
| Senkschraube | ||||
| 6 | 141112180 | 1.56 | 1.86 | |
| Keine Informationen verfügbar, nicht bestellbar | ||||
| 7 | 6341062550 | |||
| Zylinderkopf ET | ||||
| 8 | 1319662290 | 43.15 | 51.35 | |
| Luftfiltereinsatz ET | ||||
| 9 | 7825626799 | 1.67 | 1.99 | |
| Nicht mehr lieferbar, kein Ersatz | ||||
| 10 | 7825661730 | |||
| Nicht mehr lieferbar, kein Ersatz | ||||
| 11 | 1319661634 | |||
| Kugellager 17X40X12 6203-2Z | ||||
| 12 | 7100047254 | 8.89 | 10.58 | |
| LAGERSCHILD ET | ||||
| 13 | 1310662417 | 43.15 | 51.35 | |
| Abdeckkappe Schwarz / ET | ||||
| 14 | 1311662054 | 32.27 | 38.40 | |
| BLECHSCHRAUBE M.KREUZSCHLITZ M 5X16 VERZ. | ||||
| 15 | 6123002057 | 1.56 | 1.86 | |
| Keine Informationen verfügbar, nicht bestellbar | ||||
| 16 | 1315661923 | |||
| Tandveerring | ||||
| 17 | 141150430 | 1.56 | 1.86 | |
| Keine Informationen verfügbar, nicht bestellbar | ||||
| 18 | 6175604551 | |||
| Keine Informationen verfügbar, nicht bestellbar | ||||
| 19 | 7822661968 | |||
| Keine Informationen verfügbar, nicht bestellbar | ||||
| 20 | 7871663127 | |||
| Keine Informationen verfügbar, nicht bestellbar | ||||
| 21 | 7802009083 | |||
| Keine Informationen verfügbar, nicht bestellbar | ||||
| 22 | 7823088510 | |||
| Keine Informationen verfügbar, nicht bestellbar | ||||
| 23 | 7823088501 | |||
| Keine Informationen verfügbar, nicht bestellbar | ||||
| 24 | 7008662210 | |||
| Keine Informationen verfügbar, nicht bestellbar | ||||
| 25 | 1315661842 | |||
| Keine Informationen verfügbar, nicht bestellbar | ||||
| 26 | 6209113919 | |||
| Verschlussschraube R 1/2 verz. | ||||
| 27 | 6109079322 | 11.74 | 13.97 | |
| Cilinderkopschroef | ||||
| 28 | 141113990 | 1.68 | 2.00 | |
| GUMMIKABEL 3GX1,5X3000 A=437.1U B=70 GE | ||||
| 29 | 8402094428 | 21.64 | 25.75 | |
| Keine Informationen verfügbar, nicht bestellbar | ||||
| 30 | 1001661708 | |||
| Keine Informationen verfügbar, nicht bestellbar | ||||
| 31 | 1001661694 | |||
| Keine Informationen verfügbar, nicht bestellbar | ||||
| 32 | 7830142449 | |||
| Keine Informationen verfügbar, nicht bestellbar | ||||
| 33 | 1319662088 | |||
| RÜCKSCHLAGVENTIL 1/2"AX1/2"A LINKS/ET | ||||
| 34 | 7831662594 | 26.95 | 32.07 | |
| Schneidring 6 MM ET | ||||
| 35 | 7875156629 | 1.67 | 1.99 | |
| Sechskantmutter 6 mm ET | ||||
| 36 | 7874156609 | 11.74 | 13.97 | |
| Kunststoffschlauch | ||||
| 37 | 316061030 | 21.64 | 25.75 | |
| Keine Informationen verfügbar, nicht bestellbar | ||||
| 38 | 7806663110 | |||
| DRUCKREGLER MDR 2/11 SL F4-1/4" +AEV 2S | ||||
| 39 | 8101662161 | 80.81 | 96.16 | |
| Sicherheitsventil 1/4"A/8 BAR SV97-9997 | ||||
| 40 | 7833662613 | 53.86 | 64.09 | |
| Nicht mehr lieferbar, kein Ersatz | ||||
| 41 | 8050662242 | |||
| Keine Informationen verfügbar, nicht bestellbar | ||||
| 42 | 8014663259 | |||
| Sicherheitsmutter Sechskant | ||||
| 43 | 141130650 | 1.68 | 2.00 | |
| Nicht mehr lieferbar, kein Ersatz | ||||
| 45 | 1311662062 | |||
| Nicht mehr lieferbar, kein Ersatz | ||||
| 47 | 316054430 | |||
| Keine Informationen verfügbar, nicht bestellbar | ||||
| 48 | 1311672505 | |||
| VERPACKUNG 850X330X720 BASIC 265/270/300 | ||||
| 7600 | 4810670539 | 43.15 | 51.35 | |