Hier finden Sie alle verfügbaren Teile und Zeichnungen der 'Metabo 0910064380-10 ( BOVENFREESSETFLEXO500 )'. Von hier aus können Sie alle gewünschten Teile direkt bestellen. Viele Teile müssen je nach Marke beim Hersteller bestellt werden, dies dauert ein bis vier Wochen. Alle Informationen, die wir haben, befinden sich auf unserer Website. Wir können Sie nicht beraten, was Sie benötigen. Dazu müssen Sie die Maschine zur Reparatur zurücksenden. Bitte beachten Sie bei der Bestellung Folgendes:
Zeichnungen der Metabo 0910064380-10 ( BOVENFREESSETFLEXO500 )
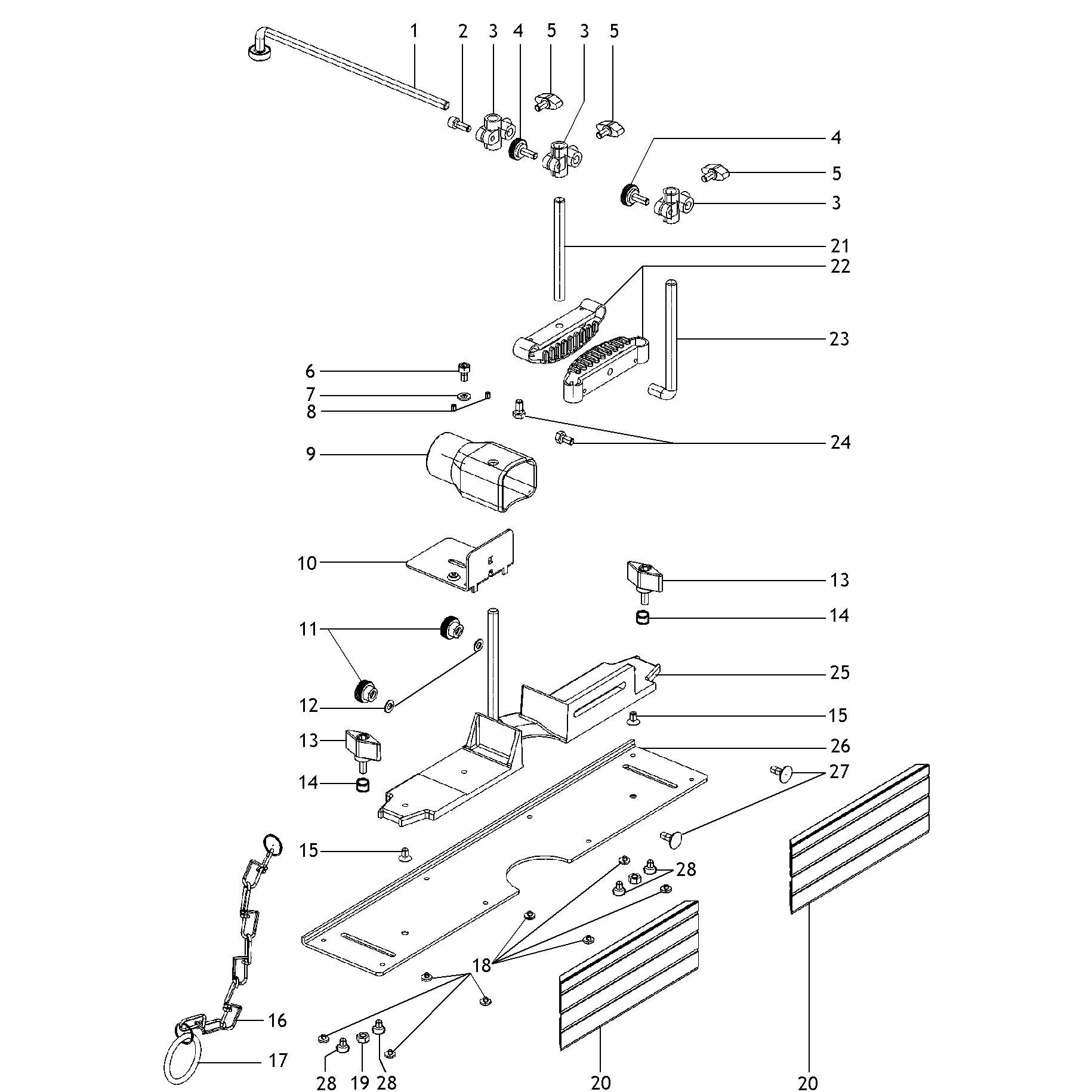
Teileliste der Metabo 0910064380-10 ( BOVENFREESSETFLEXO500 )
| Pos. | Beschreibung | Preis ohne MwSt | Preis inkl. MwSt | |
| Die angegebenen Preise enthalten die Mehrwertsteuer | ||||
| FADENFÜHRER OBERFR SENSET-UK290 | ||||
| 1 | 1388728287 | 26.95 | 32.07 | |
| Zylinderschraube | ||||
| 2 | 6121023081 | 1.56 | 1.86 | |
| Keine Informationen verfügbar, nicht bestellbar | ||||
| 3 | 1388728279 | |||
| Rändelschraube M 6X16 / RD 20 verz. | ||||
| 4 | 6143075468 | 1.68 | 2.00 | |
| Vleugelschroef,M6 x 12 | ||||
| 5 | 341112750 | 1.56 | 1.86 | |
| Keine Informationen verfügbar, nicht bestellbar | ||||
| 6 | 6122027978 | |||
| Scheibe | ||||
| 7 | 141151940 | 1.56 | 1.86 | |
| Stiftgewindebohrer mit Morsekegel M 4X6 | ||||
| 8 | 6161158982 | 1.56 | 1.86 | |
| Keine Informationen verfügbar, nicht bestellbar | ||||
| 9 | 1381728290 | |||
| Führungsplatte BL 2,00X65X114,50 OBERFR | ||||
| 10 | 1482728967 | 16.25 | 19.34 | |
| Kordelmutter | ||||
| 11 | 6241125058 | 1.68 | 2.00 | |
| Scheibe | ||||
| 12 | 141151340 | 1.56 | 1.86 | |
| Vleugelschroef | ||||
| 13 | 341111650 | 1.68 | 2.00 | |
| Keine Informationen verfügbar, nicht bestellbar | ||||
| 14 | 1485700869 | |||
| Flachversenkter Schraube M.Binnen M 6X10 VE | ||||
| 15 | 6132685086 | 1.56 | 1.86 | |
| Keine Informationen verfügbar, nicht bestellbar | ||||
| 16 | 1381727897 | |||
| Keine Informationen verfügbar, nicht bestellbar | ||||
| 17 | 7632728993 | |||
| Rutschschuh OS 400 | ||||
| 18 | 1381652854 | 1.56 | 1.86 | |
| Zeskante moer | ||||
| 19 | 141130100 | 1.56 | 1.86 | |
| Keine Informationen verfügbar, nicht bestellbar | ||||
| 20 | 1383728211 | |||
| Keine Informationen verfügbar, nicht bestellbar | ||||
| 21 | 1485728259 | |||
| Keine Informationen verfügbar, nicht bestellbar | ||||
| 22 | 1381728249 | |||
| Keine Informationen verfügbar, nicht bestellbar | ||||
| 23 | 1485728267 | |||
| Sechskantschraube M 6X16 verz. Fleckbeschicht | ||||
| 24 | 6103001356 | 1.56 | 1.86 | |
| Keine Informationen verfügbar, nicht bestellbar | ||||
| 25 | 1380728300 | |||
| STÜTZE LEITFADEN BL 2.99X98X480 OBERFR SEN | ||||
| 26 | 1382728226 | 32.27 | 38.40 | |
| Langschlitzschraube mit Quadratsteckplatz | ||||
| 27 | 6110000608 | 1.56 | 1.86 | |
| Einfügepuffer | ||||
| 28 | 2391203906 | 1.56 | 1.86 | |