Hier finden Sie alle verfügbaren Teile und Zeichnungen der 'Metabo 02420000 ( BSP15.6PLUS )'. Von hier aus können Sie alle gewünschten Teile direkt bestellen. Viele Teile müssen je nach Marke beim Hersteller bestellt werden, dies dauert ein bis vier Wochen. Alle Informationen, die wir haben, befinden sich auf unserer Website. Wir können Sie nicht beraten, was Sie benötigen. Dazu müssen Sie die Maschine zur Reparatur zurücksenden. Bitte beachten Sie bei der Bestellung Folgendes:
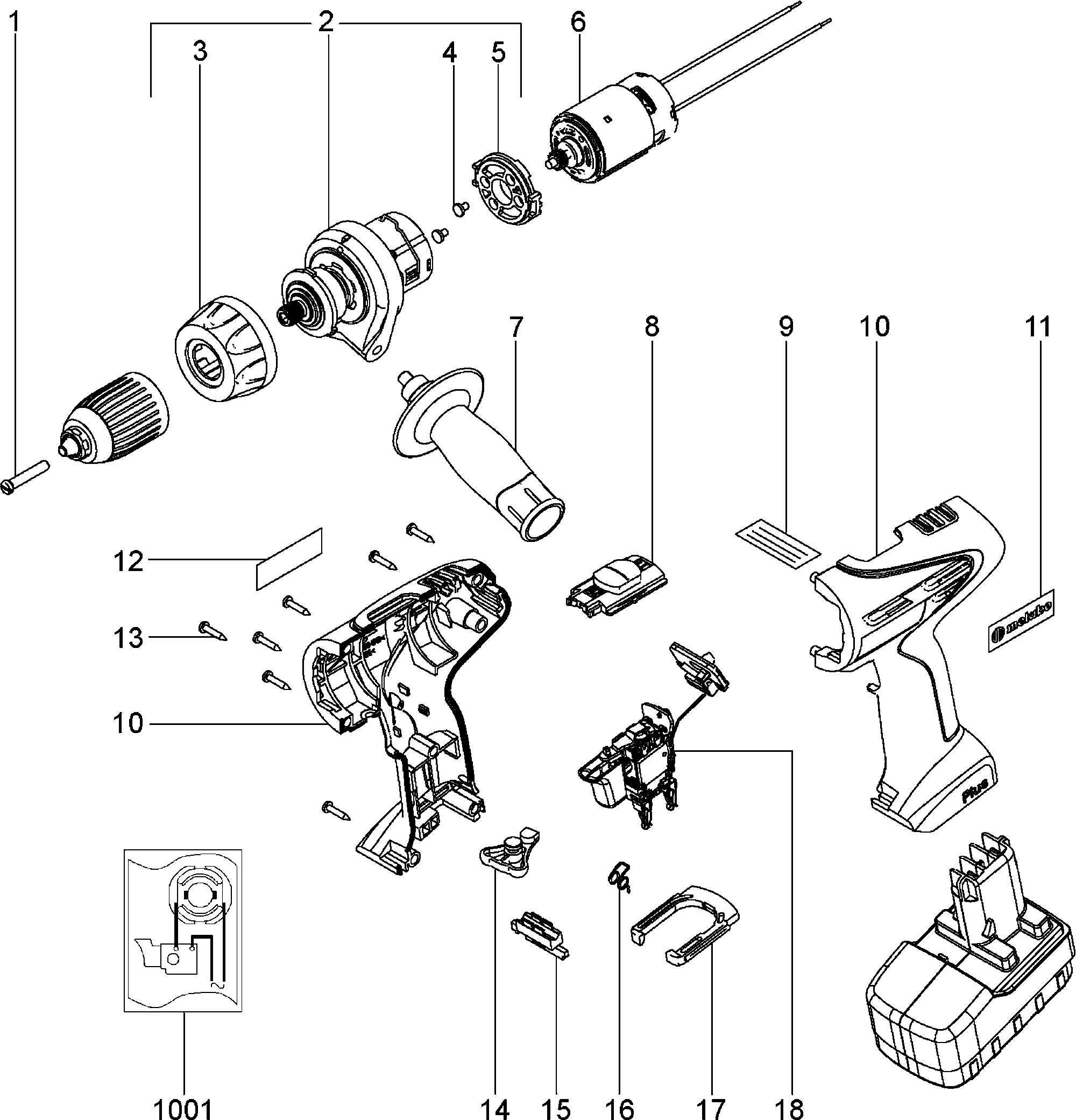
Zeichnungen der Metabo 02420000 ( BSP15.6PLUS )
Teileliste der Metabo 02420000 ( BSP15.6PLUS )
| Pos. | Beschreibung | Preis ohne MwSt | Preis inkl. MwSt | |
| Die angegebenen Preise enthalten die Mehrwertsteuer | ||||
| Cilinderkopschroef | ||||
| 1 | 341701940 | 1.68 | 2.00 | |
| Keine Informationen verfügbar, nicht bestellbar | ||||
| 2 | 316035260 | |||
| Keine Informationen verfügbar, nicht bestellbar | ||||
| 3 | 315104250 | |||
| Linsenschraube mikrov. Blau | ||||
| 4 | 141119850 | 1.56 | 1.86 | |
| Keine Informationen verfügbar, nicht bestellbar | ||||
| 5 | 343379430 | |||
| Nicht mehr lieferbar, kein Ersatz | ||||
| 6 | 317003090 | |||
| Handgreep compl. | ||||
| 7 | 314000540 | 11.74 | 13.97 | |
| Keine Informationen verfügbar, nicht bestellbar | ||||
| 8 | 343379220 | |||
| Keine Informationen verfügbar, nicht bestellbar | ||||
| 9 | 399999990 | |||
| Keine Informationen verfügbar, nicht bestellbar | ||||
| 10 | 343379180 | |||
| Metabo-plaatje | ||||
| 11 | 338118370 | 1.56 | 1.86 | |
| Keine Informationen verfügbar, nicht bestellbar | ||||
| 12 | 338044020 | |||
| Linsenblechschraube | ||||
| 13 | 141113180 | 1.56 | 1.86 | |
| Keine Informationen verfügbar, nicht bestellbar | ||||
| 14 | 316035280 | |||
| Keine Informationen verfügbar, nicht bestellbar | ||||
| 15 | 343374330 | |||
| Passerveer | ||||
| 16 | 342021670 | 1.56 | 1.86 | |
| Nicht mehr lieferbar, kein Ersatz | ||||
| 17 | 343374940 | |||
| Keine Informationen verfügbar, nicht bestellbar | ||||
| 18 | 343407450 | |||