Hier finden Sie alle verfügbaren Teile und Zeichnungen der 'Metabo 00601000 ( SBE601 )'. Von hier aus können Sie alle gewünschten Teile direkt bestellen. Viele Teile müssen je nach Marke beim Hersteller bestellt werden, dies dauert ein bis vier Wochen. Alle Informationen, die wir haben, befinden sich auf unserer Website. Wir können Sie nicht beraten, was Sie benötigen. Dazu müssen Sie die Maschine zur Reparatur zurücksenden. Bitte beachten Sie bei der Bestellung Folgendes:
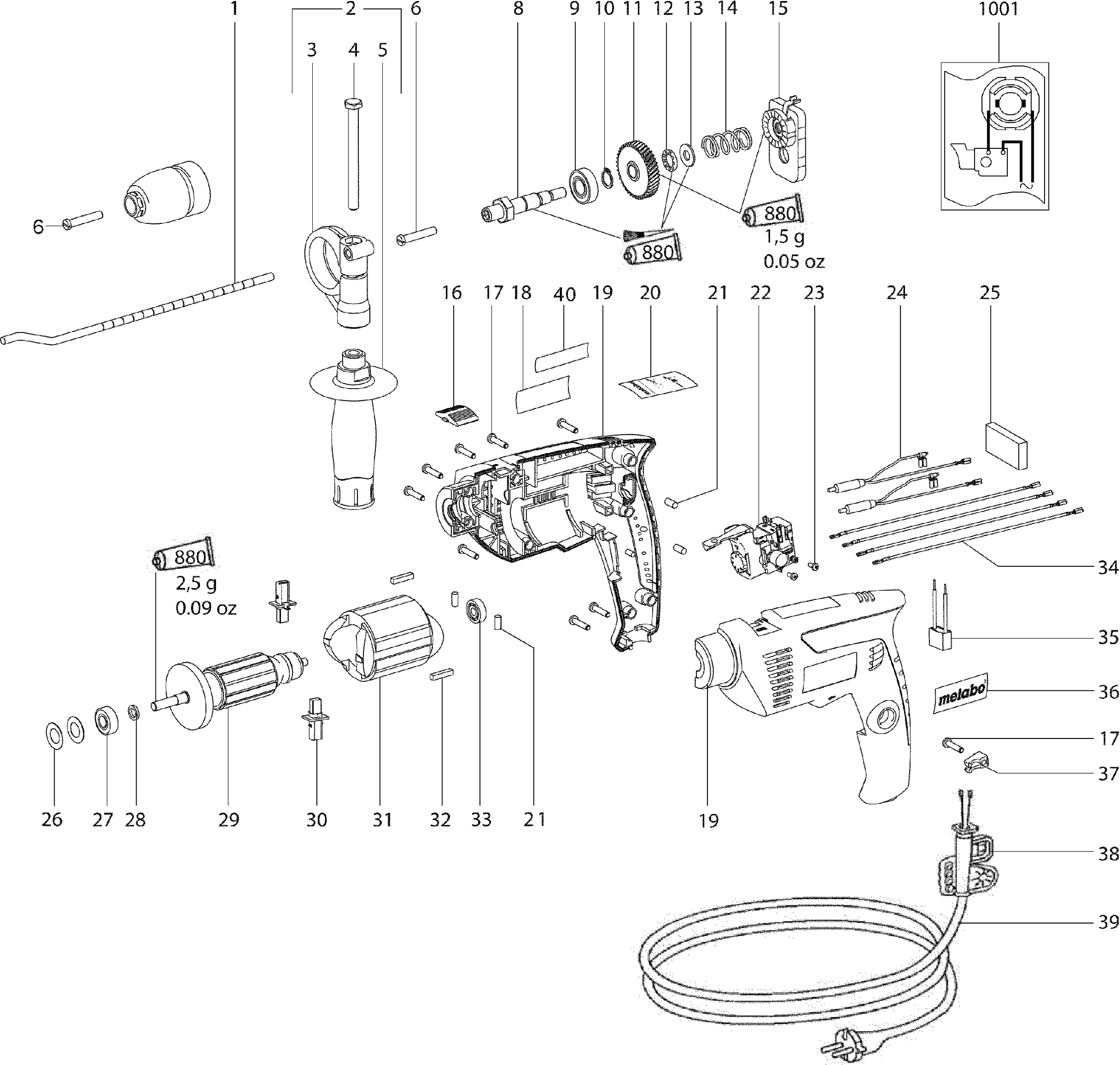
Zeichnungen der Metabo 00601000 ( SBE601 )
Teileliste der Metabo 00601000 ( SBE601 )
| Pos. | Beschreibung | Preis ohne MwSt | Preis inkl. MwSt | |
| Die angegebenen Preise enthalten die Mehrwertsteuer | ||||
| Dieptegeleider | ||||
| 1 | 341511630 | 4.51 | 5.37 | |
| Handgreep compl. | ||||
| 2 | 314000840 | 8.89 | 10.58 | |
| Spannstueck | ||||
| 3 | 343359780 | 5.18 | 6.16 | |
| Zeskantschroef | ||||
| 4 | 141116160 | 1.68 | 2.00 | |
| Zusatzhandgriff | ||||
| 5 | 314001280 | 8.89 | 10.58 | |
| Griff | ||||
| 5 | 314000550 | 5.87 | 6.99 | |
| Cilinderkopschroef | ||||
| 6 | 341701940 | 1.68 | 2.00 | |
| BOHRSPINDEL | ||||
| 8 | 341603980 | 10.38 | 12.35 | |
| Kogellager 12x28x 8 | ||||
| 9 | 143115640 | 2.28 | 2.71 | |
| Sicherungsring | ||||
| 10 | 141180060 | 1.56 | 1.86 | |
| Stirnrad | ||||
| 11 | 341054650 | 13.48 | 16.04 | |
| Kogelhouder | ||||
| 12 | 320050260 | 3.71 | 4.41 | |
| Scheibe | ||||
| 13 | 339005870 | 1.56 | 1.86 | |
| Druckfeder | ||||
| 14 | 342021560 | 1.56 | 1.86 | |
| Tandwielflens compl. | ||||
| 15 | 316025220 | 21.64 | 25.75 | |
| Schakelschuif | ||||
| 16 | 343370760 | 1.68 | 2.00 | |
| Linsenblechschraube | ||||
| 17 | 141116020 | 1.68 | 2.00 | |
| Keine Informationen verfügbar, nicht bestellbar | ||||
| 18 | 338059430 | |||
| Huis m.deksel m.rubber | ||||
| 19 | 343393420 | 21.64 | 25.75 | |
| Aanduidingsplaatje | ||||
| 20 | 338124000 | 1.56 | 1.86 | |
| Rubber stop | ||||
| 21 | 344092220 | 1.56 | 1.86 | |
| Elektro.schakelaar,rot | ||||
| 22 | 343410210 | 13.48 | 16.04 | |
| Linsenschraube | ||||
| 23 | 141116970 | 1.68 | 2.00 | |
| Verbindingsdraad compl. | ||||
| 24 | 344493250 | 5.87 | 6.99 | |
| Inleg licht ontvlambaar | ||||
| 25 | 344103000 | 1.56 | 1.86 | |
| Scheibenfeder | ||||
| 26 | 141150590 | 1.56 | 1.86 | |
| Kugellager 8x22x7 | ||||
| 27 | 143115050 | 5.87 | 6.99 | |
| Scheibe | ||||
| 28 | 341055170 | 1.68 | 2.00 | |
| Anker compl. | ||||
| 29 | 310009250 | 67.33 | 80.12 | |
| Koolborstel set | ||||
| 30 | 316033870 | 12.23 | 14.55 | |
| Feld | ||||
| 31 | 311010910 | 37.65 | 44.80 | |
| Rubber stop | ||||
| 32 | 344093350 | 1.56 | 1.86 | |
| Kogellager 6x19x 6 | ||||
| 33 | 143115660 | 2.28 | 2.71 | |
| Verbindungsleitungsset | ||||
| 34 | 344493140 | 4.51 | 5.37 | |
| Keine Informationen verfügbar, nicht bestellbar | ||||
| 35 | 343254010 | |||
| Nicht mehr lieferbar, kein Ersatz | ||||
| 36 | 338122160 | |||
| Kabelschelle | ||||
| 37 | 343362490 | 1.68 | 2.00 | |
| Kabeldoorvoer | ||||
| 38 | 344100590 | 2.28 | 2.71 | |
| Kabel m. stekker | ||||
| 39 | 344498420 | 7.22 | 8.59 | |
| Keine Informationen verfügbar, nicht bestellbar | ||||
| 40 | 399999990 | |||
| Dose Fett UNIM GL402 | ||||
| 880 | 344130650 | 11.74 | 13.97 | |
| Keine Informationen verfügbar, nicht bestellbar | ||||
| 1001 | 338500260 | |||