Hier finden Sie alle verfügbaren Teile und Zeichnungen der 'Milwaukee 4000391081 ( AG12-125X )'. Von hier aus können Sie alle gewünschten Teile direkt bestellen. Viele Teile müssen je nach Marke beim Hersteller bestellt werden, dies dauert ein bis vier Wochen. Alle Informationen, die wir haben, befinden sich auf unserer Website. Wir können Sie nicht beraten, was Sie benötigen. Dazu müssen Sie die Maschine zur Reparatur zurücksenden. Bitte beachten Sie bei der Bestellung Folgendes:
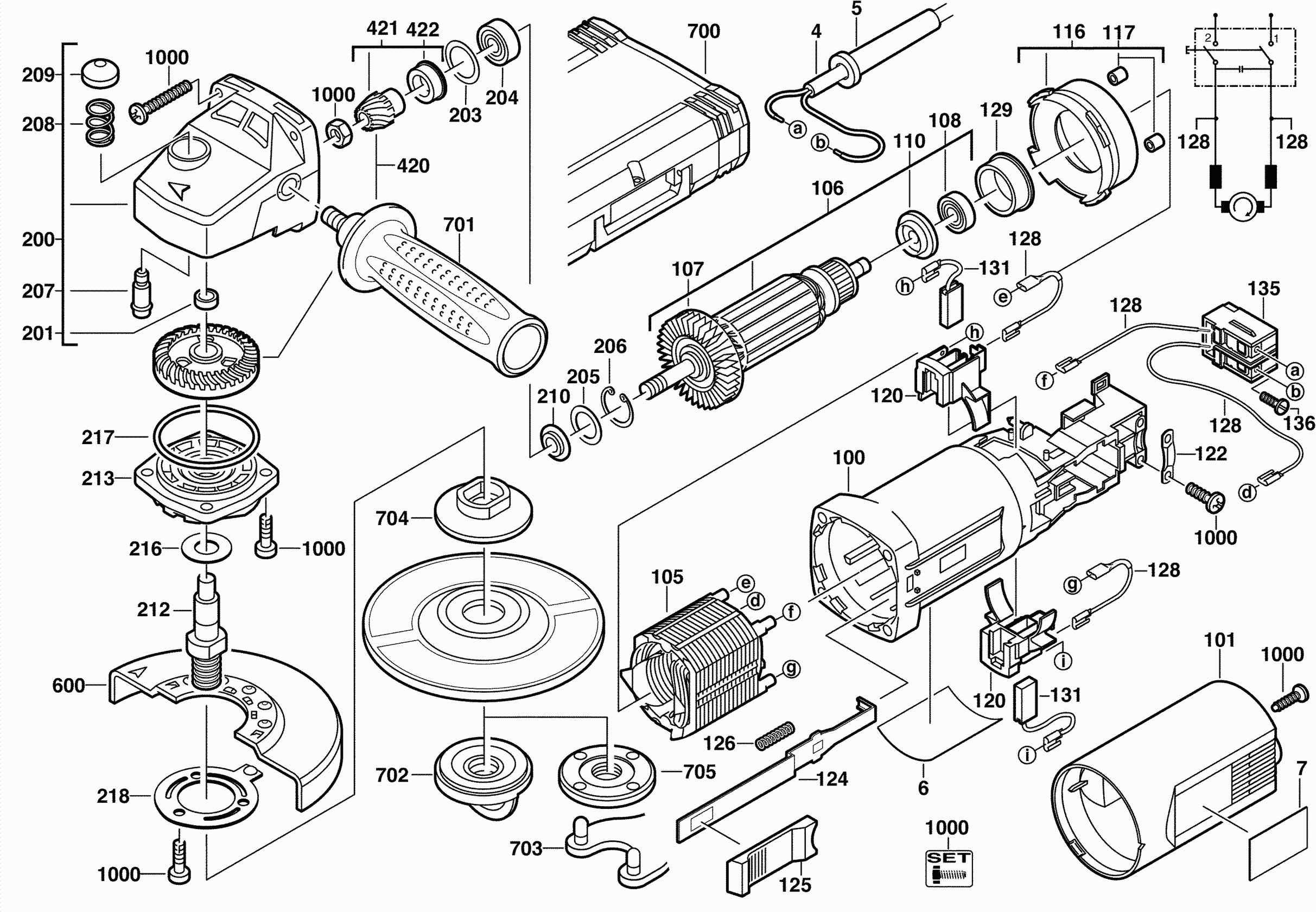
Zeichnungen der Milwaukee 4000391081 ( AG12-125X )
Teileliste der Milwaukee 4000391081 ( AG12-125X )
| Pos. | Beschreibung | Preis ohne MwSt | Preis inkl. MwSt | |
| Die angegebenen Preise enthalten die Mehrwertsteuer | ||||
| ANSCHLUSSLEITUNG | ||||
| 0004 | 4931624339 | 22.18 | 26.39 | |
| KABELSCHUTZSCHLAUCH/Anschlussleitung/Ele | ||||
| 0005 | 4931218785 | 5.40 | 6.43 | |
| AUFKLEBER AUF PAPIER, SELBSTKLEBEND | ||||
| 0007 | 4931382311 | 1.80 | 2.14 | |
| MOTORGEHAEUSE | ||||
| 0100 | 4931383013 | 12.60 | 14.99 | |
| GEHAEUSEKAPPE | ||||
| 0101 | 4931407395 | 6.31 | 7.51 | |
| FELD F. ELEKTROMOTOR | ||||
| 0105 | 4931426591 | 32.66 | 38.87 | |
| ANKER F.ELEKTROMOTOR | ||||
| 0106 | 4931426546 | 66.53 | 79.17 | |
| VENTILATOR/ELEKTROMOTOR/EL.WERKZEUG | ||||
| 0107 | 4931341088 | 5.40 | 6.43 | |
| KUGELLAGER/Elektrowerkzeuge | ||||
| 0108 | 4931901253 | 9.00 | 10.71 | |
| ISOLIERSCHEIBE/ANKER/MOTOR/EL.WERKZEUG | ||||
| 0110 | 4931271823 | 5.40 | 6.43 | |
| ZWISCHENFLANSCH | ||||
| 0116 | 4931369787 | 5.40 | 6.43 | |
| NIEDERHALTER/Gummi/Elektromotor | ||||
| 0117 | 4931409768 | 5.40 | 6.43 | |
| BUERSTENHALTER (2 benötigt) | ||||
| 0120 | 4931326923 | 5.40 | 6.43 | |
| KABELSCHELLE/Metall/Diamandbohrmaschine | ||||
| 0122 | 4931256500 | 5.40 | 6.43 | |
| FUEHRUNGSSTUECK | ||||
| 0124 | 4931326959 | 5.40 | 6.43 | |
| SCHIEBER | ||||
| 0125 | 4931442821 | 3.60 | 4.28 | |
| Feder, nicht rost. Stahl | ||||
| 0126 | 4931326981 | 5.40 | 6.43 | |
| LEITUNG (2 benötigt) | ||||
| 0128 | 4931624660 | 1.80 | 2.14 | |
| LAGERBUCHSE/KAUTSCHUK/Elektrowerkzeuge | ||||
| 0129 | 4931326953 | 5.40 | 6.43 | |
| KOHLEBUERSTEN-SET | ||||
| 0131 | 4931369477 | 14.40 | 17.14 | |
| GERAeTESCHALTER/ELEKTOWERKZEUG | ||||
| 0135 | 4931326976 | 14.40 | 17.14 | |
| Schraube, nicht rost. Stahl (2 benötigt) | ||||
| 0136 | 4931617313 | 1.80 | 2.14 | |
| GETRIEBEKASTEN/Winkelschleifer | ||||
| 0200 | 4931412193 | 49.10 | 58.43 | |
| NADELHUeLSE/GETRIEBE/ELEKTROWERKZEUGE | ||||
| 0201 | 4931912093 | 5.40 | 6.43 | |
| Unterlegscheibe, nicht rost. Stahl | ||||
| 0203 | 4931362085 | 1.80 | 2.14 | |
| RILLENKUGELLAGER f. Winkelschleifer | ||||
| 0204 | 4931368037 | 5.40 | 6.43 | |
| Unterlegscheibe, nicht rost. Stahl | ||||
| 0205 | 4931622761 | 5.40 | 6.43 | |
| Sicherungsring/Metall/Elektrowerkzeuge | ||||
| 0206 | 4931616614 | 5.40 | 6.43 | |
| Schraube, nicht rost. Stahl | ||||
| 0207 | 4931326929 | 5.40 | 6.43 | |
| Feder, nicht rost. Stahl | ||||
| 0208 | 4931326942 | 5.40 | 6.43 | |
| DRUeCKER F GETRIEBEKASTEN/ELEKTROWERKZEU | ||||
| 0209 | 4931326930 | 5.40 | 6.43 | |
| Unterlegscheibe, nicht rost. Stahl | ||||
| 0210 | 4931624287 | 1.80 | 2.14 | |
| SPINDEL/Welle/im Getriebe/Winkelschleife | ||||
| 0212 | 4931409808 | 9.00 | 10.71 | |
| LAGERSCHILD/Getriebe/Winkelschleifer | ||||
| 0213 | 4931378310 | 9.00 | 10.71 | |
| Unterlegscheibe, nicht rost. Stahl | ||||
| 0216 | 4931623480 | 5.40 | 6.43 | |
| DICHTRING/Gummi NBR/Elektrowerkzeug | ||||
| 0217 | 4931623590 | 5.40 | 6.43 | |
| Unterlegscheibe, nicht rost. Stahl | ||||
| 0218 | 4931345965 | 1.80 | 2.14 | |
| RITZEL | ||||
| 0420 | 4931369937 | 26.93 | 32.05 | |
| RITZEL | ||||
| 0421 | 4931369937 | 26.93 | 32.05 | |
| DICHTRING | ||||
| 0422 | 4931369774 | 5.40 | 6.43 | |
| SCHUTZHAUBE/Metall/Winkelschleifer | ||||
| 0600 | 4931407642 | 9.00 | 10.71 | |
| GRIFF | ||||
| 0701 | 4932409546 | 12.10 | 14.40 | |
| FIXTEC MUTTER AEG M14 SNP | ||||
| 0702 | 4932358225 | 34.03 | 40.50 | |
| Spannflansch | ||||
| 0704 | 4932449324 | 8.28 | 9.85 | |
| Schraube, nicht rost. Stahl | ||||
| 1000 | 4931362846 | 14.40 | 17.14 | |