Hier finden Sie alle verfügbaren Teile und Zeichnungen der 'Milwaukee 4000383721 ( CS75 )'. Von hier aus können Sie alle gewünschten Teile direkt bestellen. Viele Teile müssen je nach Marke beim Hersteller bestellt werden, dies dauert ein bis vier Wochen. Alle Informationen, die wir haben, befinden sich auf unserer Website. Wir können Sie nicht beraten, was Sie benötigen. Dazu müssen Sie die Maschine zur Reparatur zurücksenden. Bitte beachten Sie bei der Bestellung Folgendes:
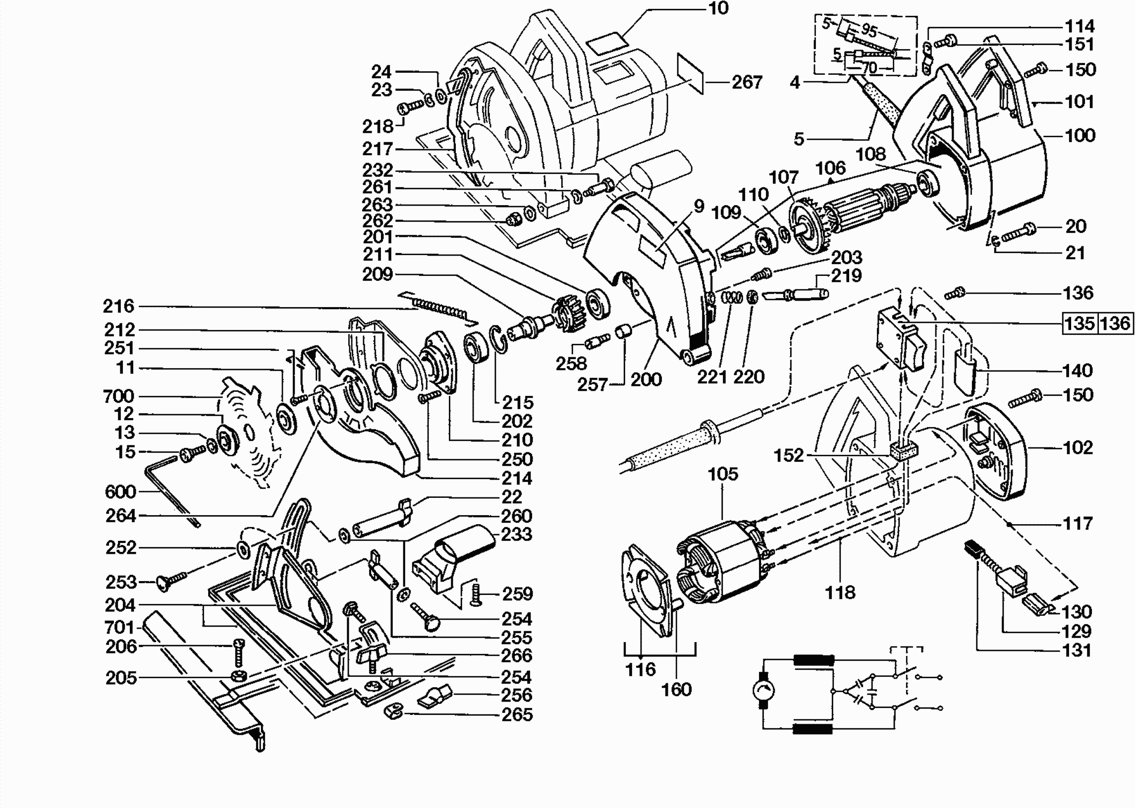
Zeichnungen der Milwaukee 4000383721 ( CS75 )
Teileliste der Milwaukee 4000383721 ( CS75 )
| Pos. | Beschreibung | Preis ohne MwSt | Preis inkl. MwSt | |
| Die angegebenen Preise enthalten die Mehrwertsteuer | ||||
| KABELSCHUTZSCHLAUCH | ||||
| 0005 | 4931322536 | 9.00 | 10.71 | |
| AUFKLEBER AUF PAPIER, SELBSTKLEBEND | ||||
| 0009 | 4931382710 | 1.80 | 2.14 | |
| SCHEIBE | ||||
| 0011 | 4931317023 | 4.49 | 5.34 | |
| Keine Informationen verfügbar, nicht bestellbar | ||||
| 0012 | 4931317024 | |||
| Unterlegscheibe, nicht rost. Stahl | ||||
| 0013 | 4931276977 | 1.80 | 2.14 | |
| Schraube, nicht rost. Stahl | ||||
| 0015 | 4931621490 | 1.80 | 2.14 | |
| Nicht mehr lieferbar, kein Ersatz | ||||
| 0021 | 4931615407 | |||
| Nicht mehr lieferbar, kein Ersatz | ||||
| 0024 | 4931303910 | |||
| Nicht mehr lieferbar, kein Ersatz | ||||
| 0100 | 4931383714 | |||
| GEHAEUSEDECKEL | ||||
| 0102 | 4931259153 | 5.40 | 6.43 | |
| Nicht mehr lieferbar, kein Ersatz | ||||
| 0107 | 4931317671 | |||
| KUGELLAGER/Elektrowerkzeuge | ||||
| 0108 | 4931341741 | 9.00 | 10.71 | |
| KUGELLAGER | ||||
| 0109 | 4931804500 | 9.00 | 10.71 | |
| Unterlegscheibe, nicht rost. Stahl | ||||
| 0110 | 4931907954 | 4.49 | 5.34 | |
| KABELSCHELLE/Metall/Diamandbohrmaschine | ||||
| 0114 | 4931256500 | 5.40 | 6.43 | |
| Nicht mehr lieferbar, kein Ersatz | ||||
| 0116 | 4931317676 | |||
| Nicht mehr lieferbar, kein Ersatz | ||||
| 0129 | 4931317223 | |||
| Nicht mehr lieferbar, kein Ersatz | ||||
| 0130 | 4931259031 | |||
| Schraube, nicht rost. Stahl (2 benötigt) | ||||
| 0136 | 4931621772 | 1.80 | 2.14 | |
| Schraube, nicht rost. Stahl (8 benötigt) | ||||
| 0150 | 4931618253 | 1.80 | 2.14 | |
| Schraube, nicht rost. Stahl (2 benötigt) | ||||
| 0151 | 4931624538 | 1.80 | 2.14 | |
| Nicht mehr lieferbar, kein Ersatz | ||||
| 0152 | 4931259091 | |||
| Nicht mehr lieferbar, kein Ersatz | ||||
| 0202 | 4931623202 | |||
| Keine Informationen verfügbar, nicht bestellbar | ||||
| 0204 | 4931303898 | |||
| SICHERUNGSMUTTER/NICHT ROSTENDER STAHL | ||||
| 0205 | 4931621424 | 5.40 | 6.43 | |
| Schraube, nicht rost. Stahl (4 benötigt) | ||||
| 0206 | 4931620737 | 1.80 | 2.14 | |
| Nicht mehr lieferbar, kein Ersatz | ||||
| 0210 | 4931317829 | |||
| Nicht mehr lieferbar, kein Ersatz | ||||
| 0214 | 4931276584 | |||
| RING | ||||
| 0215 | 4931605484 | 4.49 | 5.34 | |
| FEDER | ||||
| 0216 | 4931273224 | 1.80 | 2.14 | |
| Feder, nicht rost. Stahl | ||||
| 0221 | 4931303788 | 4.49 | 5.34 | |
| GRIFF | ||||
| 0233 | 4931346578 | 5.40 | 6.43 | |
| Nicht mehr lieferbar, kein Ersatz | ||||
| 0251 | 4931620636 | |||
| Schraube, nicht rost. Stahl | ||||
| 0253 | 4931617010 | 1.80 | 2.14 | |
| Nicht mehr lieferbar, kein Ersatz | ||||
| 0254 | 4931615497 | |||
| Nicht mehr lieferbar, kein Ersatz | ||||
| 0255 | 4931259173 | |||
| KNEBEL | ||||
| 0256 | 4931259174 | 4.49 | 5.34 | |
| ANSCHLAG | ||||
| 0257 | 4931259183 | 3.60 | 4.28 | |
| Unterlegscheibe, nicht rost. Stahl (4 benötigt) | ||||
| 0260 | 4931615511 | 1.80 | 2.14 | |
| Keine Informationen verfügbar, nicht bestellbar | ||||
| 0262 | 4931621502 | |||
| Nicht mehr lieferbar, kein Ersatz | ||||
| 0265 | 4931259175 | |||
| Schraube, nicht rost. Stahl | ||||
| 0266 | 4931259185 | 1.80 | 2.14 | |
| Nicht mehr lieferbar, kein Ersatz | ||||
| 0600 | 4931616068 | |||
| Cirkelzaagblad hout 210 x 30 x 2,4 Thin Kerf ATB 1 | ||||
| 0700 | 4932471324 | 73.37 | 87.31 | |
| Keine Informationen verfügbar, nicht bestellbar | ||||
| 0701 | 4932276288 | |||