Hier finden Sie alle verfügbaren Teile und Zeichnungen der 'Festool 483450 ( PS1E220V )'. Von hier aus können Sie alle gewünschten Teile direkt bestellen. Viele Teile müssen je nach Marke beim Hersteller bestellt werden, dies dauert ein bis vier Wochen. Alle Informationen, die wir haben, befinden sich auf unserer Website. Wir können Sie nicht beraten, was Sie benötigen. Dazu müssen Sie die Maschine zur Reparatur zurücksenden. Bitte beachten Sie bei der Bestellung Folgendes:
Aufgrund einer Umstrukturierung bei Festool werden Festool-Bestellungen erst in der zweiten Januarhälfte 2026 ausgeliefert.
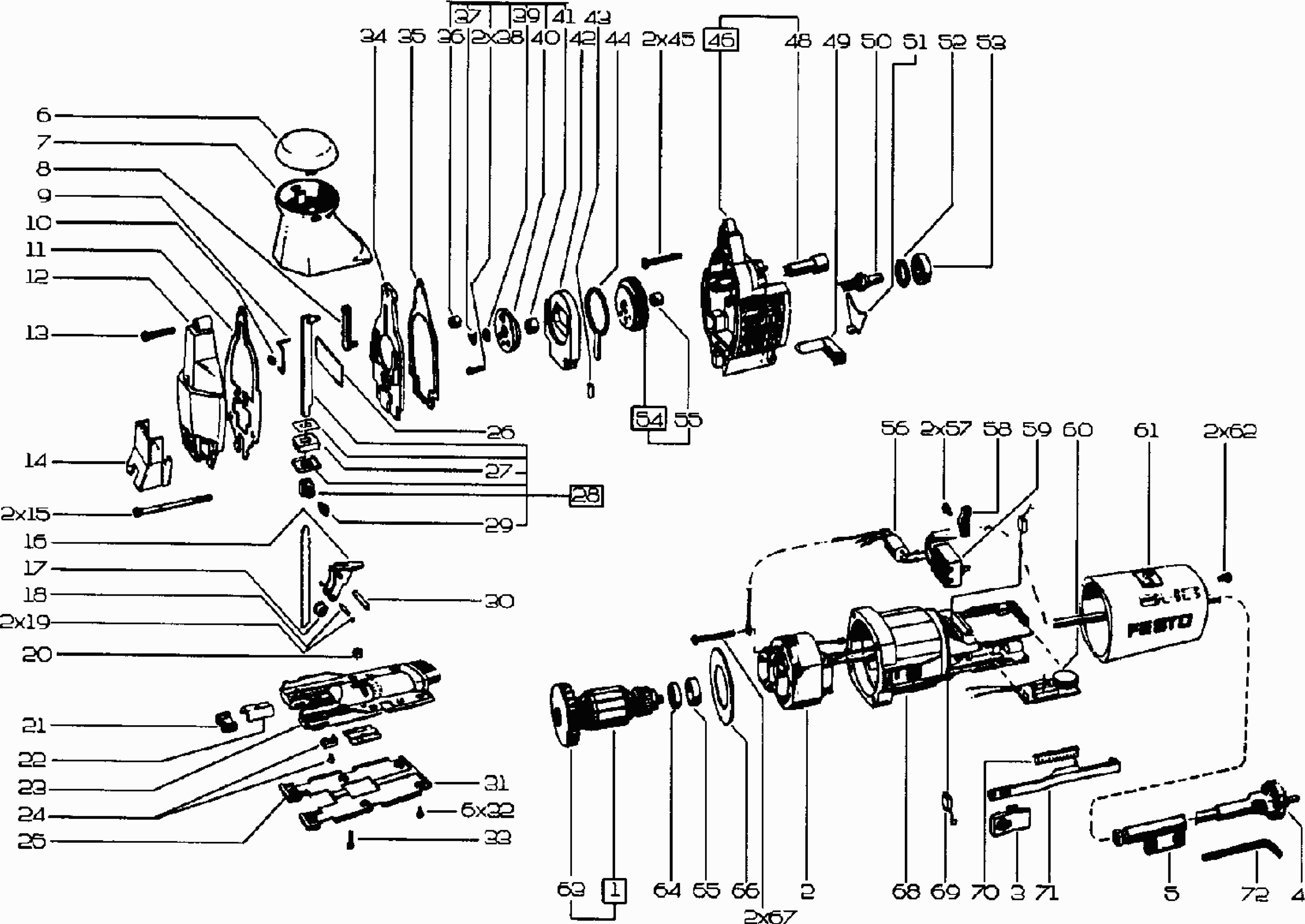
Zeichnungen der Festool 483450 ( PS1E220V )
Teileliste der Festool 483450 ( PS1E220V )
| Pos. | Beschreibung | Preis ohne MwSt | Preis inkl. MwSt | |
| Die angegebenen Preise enthalten die Mehrwertsteuer | ||||
| Keine Informationen verfügbar, nicht bestellbar | ||||
| 1 | xxx | |||
| Keine Informationen verfügbar, nicht bestellbar | ||||
| 2 | xxx | |||
| Keine Informationen verfügbar, nicht bestellbar | ||||
| 3 | xxx | |||
| Kabel 220v | ||||
| 4 | 440240 | 24.32 | 28.94 | |
| Kabeltülle | ||||
| 5 | 437024 | 2.57 | 3.06 | |
| Keine Informationen verfügbar, nicht bestellbar | ||||
| 6 | xxx | |||
| Keine Informationen verfügbar, nicht bestellbar | ||||
| 7 | xxx | |||
| Keine Informationen verfügbar, nicht bestellbar | ||||
| 8 | xxx | |||
| Keine Informationen verfügbar, nicht bestellbar | ||||
| 9 | xxx | |||
| Keine Informationen verfügbar, nicht bestellbar | ||||
| 10 | xxx | |||
| Keine Informationen verfügbar, nicht bestellbar | ||||
| 11 | xxx | |||
| Keine Informationen verfügbar, nicht bestellbar | ||||
| 12 | xxx | |||
| Linsenschraube M4 x 30 | ||||
| 13 | 203760 | 1.39 | 1.65 | |
| Keine Informationen verfügbar, nicht bestellbar | ||||
| 14 | xxx | |||
| Keine Informationen verfügbar, nicht bestellbar | ||||
| 15 | xxx | |||
| Keine Informationen verfügbar, nicht bestellbar | ||||
| 16 | xxx | |||
| Keine Informationen verfügbar, nicht bestellbar | ||||
| 17 | xxx | |||
| Achse | ||||
| 18 | 443883 | 2.45 | 2.92 | |
| Sicherungsring | ||||
| 19 | 200614 | 1.39 | 1.65 | |
| Vierkantmutter M5 | ||||
| 20 | 228520 | 1.39 | 1.65 | |
| Keine Informationen verfügbar, nicht bestellbar | ||||
| 21 | 483372 | |||
| Keine Informationen verfügbar, nicht bestellbar | ||||
| 22 | xxx | |||
| Keine Informationen verfügbar, nicht bestellbar | ||||
| 23 | xxx | |||
| Keine Informationen verfügbar, nicht bestellbar | ||||
| 24 | xxx | |||
| Sohle | ||||
| 25 | 437031 | 12.46 | 14.83 | |
| Keine Informationen verfügbar, nicht bestellbar | ||||
| 26 | xxx | |||
| Keine Informationen verfügbar, nicht bestellbar | ||||
| 27 | xxx | |||
| Keine Informationen verfügbar, nicht bestellbar | ||||
| 28 | xxx | |||
| Zylinderschraube M5 x 8 | ||||
| 29 | 204482 | 1.39 | 1.65 | |
| Zylinderstift | ||||
| 30 | 228519 | 1.39 | 1.65 | |
| Keine Informationen verfügbar, nicht bestellbar | ||||
| 31 | xxx | |||
| Keine Informationen verfügbar, nicht bestellbar | ||||
| 32 | xxx | |||
| Zylinderschraube M5 x 16 | ||||
| 33 | 200671 | 1.39 | 1.65 | |
| Keine Informationen verfügbar, nicht bestellbar | ||||
| 34 | xxx | |||
| Keine Informationen verfügbar, nicht bestellbar | ||||
| 35 | xxx | |||
| Keine Informationen verfügbar, nicht bestellbar | ||||
| 36 | xxx | |||
| Scheibe | ||||
| 37 | 228518 | 1.39 | 1.65 | |
| Zylinderschraube DIN 912-M4x16-8.8 | ||||
| 38 | 200664 | 1.39 | 1.65 | |
| Keine Informationen verfügbar, nicht bestellbar | ||||
| 39 | xxx | |||
| Keine Informationen verfügbar, nicht bestellbar | ||||
| 40 | xxx | |||
| Keine Informationen verfügbar, nicht bestellbar | ||||
| 41 | xxx | |||
| Keine Informationen verfügbar, nicht bestellbar | ||||
| 42 | xxx | |||
| Keine Informationen verfügbar, nicht bestellbar | ||||
| 43 | xxx | |||
| Keine Informationen verfügbar, nicht bestellbar | ||||
| 44 | xxx | |||
| Linsenschraube 4,0 x 40 mm | ||||
| 45 | 219080 | 1.39 | 1.65 | |
| Keine Informationen verfügbar, nicht bestellbar | ||||
| 46 | xxx | |||
| Keine Informationen verfügbar, nicht bestellbar | ||||
| 48 | xxx | |||
| Keine Informationen verfügbar, nicht bestellbar | ||||
| 49 | xxx | |||
| Keine Informationen verfügbar, nicht bestellbar | ||||
| 50 | xxx | |||
| Blech | ||||
| 51 | 443437 | 10.43 | 12.41 | |
| Keine Informationen verfügbar, nicht bestellbar | ||||
| 52 | xxx | |||
| Rillenkugellager | ||||
| 53 | 789575 | 6.34 | 7.54 | |
| Keine Informationen verfügbar, nicht bestellbar | ||||
| 54 | xxx | |||
| Keine Informationen verfügbar, nicht bestellbar | ||||
| 55 | xxx | |||
| Nicht mehr lieferbar, kein Ersatz | ||||
| 56 | 412010 | |||
| Linsenschraube 4,0 x 12 mm | ||||
| 57 | 219071 | 1.39 | 1.65 | |
| Kabelschelle | ||||
| 58 | 411871 | 7.73 | 9.20 | |
| Schalter 220v | ||||
| 59 | 412006 | 17.18 | 20.44 | |
| Keine Informationen verfügbar, nicht bestellbar | ||||
| 60 | xxx | |||
| Keine Informationen verfügbar, nicht bestellbar | ||||
| 61 | xxx | |||
| Linsenschraube 4,0 x 12 mm | ||||
| 62 | 219071 | 1.39 | 1.65 | |
| Keine Informationen verfügbar, nicht bestellbar | ||||
| 63 | 411694 | |||
| Rillenkugellager | ||||
| 64 | 401518 | 8.58 | 10.21 | |
| Lagerring | ||||
| 65 | 462385 | 4.09 | 4.87 | |
| Luftführung | ||||
| 66 | 411705 | 13.19 | 15.70 | |
| Linsenschraube 4,0 x 40 mm | ||||
| 67 | 219080 | 1.39 | 1.65 | |
| Keine Informationen verfügbar, nicht bestellbar | ||||
| 68 | xxx | |||
| Keine Informationen verfügbar, nicht bestellbar | ||||
| 69 | 484694 | |||
| Keine Informationen verfügbar, nicht bestellbar | ||||
| 70 | xxx | |||
| Keine Informationen verfügbar, nicht bestellbar | ||||
| 71 | xxx | |||
| Schraubendreher Sw 4 DIN 911 | ||||
| 72 | 202751 | 1.39 | 1.65 | |